EasyManua.ls Logo

Tecumseh AH5540E - Page 76

Tecumseh AH5540E
120 pages
Print Icon
To Next Page IconTo Next Page
To Next Page IconTo Next Page
To Previous Page IconTo Previous Page
To Previous Page IconTo Previous Page
Loading...
68
SERVICE HANDBOOK
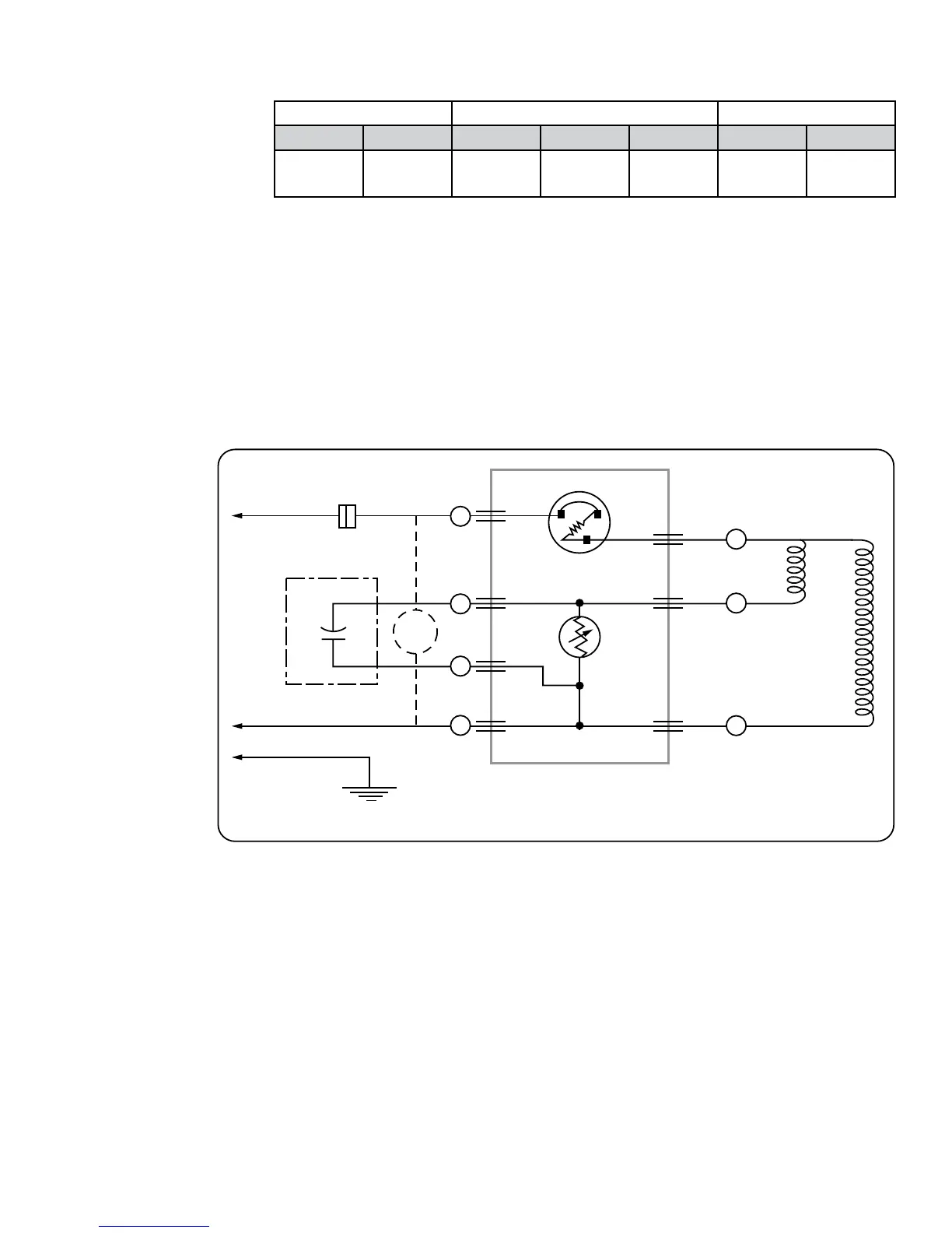
This PSC compressor has the following components:
Thermal Protector Type Relay Type Capacitor Type
Internal External Current Potential PTC Run Start
WIRED
PLUG-IN
The electrical system on this type of motor is shown in FIGURE 4-15. The actual position of
terminals on the relay may be different than shown in FIGURE 4-15. Use the letters and/ or
numbers on the actual relay to locate the terminals.
If replacement parts are needed, refer to the Tecumseh Electrical Service Parts Guide
Book for information on proper replacement parts, or call Tecumseh Products Company at
1-800-211-3427.
Line 2
Ground
Line 1
Compressor - Unit
Ground
PTC
Relay
Plug-In
Run Capacitor
PTC Starting and Protector Package
Thermal Protector
Star t Winding
Main Winding
N
C
S
R
Fan
Motor*
L
C
2
C
1
Control
*Other auxiliary devices may be attached. Disconnect any auxilliary devices in Step 2.
FIGURE 4-15: PSC compressor motor type with an external PTC starting
and protector package and plug-in run capacitor.

Table of Contents