EasyManua.ls Logo

Tektronix 485 - Page 138

Tektronix 485
197 pages
Print Icon
To Next Page IconTo Next Page
To Next Page IconTo Next Page
To Previous Page IconTo Previous Page
To Previous Page IconTo Previous Page
Loading...
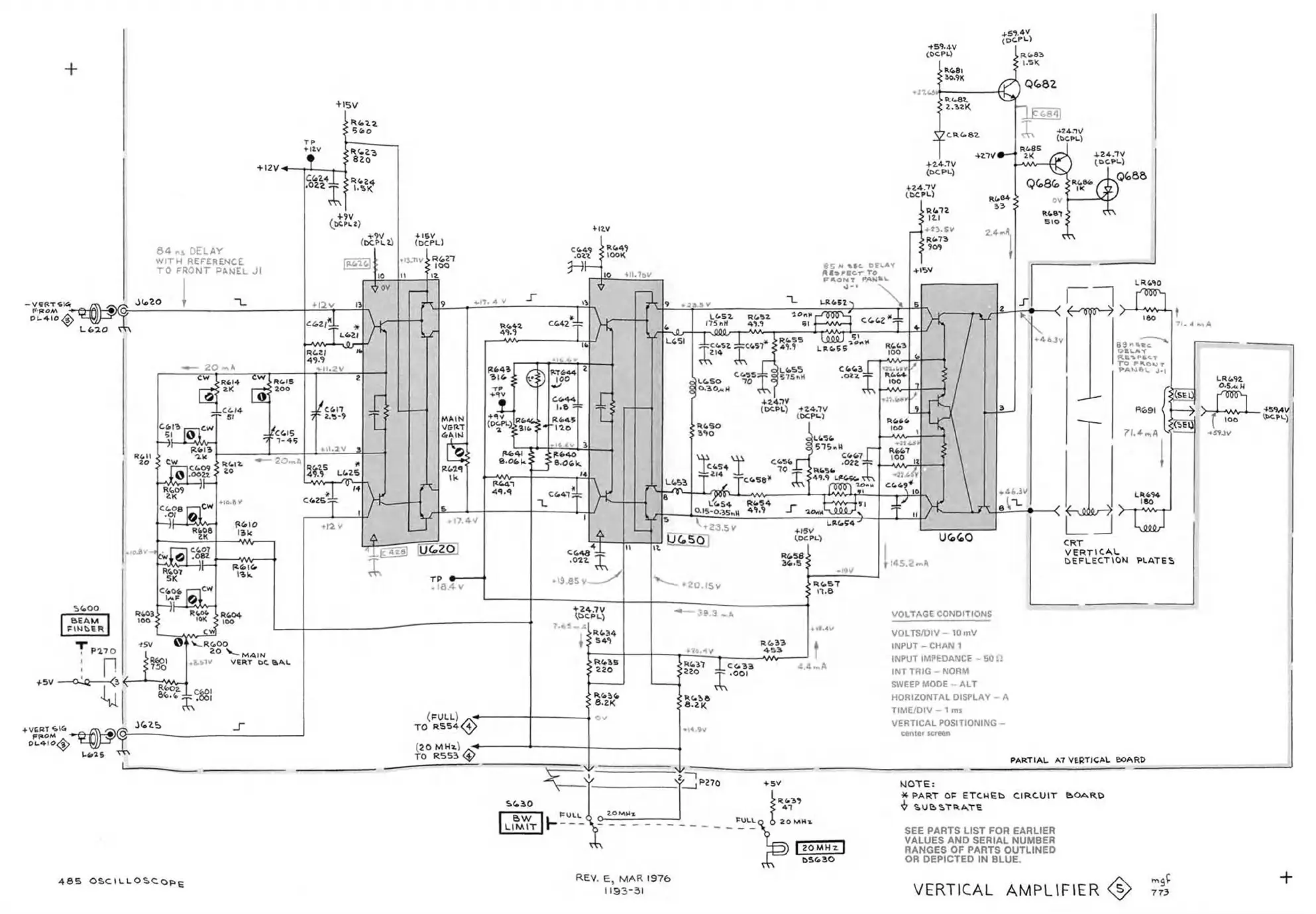
- V S B T *U »
PROM <-
Dl_4IO^>
SEE PARTS LIST FOR EARLIER
VALUES AND SERIAL NUMBER
RANGES OF PARTS OUTLINED
OR DEPICTED IN BLUE.
4 8 5 O S C ILL O S C O P E
VERTICAL AMPLIFIER <s> 773

Table of Contents

Related product manuals