EasyManua.ls Logo

Tektronix 485 - Page 159

Tektronix 485
197 pages
To Next Page IconTo Next Page
To Next Page IconTo Next Page
To Previous Page IconTo Previous Page
To Previous Page IconTo Previous Page
Loading...
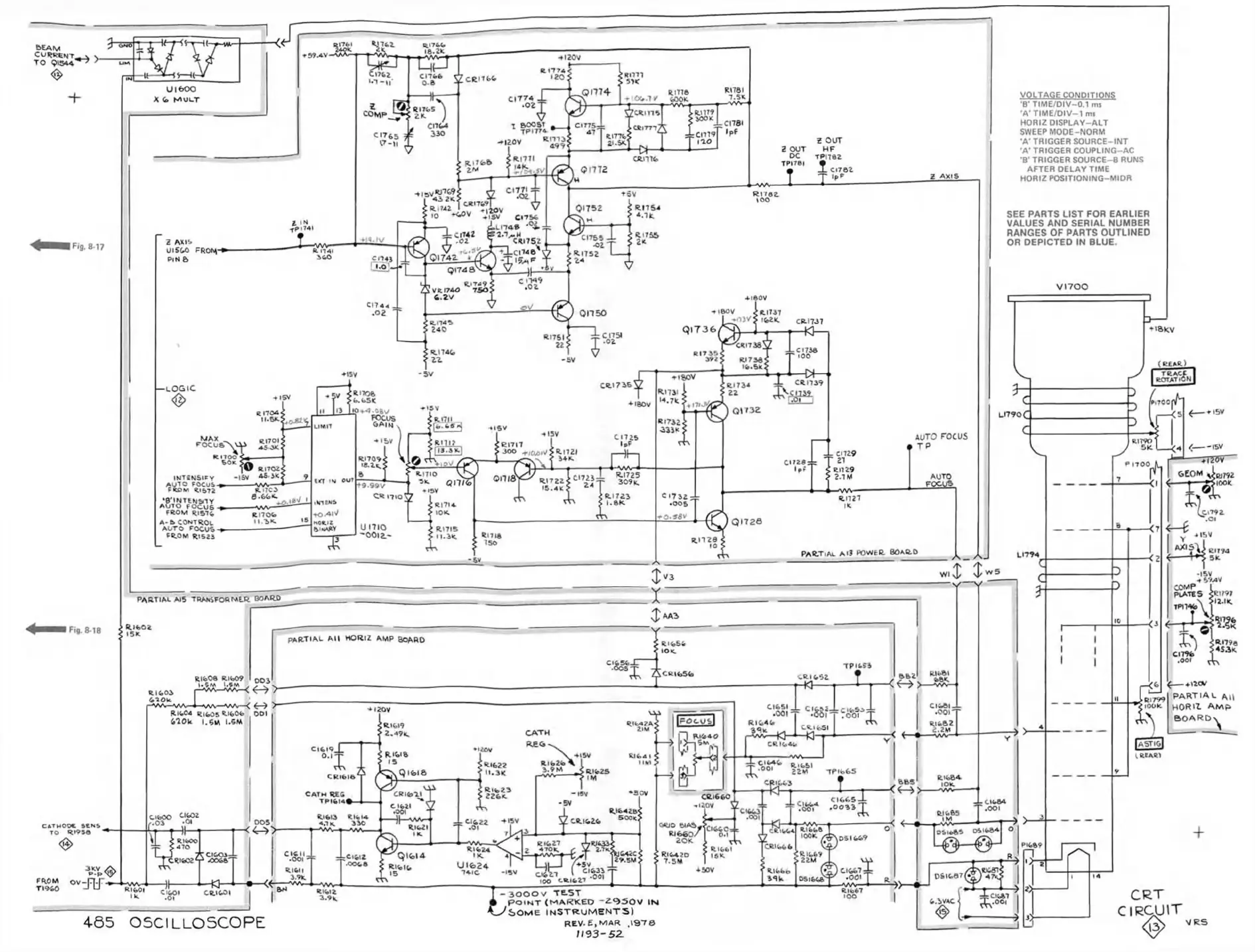
OSCILLOSCOPE
- 3000 V TE.ST
P O IN T (M AR K E D - 2 9 5 0 V IN
'SOME INSTRUMENTS)
REV.e.M A R .1970
7/93-52.
MRS

Table of Contents

Related product manuals