EasyManua.ls Logo

Tektronix 485 - Page 167

Tektronix 485
197 pages
To Next Page IconTo Next Page
To Next Page IconTo Next Page
To Previous Page IconTo Previous Page
To Previous Page IconTo Previous Page
Loading...
PK&-7
-|«v
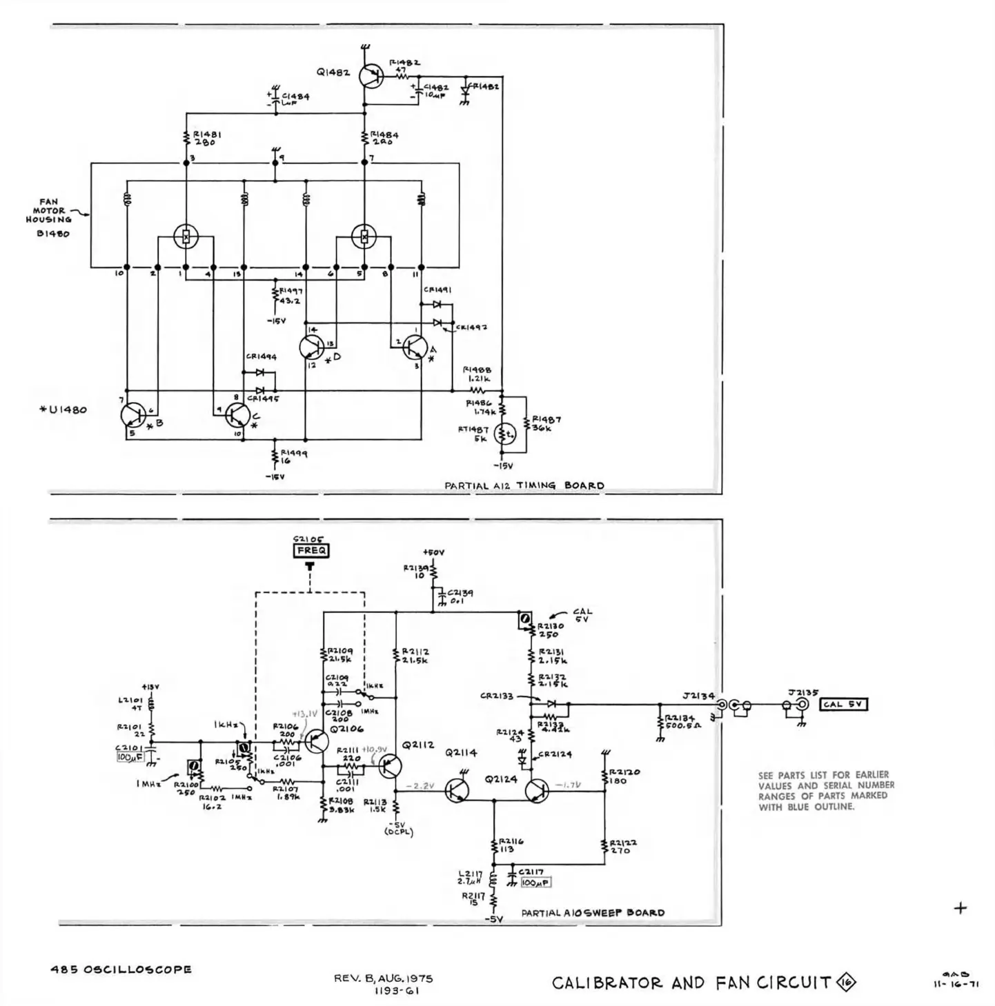
PARTIAL AI2. TWAINS BOARD
A85 O S C IL L O S C O P E
REV. B,AU&. I9TS
II9 3 -& I
CALI BR.ATOR. AND FAN ClfcCU|T<g>
4-
e>
It- »*-H

Table of Contents

Related product manuals