EasyManua.ls Logo

Tektronix 485 - Page 168

Tektronix 485
197 pages
To Next Page IconTo Next Page
To Next Page IconTo Next Page
To Previous Page IconTo Previous Page
To Previous Page IconTo Previous Page
Loading...
+
O'
IP
4
>
c
N
>
ifl
>
0-
t
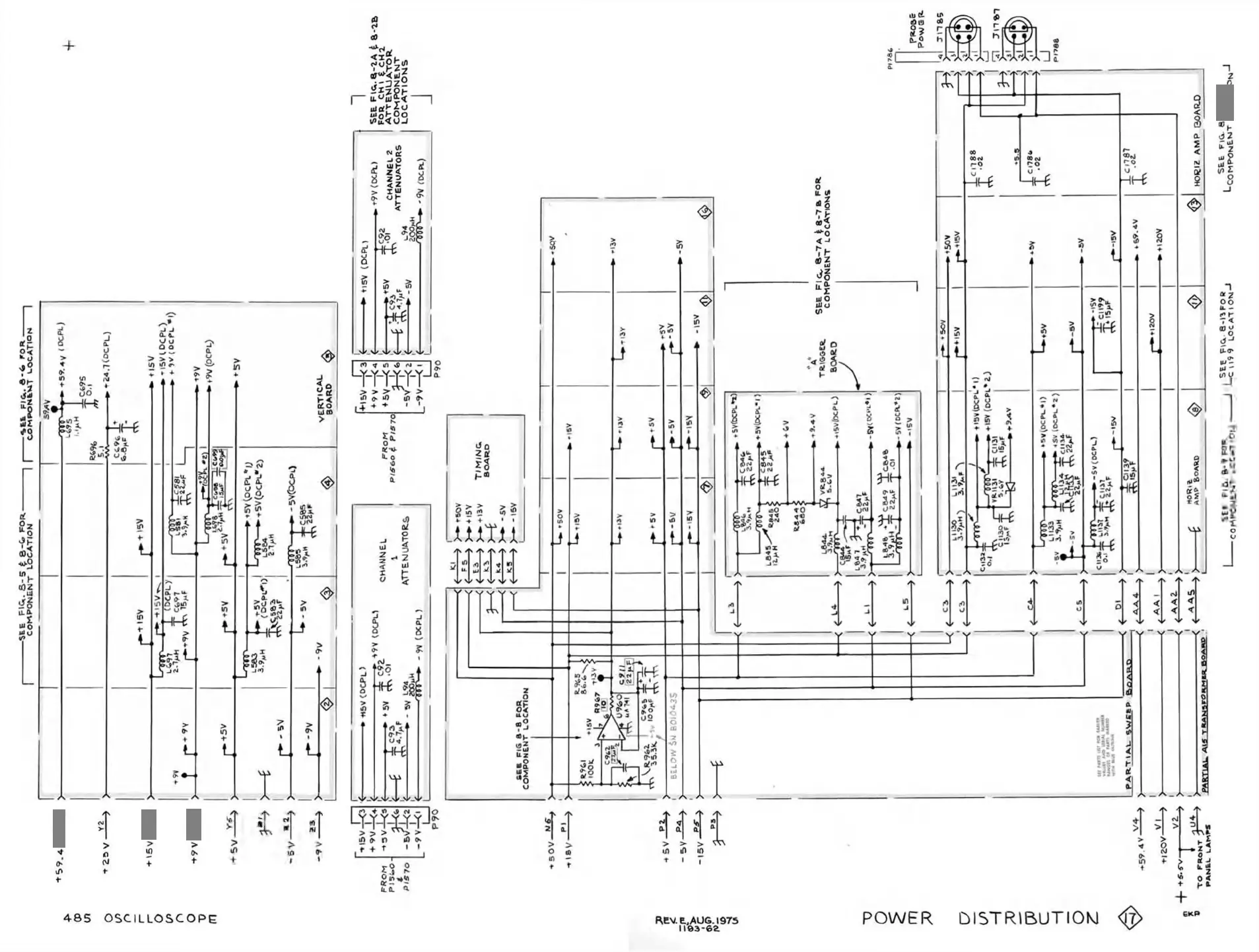
4 8 5 OSCILLOSCOPE
2
d2
“■ 2
m ?
uJ %
tP Z
O
u
u. -
«« r
7 <
OJO
d-»
U- O'
Hi -
(0 u
o
o
J

Table of Contents

Related product manuals