EasyManua.ls Logo

Teledyne T200UP - Page 29

Teledyne T200UP
45 pages
Print Icon
To Next Page IconTo Next Page
To Next Page IconTo Next Page
To Previous Page IconTo Previous Page
To Previous Page IconTo Previous Page
Loading...
Teledyne API – Ultra Sensitivity Model T200UP NO/NO
2
/NOx Analyzer Addendum to T200
07450B DCN6495 A-3
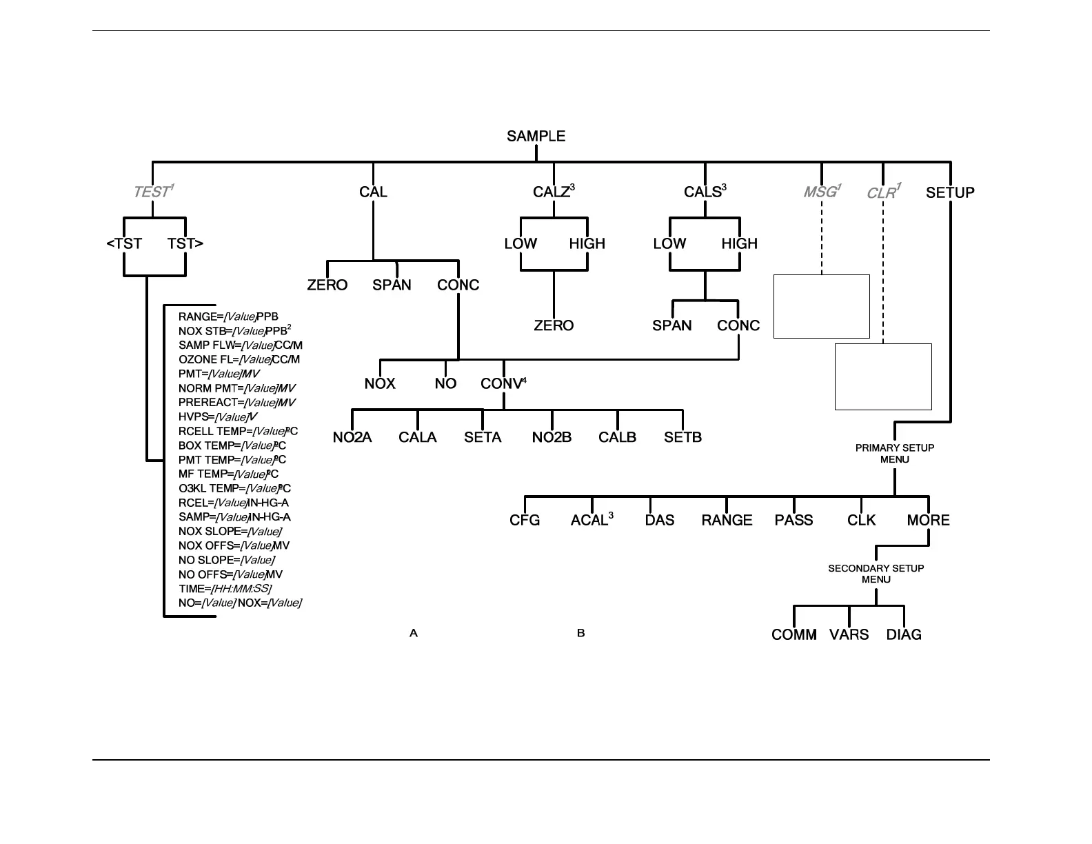
1
Only appears when warning messages are active.
2
This function can be set to display the stability of any gas the analyzer is equipped to
measure.
3
Only appears if analyzer is equipped with Calibration Valve option.
4
Calibrate 2 pts: (low) 10-20% of expected range; (high) 80-90% of expected range.
Press to cycle
through the
active warning
messages.
Press to clear
an active
warning
messages.
·
·
·
·
·
·
·
·
·
·
·
·
·
·
·
·
·
·
·
·
·
Information contained herein is classified as EAR99 under the U.S. Export Administration Regulations. Export, reexport or diversion contrary to U.S. law is prohibited.

Related product manuals