EasyManua.ls Logo

Telit Wireless Solutions ME910G1-WW - Reel Detail

Telit Wireless Solutions ME910G1-WW
98 pages
To Next Page IconTo Next Page
To Next Page IconTo Next Page
To Previous Page IconTo Previous Page
To Previous Page IconTo Previous Page
Loading...
ME910G1 HW Design Guide
1VV0301593 Rev.7 Page 80 of 98 2021-02-02
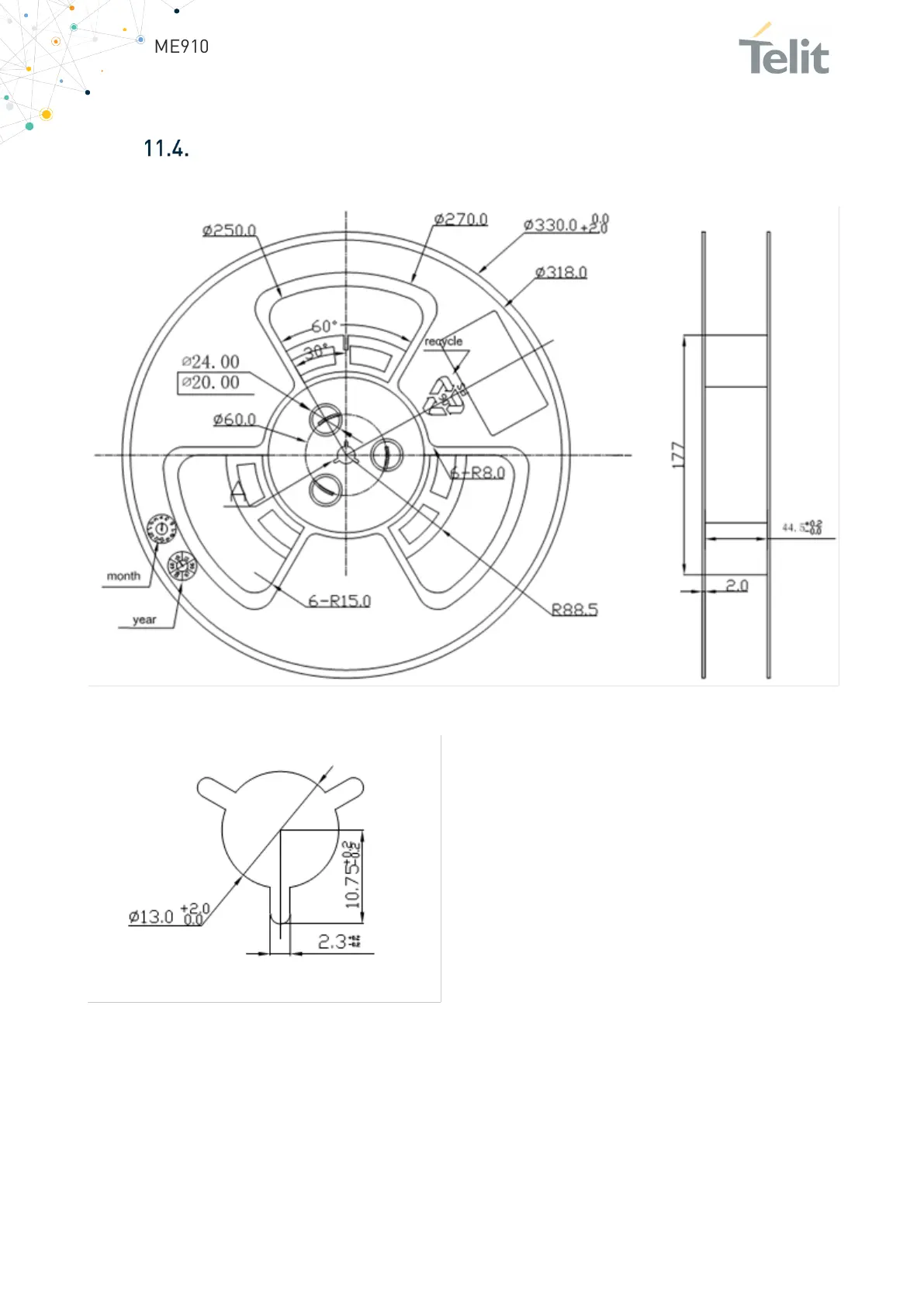
Reel detail
Figure 35: Reel detail
Figure 36: Detail

Table of Contents

Other manuals for Telit Wireless Solutions ME910G1-WW

Related product manuals