EasyManua.ls Logo

Tempstar F9MAE - Page 41

Tempstar F9MAE
54 pages
Print Icon
To Next Page IconTo Next Page
To Next Page IconTo Next Page
To Previous Page IconTo Previous Page
To Previous Page IconTo Previous Page
Loading...
INSTALLATION INSTRUCTIONS Gas Furnace: (F/G)9MAE
440 01 4300 02 41
Specifications subject to change without notice.
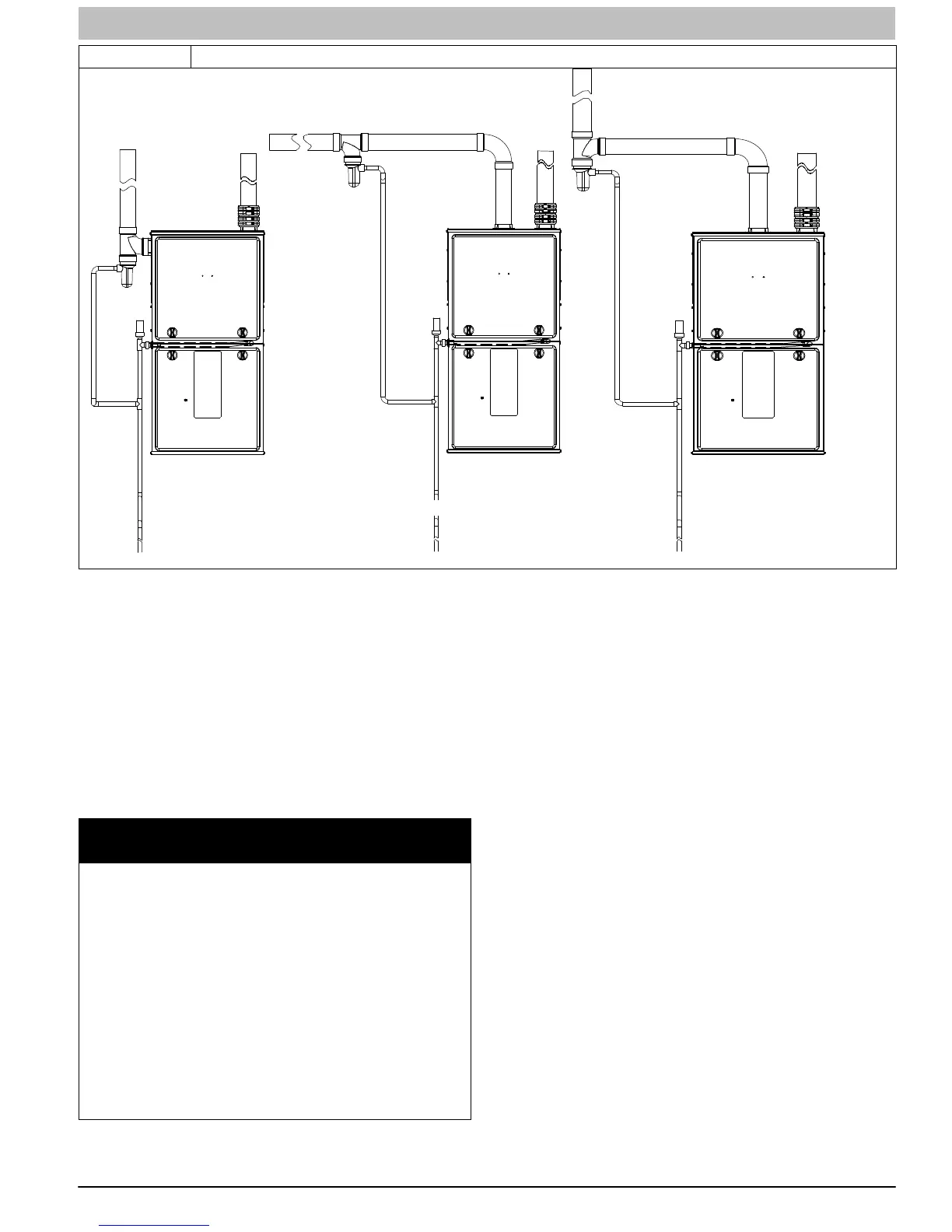
Figure 49 Optional Combustion Air Inlet Moisture Trap
Representative drawing only, some models may vary in appearance.
TO CODEAPPROVED DRAIN OR CONDENSATE PUMP
L12F028
The External Vent Trap Kit accessory may be used as a trap for
the combustion air inlet pipe if a large amount of moisture must
be removed. The drain line may be connected to the same
drain as the furnace condensate and the evaporator coil
condensate line ONLY if the inlet air trap drain and the
evaporator coil drain empty into an open segment of pipe
above the drain, See Figure 11. When using the External Vent
Trap Kit, refer to those instructions for proper drain
connections.
The tee may also be connected to the intake air pipe on the
side of the casing. See Figure 49.
In any configuration, it will be necessary to add the equivalent
length of the tee (15 feet/5 M) to the Total Equivalent Vent
Length of the venting system.
NOTICE
Additional Information for Polypropylene Venting
Systems
Polypropylene venting systems include flexible vent pipe.
These flexible vent pipes have a different equivalent vent
length than straight sections of PVC/ABS DWV vent pipe. Be
sure to make the appropriate deductions from the Maximum
Equivalent Vent Length (MEVL), or additions to the Total
Equivalent Vent Length (TEVL), when applying flexible vent
pipes in polypropylene venting systems. See the polypropyl-
ene vent system manufacturer’s installation instructions for
details.
When using metric-sized venting systems, use these equival-
encies for obtaining the proper MEVL from the Tables:
Use 2” Vent Tables for 60mm (o.d.) vent systems
Use 3” Vent Tables for 80mm (o.d.) vent systems
Use 4” Vent Tables for 100mm (o.d.) vent systems
The measured length of pipe used in a 2pipe termination is
included in the total vent length. Include deductions from the
Maximum Equivalent Vent Length (MEVL) contained in the
Venting Tables for elbows and flexible vent pipe. Factory
accessory concentric vent terminations, or pipe lengths and
elbows used for “standard” vent terminations (see vent
termination figures associated with Table 14) do not require a
deduction from the Maximum Equivalent Vent Length. Include a
deduction for a Tee when used for Alberta and Saskatchewan
terminations.
NOTE: Polypropylene venting systems MAY require additional
deductions from the MEVL, or additions to the TEVL, for vent
terminations and flexible pipe sections. See the polypropylene
venting system manufacturer’s instructions for details on
equivalent lengths of vent terminations and flexible vent pipes,
and for calculating total vent lengths.
To calculate the Total Equivalent Vent Length (TEVL) of the
venting system:
1. Measure the individual distance from the furnace to the
termination for each pipe.
2. Count the number of elbows for each pipe.
3. For each pipe, multiply the number of elbows by the
equivalent length for the type of elbow used. Record the
equivalent length of all the elbows for each pipe.
4. If a Tee is used on the termination (Alberta and
Saskatchewan, when required), record the equivalent
length of the Tee used.
5. Calculate Total Equivalent Vent Length by adding the
equivalent lengths of the fittings to the lengths of the
individual vent and combustion air pipes.
6. When using polypropylene venting systems with flexible
vent pipes, perform adjustments for the equivalent length
of the flexible vent pipe to the calculated total equivalent
venting system length. See the polypropylene vent
system manufacturers instructions for details.

Related product manuals