EasyManua.ls Logo

Terrain King KB21 - Page 68

Default Icon
126 pages
Print Icon
To Next Page IconTo Next Page
To Next Page IconTo Next Page
To Previous Page IconTo Previous Page
To Previous Page IconTo Previous Page
Loading...
KB21 Service Manual Pub 09-14
68
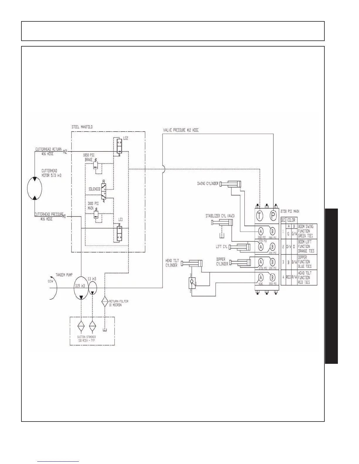
Cylinder Control Systems
40-B. Bucher L.8S - Electric Control/Cable

Table of Contents