EasyManua.ls Logo

TESTO 645 - Location Selection

TESTO 645
41 pages
Print Icon
To Next Page IconTo Next Page
To Next Page IconTo Next Page
To Previous Page IconTo Previous Page
To Previous Page IconTo Previous Page
Loading...
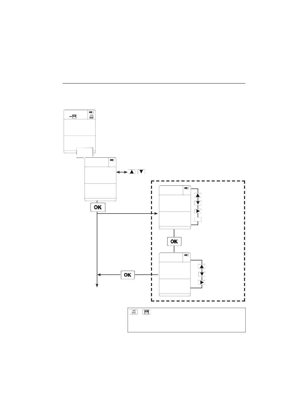
The location names Location 1 to 99 are specified by the factory.
Additional location names (8 characters) can only be loaded onto
your instrument using PC software.
/ Select location
14
3. Location selection
58.06
21.80
1:
1:
M.05
MAN
N.0017
m/s
hPa
1. Current
measurement
01
Location
Duct 1
50.0
A
cm
50.0
B
cm
ESC
Location
or :
From now on all measured data which is saved or printed is
linked to the selected location or product names.
The cross-section
can only be called up if
volume flow is activated
(testo 445 instrument)
Increase value
Use ESC to go
to selection of
cross-section entry
Ø AxB, m2, Funnel)
Decrease value
Select digit box
Increase value
Decrease value
Select digit box
Return to current
measurement
ESC
Location
1.888.610.7664 info@Testo-Direct.com
www.Testo-Direct.com

Related product manuals