EasyManua.ls Logo

Texas Instruments 990 - Page 141

Texas Instruments 990
211 pages
Print Icon
To Next Page IconTo Next Page
To Next Page IconTo Next Page
To Previous Page IconTo Previous Page
To Previous Page IconTo Previous Page
Loading...
R23
3,
3
~
I
R24
Ll
~..._--t•.--------------~T-3
4.
7uH
S-SHAPING
+
70V
NN~.---~
~&
C32
Pl
<EDGE
COllN.i
---,
I
I
I
I
I
..
:
2.25V
F?
Y
i i.ZK
~m
5W
I
~2V
VIDEO
INPUT
:
\@
-<e~---.--------~------------------~~--.W'l'-----t---t
I
I
I
I
I
I
SIGNAL
-<~of-,
GND
I all
I
I
I
220
t'"
1777
Cl3
47
..-,-..
r.J;B?F'
ll.5Y
QE
ASP
VIDEO
OUTPUT
QS
I
A2J
I
av
__J
@
.01
:~:
llA
"'
I,
I
HORIZ
t
I . I
YOKE
~--
__
1
~P.62
'9'\ flOOK
'f'
C33
~
R63
h~
0022
~FOCUS
H~R~i
'YR61
C34
I
2M
w
01H
iso
T.aav
R64
ob
560K
•••
20Y
PP
V_
~
R69
470
lt2W
llt
CRT
LEADI
R7l
56K
112ft
ON
C:AT
lEAOI
OOTES1
VO\. T
AGE'
ME"P
S\,..'P£-..,e.NTS1
1 !".AKEN
,:~Ori.
POINT
~Jt.T'E'Q
1"0
SIG.
Gf'C)..
~IT"1
A V
r¥M,
"'°
SIGNAL.
2
iAKEN
W:T'°'
::CNTRAST
CO~TAOl
AT
M.MCl,,,.UMi
"1.l
OTHE'~
CJN
r'ROLS
:N
~Al
cP:~A
T'"1G
POSIT'~
'1111,:"1\ffFOPM
'-'EA5tJRE-..eJ,,tTS lALPHA-
Nl.JPdERC
VOt::C•
1 T
A~E"
F~O'o'
PO"IT
ll'IDIC
..
--
-
TD
SC.
GNO.
"'TH
A.
'llllOE-BANO
r·-·.~oscOPE.
2
O~:ILLOSCCPE
SV>ICED
~
..
FO
SWEEP
RA TE N'.)l.C.A-:"EO,
V•VERT.
M-MQRIZ.
l T.AKEN Wl"".'H (J.'5'v PP IN'l.JT SIGNAL,
COtffDAST
CONTROL
AT
MAXIMl..Mt
All
l)THf";;I:
:Q"ITROLS
.-.
NQAM.&l
OPE"A.A
TING
P"'.JSITtON.
U~ESS
OTHER'ft!SE SPEOFIE"DI
All
CAPAC'l'T~S
ARE
IN
MCROFAR.AOS..
RESISTORS
~~
l~
1'4ft'•
EXCEPT
J.'S
..OfED.
FDA
COWlFE
D<SCR!Pl'l()OI
OF
COM'-
ONENTS,
RE_,R
TO PARTS LIST.
I
S2
PZ
R65
OJ
-·~'"W--t'Ht---MN--.~-----t11W~-;-,
,..,IT
lOK
I
RFPRC:;E'•.:':- S CONNEC T!ON TO
OFF
c:.;rcl.JIT
C~RD
LOCJlo
noN.
@
Cl'Cl.'T
CARO
MAL£
PIN
COf,t.IEC:TION.
I
I
I
I
I
I
H.V.
XF'MR.
il
I
CZ6
l
J1JL
£.l
QIO
/
.~~'"
r,S2
:
C27
M7652
AD.AJSTMENr
1
d_
HORI].
~
S?
l
ipp
H
AJ~
·~~7un
O.UTP~r
l
l.">--VEL...._.,
!
1
l "
"·\"
150
1
11
~
f.
047
~~io
f
~~o
.O.B\ 3 '., 5 !
;b
/h
o1
__
5_,._.,.,.
HO:!~:
: ®
R2'I
<D
©
o.•v~C~
~
IG~v
DRhlf
-<e~,.-----4•~-------------------------------------"--•_,
A
6
G I I
iNPLJT
: 330 @
HORIZ.
/Ti?
SZ
A
BRIGHTNESS
I S 2
1
Ri08 I
P21
100K
re:!+---
P•-2
~
CZ9
ICUSTOl!ER SUPPLIED) : --r 1800
010
6BOK
C35
C36l'
...
1
'·"
08
09H
+70V
H.V.
RECT
+
lSV
+15V
1-
3/
ii;.,
~
R72
470
l/2W
.IN
CRT
LEADI
~
PLUG
.01
P'N
CCWNECTON
)-
SO~ET
1S1lt=F'WLE
PtN
COtN:CTOrf
+>-
CIAClH C•RD
HlGE
CONP<Et"TIO"
-0
RE-SENTS
ORIGIOI
OF VOi. TAGE
~tC"JlTEO.
--0
REPRESESTS
SOl0£R
EVCLETS FOR
.AJMPfFI IN$£R
TION.
COMPONENTS
f'·Cl.O~ED
OASHED-lNE
BOYf'S
/l.R£
CH,<.S~S
MOl.JNTEO
io<'F
CIAl."l.llT C}iROi.
I ' I
VI
I
::
':•
CRT
I
l~
+70V
·
R107
h
ZOOK
J,.
MASTfP.
'>
I
BRIGHTNESS
f
Pl-2
REMOTE
I
DRIVER
P21
4
"!:D
I
3
1
.--.
P•-3
rm
09
R60
3.
3
AOS
~~.--.Pl-4
~"'7DV
-<~:
+---
N.C.
r------.----.----
.....
---4,_.,fVoR9N5,__,o-
+
15\1
ff,1~047
Tzz
lo
?I
"'
l\
0
01
I
T2
l!IOT Vll'Wi 0
Pl-4
I
Ri06
RIOS
!
100K
NN--•
>--->
REMOTE
270K
BRIGHTNESS
+
C46
56
~
:
Tz2
I \
0-7QV
15.0V
-<
7
t-
fl77
SUPPLY
COMMON
-<14--i
RETURN
1
j_
:
~WV
E B C
~
<!:OT
~IEW•
Q6,9
!CUSTOMER
stffl.IE
:T'
0.),1
.,.
Pl-3
t
-70V
E~
0~
B
>"--
C
QH!,15
E B C
~
All
OTHERS
TTL
1 \
C42
QlS
/\OS
J
068
[)15
/
M76S3
.--~~--t.--~-~-+--~----..>--~~~-
VERT.
-<9+4---------------·~---i)
INPUT
1 ( l ) 0.1
:
JU~PER
I
P.77
:
r<
@-----
e e
22K
_J
MONITOR
171
l
(B)
137674
CHASSIS
GROUND
VERT
OUTPUT
RlOO
l.Bic.
lW
I
I
C48
.01
+15V
L28
VERT
YOKE
---,
I
I
I
I
I
-
~re~:~
i7fl
470
4 l
n
;·:c:
~£:•1
5 8
IC2
t~;.~.:~1
qrTTll
6
!Cl
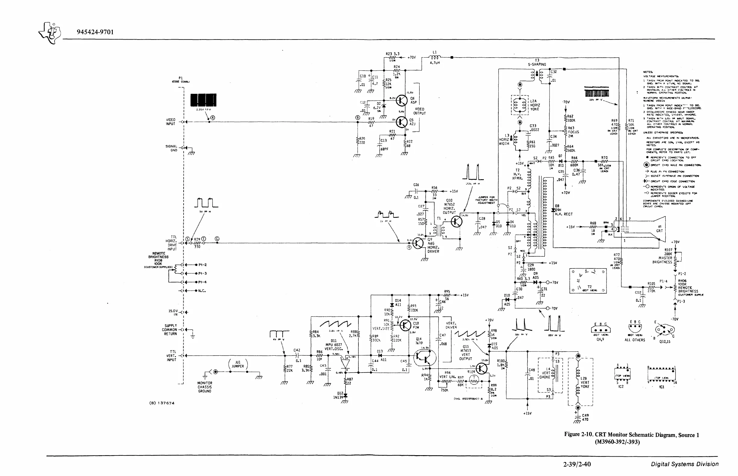
Figure 2-10. CRT Monitor Schematic Diagram, Source 1
(M3960-392/-393)
2-39/2-40
Digital
Systems
Division

Table of Contents

Other manuals for Texas Instruments 990

Related product manuals