EasyManua.ls Logo

Texas Instruments 990 - Video Output Logic

Texas Instruments 990
211 pages
Print Icon
To Next Page IconTo Next Page
To Next Page IconTo Next Page
To Previous Page IconTo Previous Page
To Previous Page IconTo Previous Page
Loading...
MDOSQ
_
("'
MD0
6
Q
]LSO~
GRAPHICL
I-"'~----_;,_--~~
~J
,,.~-----L-"'IN.:..;E:;.A.:..;Q:,__--IA
YO
p-
VL....-----....;;;L.:..;IN~E~D~Q;:__--iB
LSl39
YI
p-
Y2
FROM
CRU
__
N_D_2T_R_u_s_o
__
-ca
G
Y3
k
INTERFACE
..,-----
LOGIC
GRAPHICL
GRAPHICS
Q
OPTION
i_P9
JUMPER
D2TRU6Q
NLINEDQ
~ALPHALJ
NGRENAL
/
LINEBQ
AO
TMS4700/
lj;"
......---=,:.;.::.=--IAI
2316E
LINEAQ
V'l~-~L~l~N~EC~Q!!!!---lA2
01
t--------~
.,.....;.M~D~OO:;;:.::Q;.._--IA3
02
1----------.
MDOIQ
031---------.
Lvr--;_;_;:'----1
A4
·~-M-D~0~2~Q'----IAS
041-----~
·~-M_D;.;:0-3..;;;Q---IA6
os1-----
1.....--M_D""0;..;4..;;;Qc__--1A
7
06
1---
MDOSQ
07
l---
1,...-----4A8
1
_...._M_D_06..,;..;;Q;_--1Ag
08
1--
V
NCGG
.
lLS~JO----t--f--..:.:=~---d-"OEI
l
0---<:
OEZ
~,_G~~
_ -
..
A_•_o
___
__.
ONLY)
'V-'-M.;.:D:.::OO=Qc.---1 A
lv.rM.;.:D:.::0:.::1..;:Q_--I B
l..-..;.;M;,;;D;.:0;.:2.::0_--1
C
V
MD03Q
•v~-'-----ID
•v~M:.::D;.:0;;;:.4=.0_--1
E
NCGLB
_,,.,
G
._,
LS188
YI
l--+--+--+-+--l~l-6
Y21--+--+--+-+--l""""41
Y3
l--+--+--+-+-41
Y4
t--+--+--+-
YS
t--+--+--41
Y6
i---+-.
Y7~
YB
1--
LINE
8
GENERATOR
0 -
SER.IN
LS188
0 - A
Ylt--+--+--+-+--l--l~i.-.;;:C~G~O,;;.T
__
-IB
Y2t--+--+--+-+--l'--4..._-.:C~G~1..:.T
__
-IC
Y3t--+--+--+-+'--4..._
__
_:C:;:G;::2..:.T
__
-ID
166
CLK
NCLK
o-
1-DI
1
-DZ
0
-fl3
0 --P4
hs
FROM
REFRESH
MOO
,C>-7
,Q
.J.
MEMORY._....,;
__
._
____
"""--~,:""'"----------------------------------+-+--+---------------------------------------------_J
t---
__
M_o_oo_o--1 A
"'
MDOIQ
B
......._
MD02Q
C
y4
t--+--+--+-41----.:C;::G:.::3.:_T
__
-I
E
r--
:
~vE:
LS151
W
......
MD07Q
FROM
CRU
CRADQ
INTERFACE
LOGIC
(R)l
36294 A
__
M_o_o3_o__,
D YS
t--+--+--41------=C:.::G:::.4.:_T
__
-I
F
OH
VDQ
0
0
t-
___
v_1o_E_o_o
______
~
I
__
M_D_04_Q---I
E
Y6
1--+--+-------=C~G::,::S~T---1
G
'--t"""-t-------------------------__.:N~C~G~L=9:..._--~~G
Y
7
1-_
...
_______
_:C:;:G;::6,;;.T
__
-IH
LS273
,.----.:..:R..:.V.;:O;_
__
-IB
,_
__
P_P_Q-'------lic~
YB
1--
NLOADQ
S/L
._C_L_K;_~CK
,.--B~L~Q---dD
FROM
CHARACTER
LINE
9
SYNCHRONIZATION
--------l'--4a---;N.:..L::;l::,.N:.::E:.::D.:Q:__
____
--.
GENERATOR
LOGIC
GRAPHICL
lLS~''>°_N_l;;_N;;_H;.;:L;__
__
--l_I"""'~
NLDL
NLOL
r---
NLOADQ
...
_-=.;.;.:.:..~~:_--~.__.~J
____JLso~,D---'---_..;.;.;;;;;:.=..,.
___
-10
01---'--"------
FROM
TIME
BASE
GENERATOR
_
____,J
-
{
DOTR3
CLK
LS273
CLK
CK
,__
0 -
CK,INH
CLK
,....;;:,_
__
.....JCK
1
-C._c_L
___
__.
VIDEO
OUTPUT
SHIFT
REGISTER
~
FROM
CRU
NRL
___l__
NRL
INTERFACELOGIC_;_;;_;,;;;
____
...,.-f---~-...
.....
--------------il---------------4-~:.=_--_J
FROM
CRU
INTERFACE
LOGIC
-------+--cc:;.:,;;.HA,:_::ZB~Q
0
;;_
____
1.r--:--'"""::\....
NCUINHL
~
~
FROM
CHARACTER
'
ILSO~
~
CMEL
,.....---
r---
SYNCHRONIZATION
...__J
.----I
::Jr-------""-+----1
D Q
1-------------_:::C.::O
__
_.o
Q
1-------f--°"C,_P,.0--1
D Q
RVQ
LOGIC
FROM
MEMORY
CURL
LSn3
LS273 LS273
ADDRESSING
LOGIC
,.----
CK
I
-
---
NDOT4
CK
NRLI
~CK
~
NRL
I
lLso,V-J-------------+------------~P=E~NA~L---f""----....
r---
,.....---
-
GRAPHICL
]Ls~'J----------t-+--------------P:_:R.:_O:_T.:_L=---1--'---1
p Q
t------1-...;P...;Q::;_--I
D Q
1-P-PQ~----'
-
,....._
MXL
---~'----+-+---ID
Q
l---
LS
273
NMEMQ
_J
LS273
LS273
;-+--CK
._.,:_C::;LK"'-~CK
~
NRL
l
c
NRL
~
CRAEQ
NBQ
BEL
r--- r---
l
LS
.:'.l"a-----1--.,__
_
_.D
Q
1------+-B_LA_N..;.K;...Q-4D
Q t-B_L_o
___
_.
-i
LS273
.,---------l---------...;N~D~O~T~4:_-6~---1CK
FROM
CHARACTER
{
VSBQ
_
,.......__
CL
SYNCHRONIZATION
HSBQ
)Ls~~,..,:>--------------N_B_L
__
__,~+-__.D
QI--'-
~
LOGIC
-------1
NRL
l
~
LS273
NDOT4
FROM
TIME
BASE
GENERATOR
--------1--411---.lCK
:r
NRL
LS273
~CK
T
VIDEO
OUTPUT
CONTROL
LATCHES
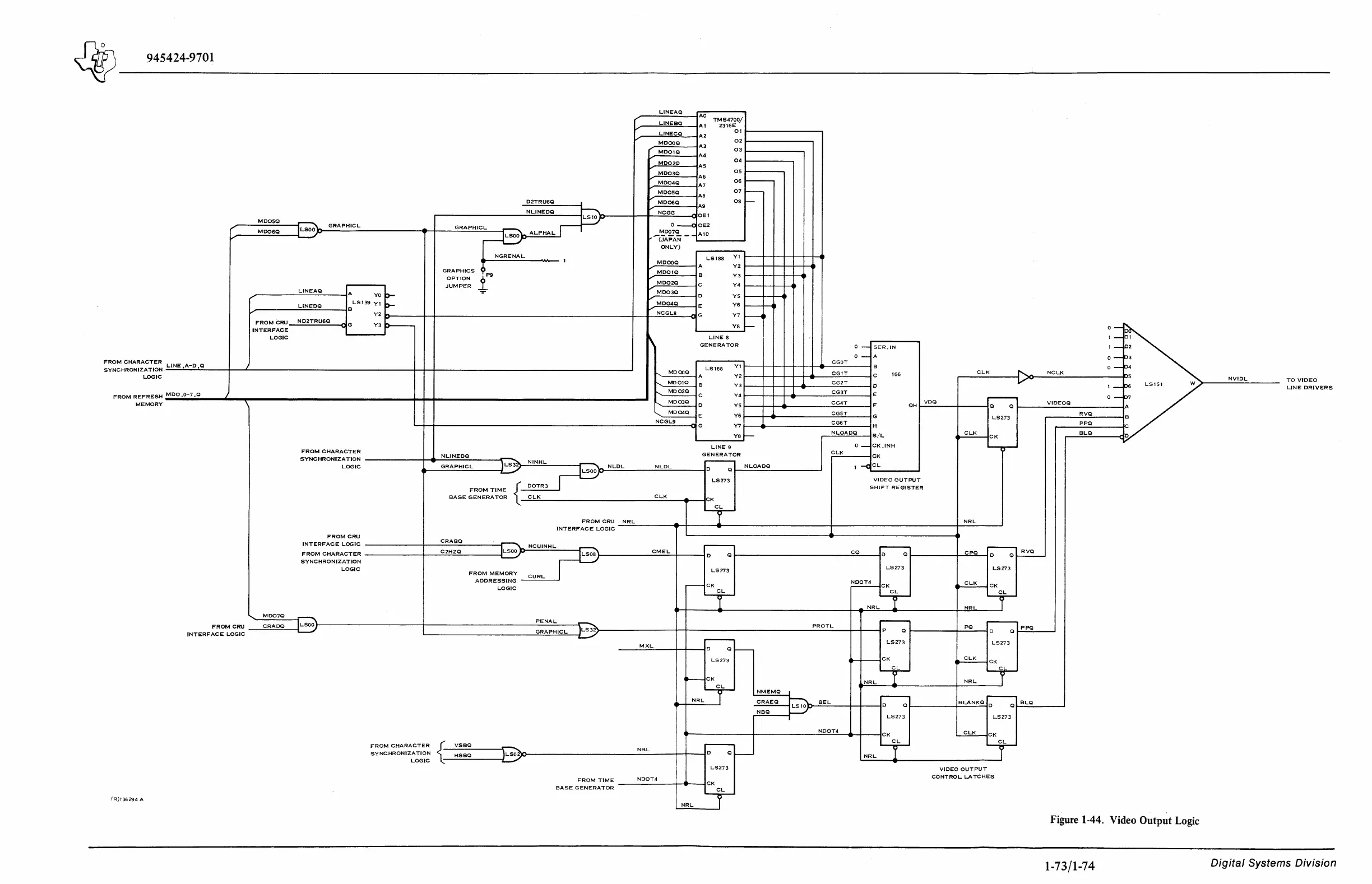
Figure 1-44. Video Output Logic
1-73/1-74
NVIDL
TO
VIDEO
LINE
DRIVERS
Digital
Systems
Division

Table of Contents

Other manuals for Texas Instruments 990

Related product manuals