EasyManua.ls Logo

Thermo Pride OD6FA072D48 - Page 34

Thermo Pride OD6FA072D48
43 pages
Print Icon
To Next Page IconTo Next Page
To Next Page IconTo Next Page
To Previous Page IconTo Previous Page
To Previous Page IconTo Previous Page
Loading...
33
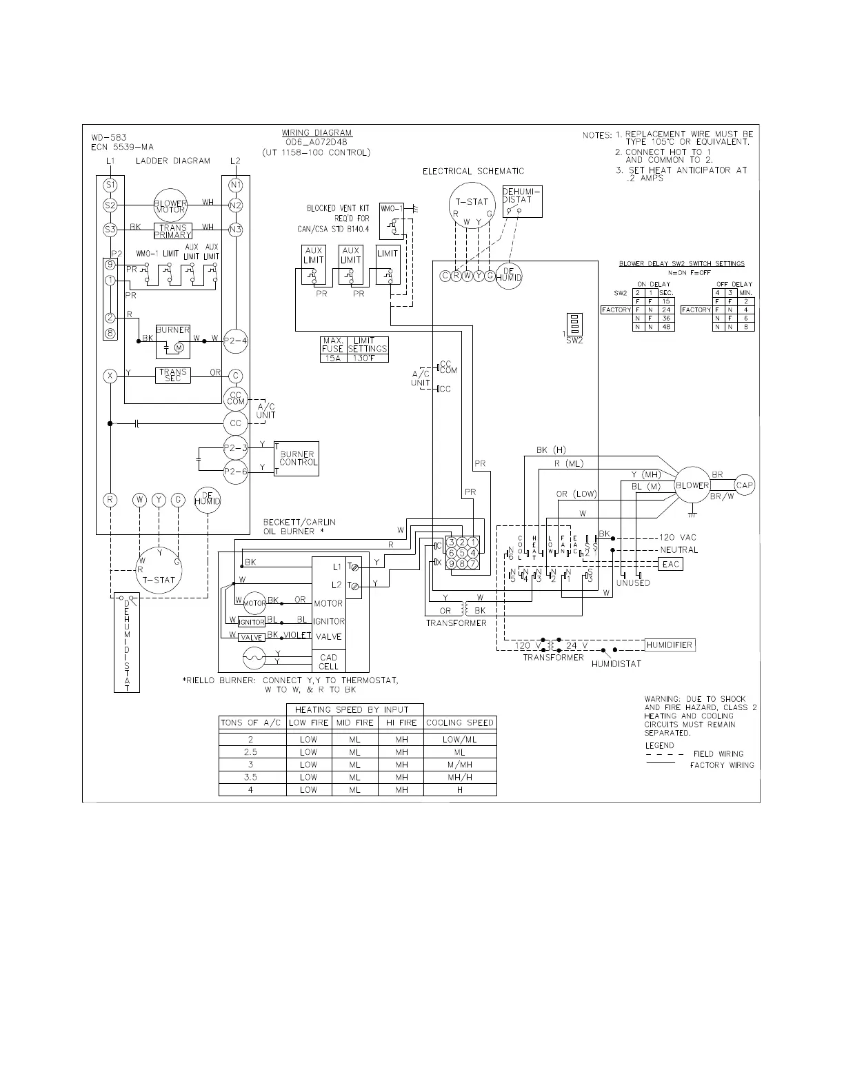
OD6*FAO72D48
(UT CONTROL)

Related product manuals