EasyManua.ls Logo

Thermo Pride OD6FA072D48R - Appendix - B Wiring Diagrams; Wiring Diagrams

Thermo Pride OD6FA072D48R
76 pages
Print Icon
To Next Page IconTo Next Page
To Next Page IconTo Next Page
To Previous Page IconTo Previous Page
To Previous Page IconTo Previous Page
Loading...
70
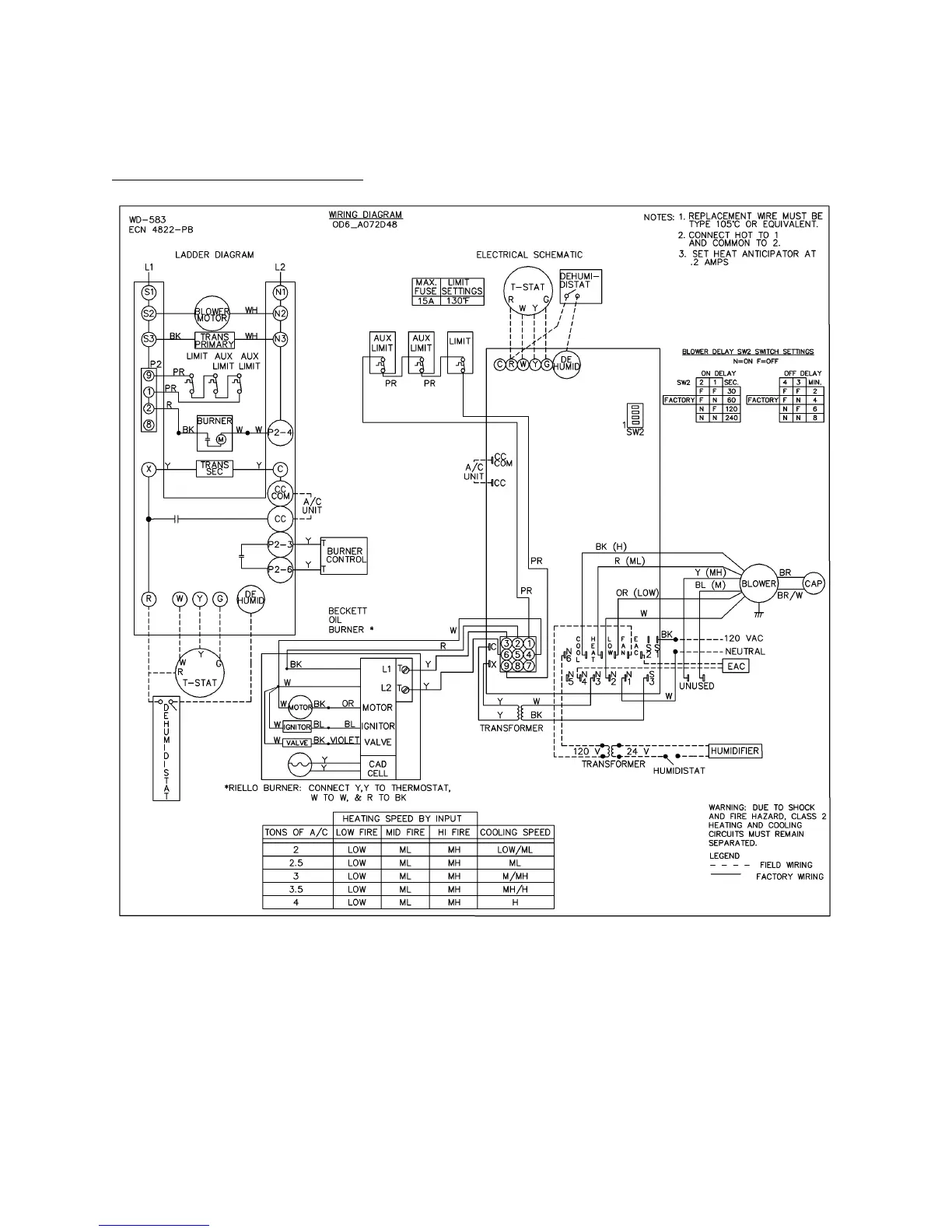
Appendix – B
Wiring Diagrams
OD6*A072D48 PSC Wiring Diagram

Related product manuals