EasyManua.ls Logo

Thinget XC3-24RT-E - Disposal of Transistor Output Circuit

Default Icon
283 pages
Print Icon
To Next Page IconTo Next Page
To Next Page IconTo Next Page
To Previous Page IconTo Previous Page
To Previous Page IconTo Previous Page
Loading...
Spec., Input/output and layout
29
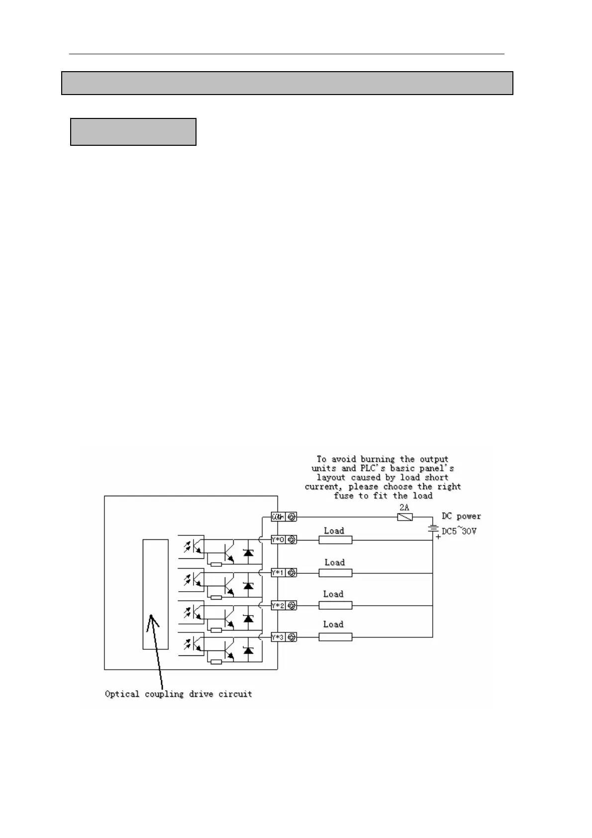
2-7. Disposal of Transistor Output Circuit
¾
z Output terminal
Basic unit’s transistor output has 1~4 public-end output.
z Exterior power
Please use DC5~30V steady-voltage power for load drive,
z Circuit insulation
Use photoelectricity coupling device to insulate PLC’s interior circuit and output
transistor. Besides, each public block is separate.
z Action denote
When drive optical couplingLED lightsoutput transistor is ON.
z Response time
From photoelectricity coupling device drive (or cut) to transistor ON (or OFF), the time
PLC uses is below 0.2ms.
z Output current
The current is 0.5A per pointBut as restrict by temperature goes up, the current is 0.8A
every four points.
z Open circuit’s current
Below 0.1mA
Transistor output circuit

Table of Contents

Related product manuals