EasyManua.ls Logo

Thytronic XMR-D - Page 108

Thytronic XMR-D
384 pages
Print Icon
To Next Page IconTo Next Page
To Next Page IconTo Next Page
To Previous Page IconTo Previous Page
To Previous Page IconTo Previous Page
Loading...
108
FUNCTION CHARACTERISTICS
Fun_32-P2.ai
P P
2
>
def
P
2
>
Start
P
2
>
Start
P
2
>
Trip
P
2
>
Trip
RESET
t
P2
>
def
0T
TRIPPING MATRIX
(LED+RELAYS)
P
2
>
Start
P
2
>
Trip
P
2
>
Block1
P
&
&
&
Enable (ONEnable)
Block1 input (ONBlock)
Block1
Block1
Block1
Binary input INx
T 0
Logic
INx
t
ON
INx
t
ON
INx
t
OFF
T0
n.o.
n.c.
INx
t
OFF
P2>DIR
P2>def
t
P2
>def
t
P2>RES
T0
t
P2>RES
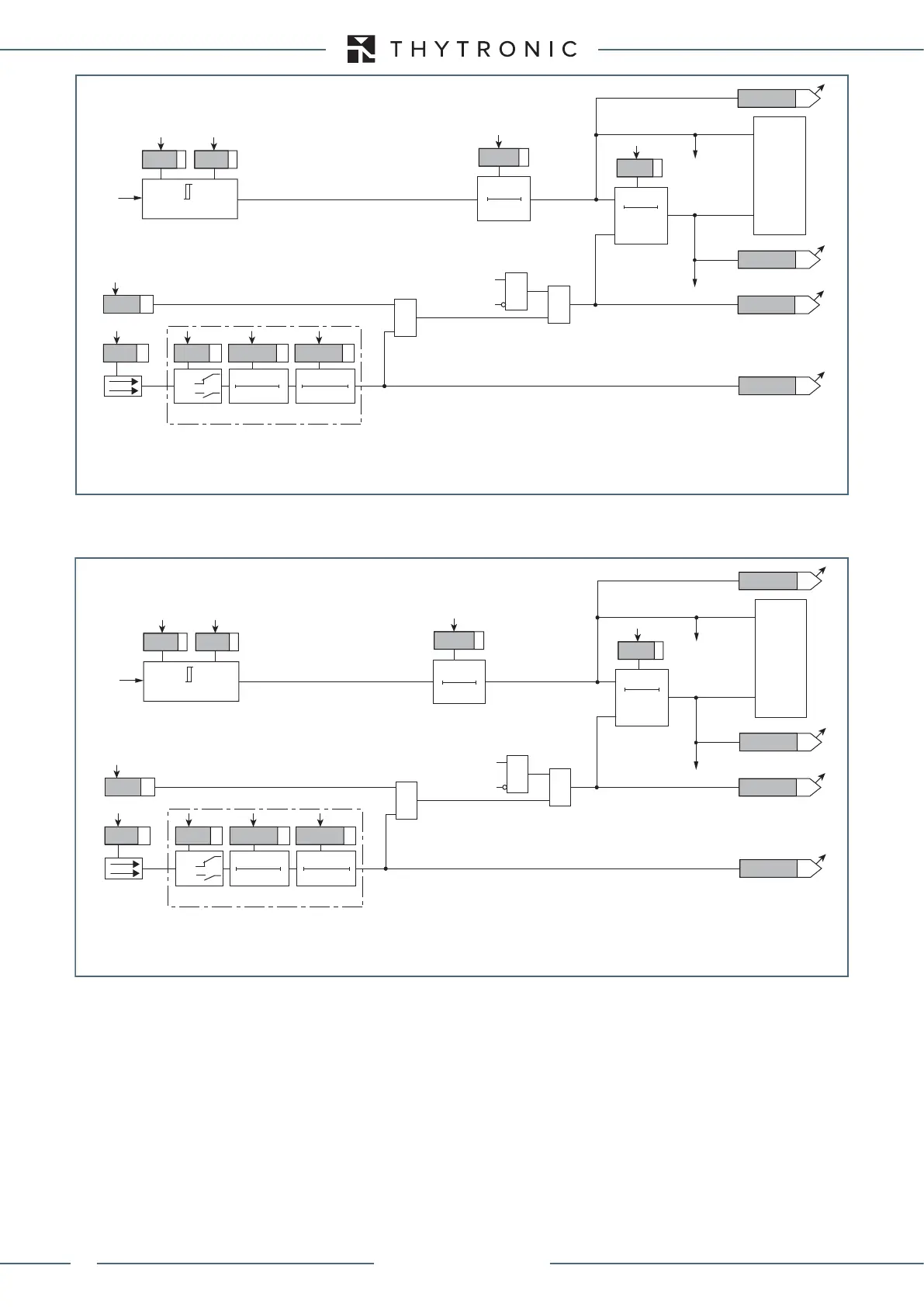
Directional active overpower (32P) - Second element logic diagram (P2>)
Fun_32-P1.ai
P P
1
>
def
P
1
>
Start
P
1
>
Start
P
1
>
Trip
P
1
>
Trip
RESET
t
P1
>
def
0T
TRIPPING MATRIX
(LED+RELAYS)
P
1
>
Start
P1>
Trip
P
1
>
Block1
P
&
&
&
Enable (ONEnable)
Block1 input (ONBlock)
Block1
Block1
Block1
Binary input INx
T 0
Logic
INx
t
ON
INx
t
ON
INx
t
OFF
T0
n.o.
n.c.
INx
t
OFF
P1>DIR
P1>def
t
P1
>def
t
P1>RES
T0
t
P1>RES
Directional active overpower (32P) - First element logic diagram (P1>)
XMR-D EQUIPMENT MANUAL
Ed. 2.9 - 02/2021

Table of Contents

Related product manuals