EasyManua.ls Logo

Thytronic XMR-D - Page 113

Thytronic XMR-D
384 pages
Print Icon
To Next Page IconTo Next Page
To Next Page IconTo Next Page
To Previous Page IconTo Previous Page
To Previous Page IconTo Previous Page
Loading...
FUNCTION CHARACTERISTICS
113
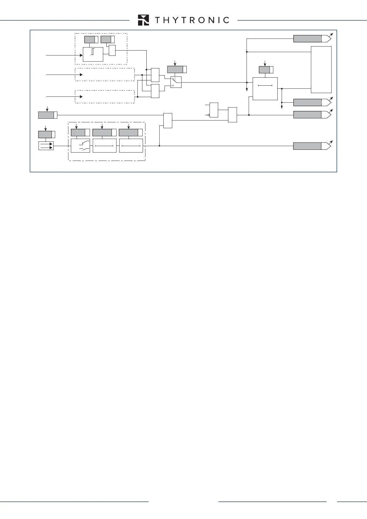
Logic diagram concerning the threshold (I<) of the undercurrent element - 37
Fun-F37_S1.ai
RESET
t
<def
0T
TRIPPING MATRIX
(LED+RELAYS)
t
<def
Start I<
I<ST-K
Start I<
I<TR-K
I<ST-L
I<TR-L
Trip I<
Trip I<
BLK1I<
&
&
&
Enable (ONEnable)
Block1 input (ONBlock)
I<BLK1
Block1
Block1
Logic37
≥1
&
I
L1L
I
L2L
I
L3L
Binary input INx (x=1...8-16)
T 0
Logic
INx
t
ON
INx
t
ON
INx
t
OFF
T0
n.o.
n.c.
INx
t
OFF
&
State
I
I<
def
I<
def
XMR-D EQUIPMENT MANUAL
Ed. 2.9 - 02/2021

Table of Contents

Related product manuals