EasyManua.ls Logo

Thytronic XMR-D - Page 116

Thytronic XMR-D
384 pages
Print Icon
To Next Page IconTo Next Page
To Next Page IconTo Next Page
To Previous Page IconTo Previous Page
To Previous Page IconTo Previous Page
Loading...
116
FUNCTION CHARACTERISTICS
Fun-F37P_S1.ai
RESET
t
P1<def
0T
TRIPPING MATRIX
(LED+RELAYS)
P1< Start
P1< Trip
P1< Block1
t
P1<def
T
t
ARM-P
<
0
t
ARM-P
<
CB-
37P
CB CLOSED
74VT Block
VT fault (74VT)
74CT Block
CT fault (74CT)
(=0 without fault)
(=0 without fault)
(ON enable control)
P1< Start
P1<ST-K
P1<ST-L
P1<TR-K
P1<TR-L
P1< Trip
&
&
&
Enable (ONEnable)
ONCB closed
Block1 input (ONBlock)
Block1
Block1
Block1
Binary input INx
T 0
Logic
INx
t
ON
INx
t
ON
INx
t
OFF
T0
n.o.
n.c.
INx
t
OFF
ONEnable P1< element
State
P P
1
<
def
P
P1<DIR
P1<def
&
(ON
Inhibit
)
Disable 27 function by operator
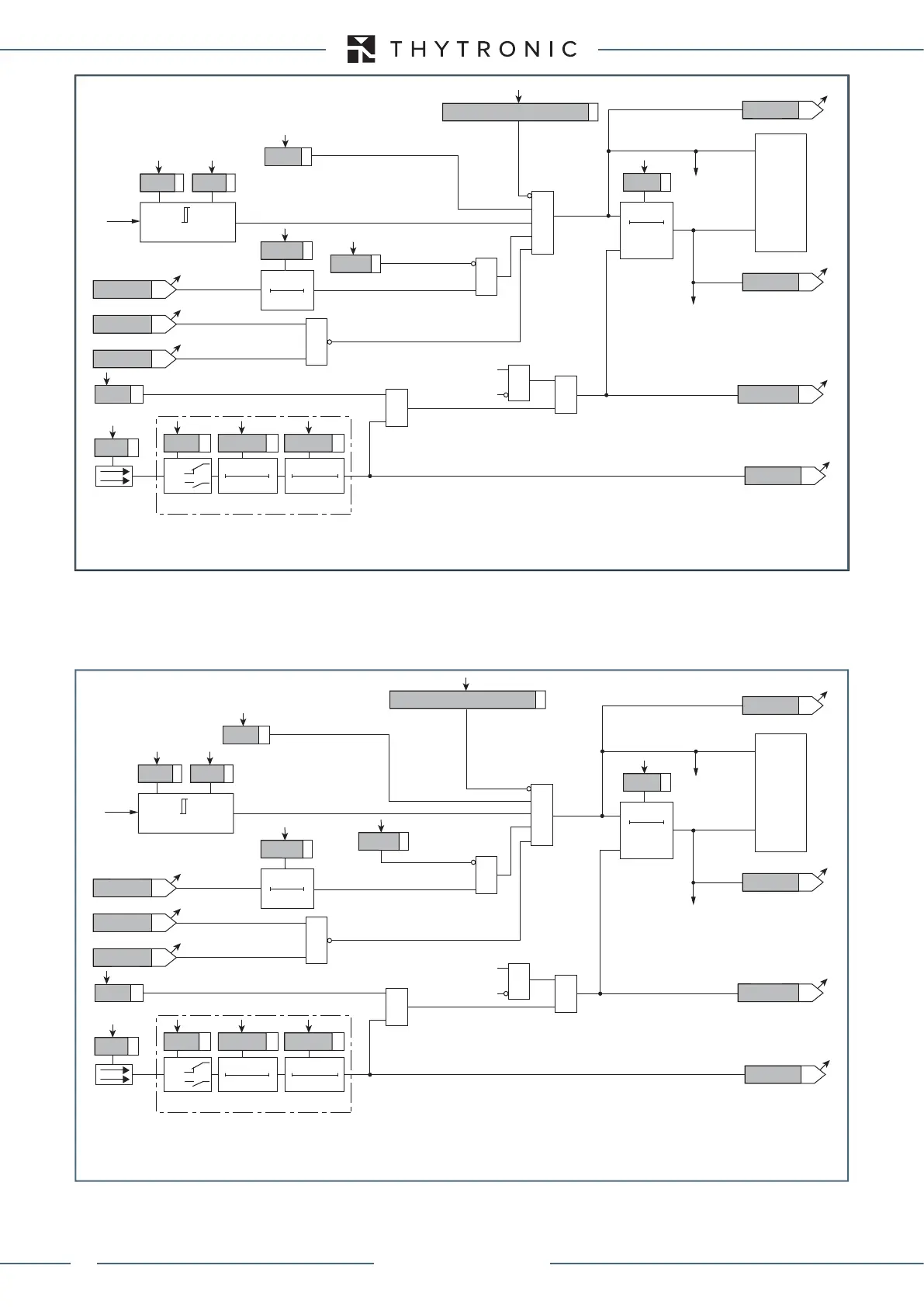
Directional active underpower (37P) - First element logic diagram (P1<)
Fun-F37P_S2.ai
RESET
t
P2<def
0T
TRIPPING MATRIX
(LED+RELAYS)
P2< Start
P2< Trip
P2< Block1
t
P2<def
T
t
ARM-P
<
0
t
ARM-P
<
CB-
37P
CB CLOSED
74VT Block
VT fault (74VT)
74CT Block
CT fault (74CT)
(=0 without fault)
(=0 without fault)
(ON enable control)
P2< Start
P2<ST-K
P2<ST-L
P2<TR-K
P2<TR-L
P2< Trip
&
&
&
Enable (ONEnable)
ONCB closed
Block1 input (ONBlock)
Block1
Block1
Block1
Binary input INx
T 0
Logic
INx
t
ON
INx
t
ON
INx
t
OFF
T0
n.o.
n.c.
INx
t
OFF
ONEnable P2< element
State
P P
2
<
def
P
P2<DIR
P2<def
&
(ON
Inhibit
)
Disable 27 function by operator
Directional active underpower (37P) - Second element logic diagram (P2<)
XMR-D EQUIPMENT MANUAL
Ed. 2.9 - 02/2021

Table of Contents

Related product manuals