EasyManua.ls Logo

Thytronic XMR-D - Page 119

Thytronic XMR-D
384 pages
Print Icon
To Next Page IconTo Next Page
To Next Page IconTo Next Page
To Previous Page IconTo Previous Page
To Previous Page IconTo Previous Page
Loading...
FUNCTION CHARACTERISTICS
119
Fun-F37Q_S1.ai
RESET
t
Q1<def
0T
TRIPPING MATRIX
(LED+RELAYS)
Q1< Start
Q1< Trip
Q1< Block1
t
Q1<def
T
t
ARM-Q
<
0
t
ARM-Q
<
CB-
37Q
CB CLOSED
74VT Block
VT fault (74VT)
74CT Block
CT fault (74CT)
(=0 without fault)
(=0 without fault)
(ON enable control)
Q1< Start
Q1<ST-K
Q1<ST-L
P1<TR-K
P1<TR-L
Q1< Trip
&
&
&
Enable (ONEnable)
ONCB closed
Block1 input (ONBlock)
Block1
Block1
Block1
Binary input INx
T 0
Logic
INx
t
ON
INx
t
ON
INx
t
OFF
T0
n.o.
n.c.
INx
t
OFF
ONEnable Q1< element
State
Q Q
1
<
def
Q
Q1<DIR
Q1<def
&
(ON
Inhibit
)
Disable 27 function by operator
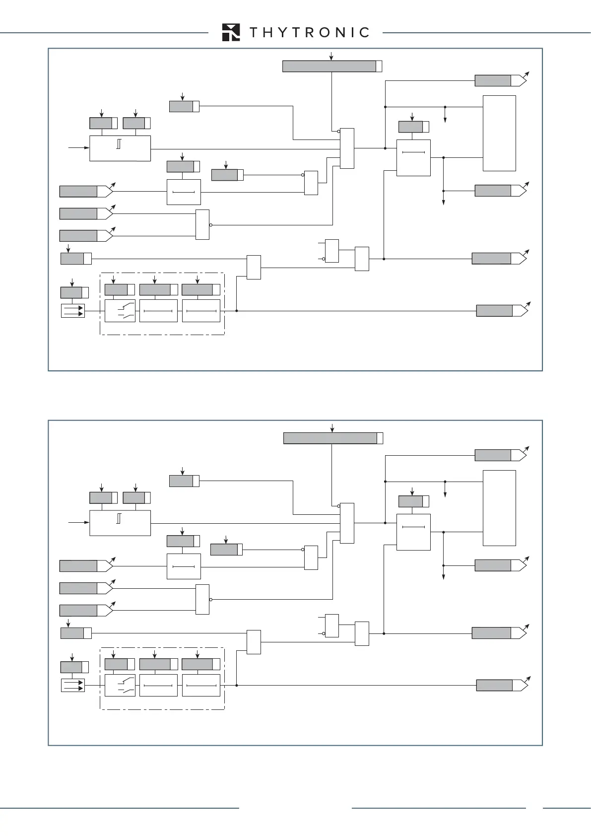
Directional reactive underpower (37Q) - First element logic diagram (Q1<)
Fun-F37Q_S2.ai
RESET
t
Q2<def
0T
TRIPPING MATRIX
(LED+RELAYS)
Q2 Start
Q2< Trip
Q2< Block1
t
Q2<def
T
t
ARM-Q
<
0
t
ARM-Q
<
CB-
37Q
CB CLOSED
74VT Block
VT fault (74VT)
74CT Block
CT fault (74CT)
(=0 without fault)
(=0 without fault)
(ON enable control)
Q2< Start
Q2<ST-K
Q2<ST-L
Q2<TR-K
Q2<TR-L
Q2< Trip
&
&
&
Enable (ONEnable)
ONCB closed
Block1 input (ONBlock)
Block1
Block1
Block1
Binary input INx
T 0
Logic
INx
t
ON
INx
t
ON
INx
t
OFF
T0
n.o.
n.c.
INx
t
OFF
ONEnable Q2< element
State
Q Q
1
<
def
Q
Q2<DIR
Q2<def
&
(ON
Inhibit
)
Disable 27 function by operator
Directional reactive underpower (37Q) - Second element logic diagram (Q2<)
XMR-D EQUIPMENT MANUAL
Ed. 2.9 - 02/2021

Table of Contents

Related product manuals