EasyManua.ls Logo

Thytronic XMR-D - Page 125

Thytronic XMR-D
384 pages
Print Icon
To Next Page IconTo Next Page
To Next Page IconTo Next Page
To Previous Page IconTo Previous Page
To Previous Page IconTo Previous Page
Loading...
FUNCTION CHARACTERISTICS
125
Fun-40_S1.ai
&
X
C1
X
D1
t
XC1XD1-RES
T0
RESET
t
XC1XD1
0T
TRIPPING MATRIX
(LED+RELAYS)
t
XC1XD1
t
XC1XD1-RES
X
C1
-X
D1
Start
X
C1
-X
D1
ST-K
X
C1
-X
D1
ST-L
X
C1
-X
D1
TR-K
X
C1
-X
D1
TR-L
X
C1
-X
D1
Start
X
C1
-X
D1
Trip
X
C1
-X
D1
Trip
Block3
1
1
74VT Block
VT fault (74VT)
Mode
X
C1
-X
D1
Block1
&
&
&
Enable (ONEnable)
Block1 input (ONBlock)
Block1
Block1
(=0 without fault)
=0 if 20f70 Hz
Block1
&
(ON
Inhibit
)
AL40 inhibition
40ALdisbyXC1XD1
Start undervoltage
&
Undervoltage enable
(ONEnable)
I
L1L
U
L1
Z
L1
,
R
L1
,
X
L1
R
L1
2
+(X
L1
+ X
C1
)
2
(X
D1
/ 2)
2
R
L1
2
+(X
L1
- X
C1
)
2
(X
D1
/ 2)
2
Binary input INx
T 0
Logic
INx
t
ON
INx
t
ON
INx
t
OFF
T0
n.o.
n.c.
INx
t
OFF
X
L1
≤ -tanAlpha40AL · R
L1
& R
L1
≤ 0
or
X
L1
≤ tanAlpha40Al · R
L1
& R
L1
> 0
X
L1
≤ tanAlpha40AL · R
L1
& R
L1
≤ 0
or
X
L1
≤ -tanAlpha40AL · R
L1
& R
L1
> 0
Alpha40AL
Mode = GENERATOR
Mode = MOTOR
U
L1
≥ 10%E
n
I
L1L
≥ 5%I
nL
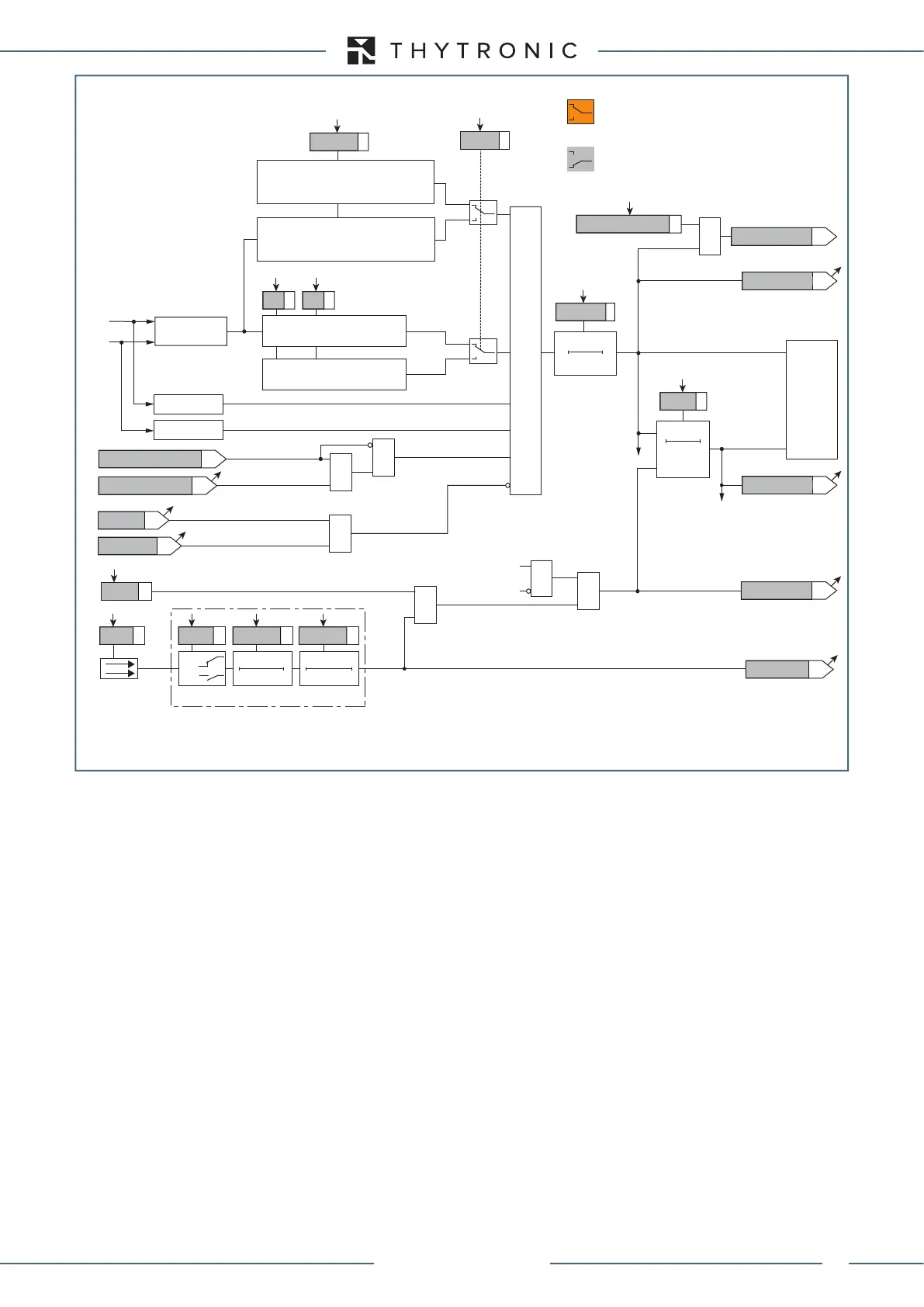
Logic diagram concerning the first threshold of the loss of field element - 40
XMR-D EQUIPMENT MANUAL
Ed. 2.9 - 02/2021

Table of Contents

Related product manuals