EasyManua.ls Logo

Thytronic XMR-D - Page 129

Thytronic XMR-D
384 pages
Print Icon
To Next Page IconTo Next Page
To Next Page IconTo Next Page
To Previous Page IconTo Previous Page
To Previous Page IconTo Previous Page
Loading...
FUNCTION CHARACTERISTICS
129
46LTS1.ai
I
2
t
2>RES
T0
RESET
t
2 >
0T
1
1
t
2>def
t
2>inv
t
2>RES
Start I2>
Trip I2>
CB-State
Start I
2ndh>
ONInhibit (from I2>> element)
ONEnable I2> overcurrent element
(Pickup within CLP)
(Pickup outside CLP)
I2> inhibition
Block1, Block2
&
T 0
t
2CLP>
&
2nd harmonic restraint enable (ONEnable)
I2>2ndh-REST
I2CLP>Mode
I
2
CLP
>def
t
2CLP
>
I
2
CLP
>inv
I
2
I
2
>
TRIPPING MATRIX
(LED+RELAYS)
I
2
> Curve
0T
A
B
C
A =“1”A =“0 or OFF”
Output
t
2CLP>
I2> Enable
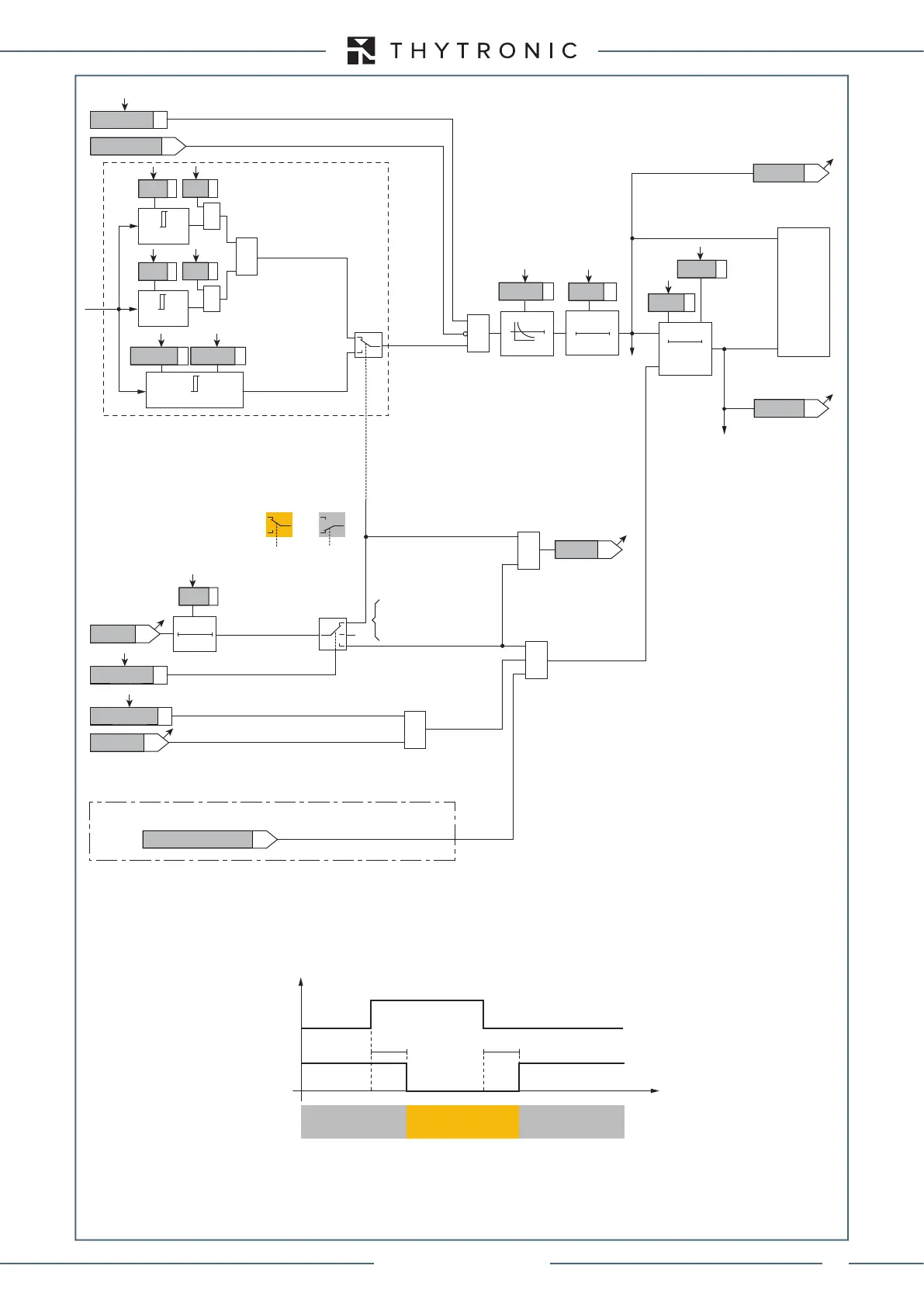
I2> Negative sequence overcurrent element (46) block diagram
t
2CLP>
CB State
CB OPEN CB CLOSED CB OPEN
Output t
2CLP>
t
0.1 s
HIGH THRESHOLD/
BLOCK
LOW THRESHOLD/
UNBLOCK
HIGH THRESHOLD/
BLOCK
A = ON - Change setting
B = OFF
C = ON - Element blocking
I2>TR-K
I2>TR-L
I2>ST-L
I2>ST-K
1
CLP I2>
&
State
I
2
>
inv
I
2
I
2
>
def
I
2
I
2
>
inv
I
2
>
def
&
State
Negative sequence overcurrent (46LT) - first threshold logic diagram (I2>)
XMR-D EQUIPMENT MANUAL
Ed. 2.9 - 02/2021

Table of Contents

Related product manuals