EasyManua.ls Logo

Thytronic XMR-D - Page 139

Thytronic XMR-D
384 pages
Print Icon
To Next Page IconTo Next Page
To Next Page IconTo Next Page
To Previous Page IconTo Previous Page
To Previous Page IconTo Previous Page
Loading...
FUNCTION CHARACTERISTICS
139
The first overcurrent element can be programmed with definite or inverse time characteristic by
setting the I2>Curve parameter (
DEFINITE,IEC/BSA,IEC/BSB,IEC/BSC,ANSI/IEEMI,
ANSI/IEEVI,ANSI/IEEEI,I2t,EM) available inside the Set \ Profile A (or B) \ Negative sequen-
ce overcurrent - 46 \ I2> Element \ Setpoints menu.
The trip of I2> element may be inhibited by the start of the second element (I2>>) by set-
ting ON the Disable I2> by start I2>> (I2>disbyI2>>) parameter available inside the
Set \ Profile A (or B) \ Negative sequence overcurrent-46 \ I2>> Element \ Setpoints menu.
All the parameters can be set separately for Profile A and Profile B (Set \ Profile
A (or B) \ Negative sequence overcurrent - 46 \ I2> Element (I2>> Element) \ Setpoints menus).
An adjustable reset time delay is provided for every threshold (t
2
>
RES
, t
2
>>
RES
).
Breaker failure (BF)
Each thresholds (I2>, I2>>) can be associated to BF (H) and BF (L) protection by activating the relative
parameter in the matrices “Selection of function tripping for BF (H)” or “Selection of function tripping
for BF (L)” in relevant BF menus
[1]
:
• Set \ Profile A (or B) \ Breaker failure - BF side H
• Set \ Profile A (or B) \ Breaker failure - BF side L
If the CLP function (Cold Load Pick-up) is enabled for element blocking, the selected threshold may
Note 1 The common settings concerning the Breaker failure protection are adjustable inside the Breaker Failure - BF menu.
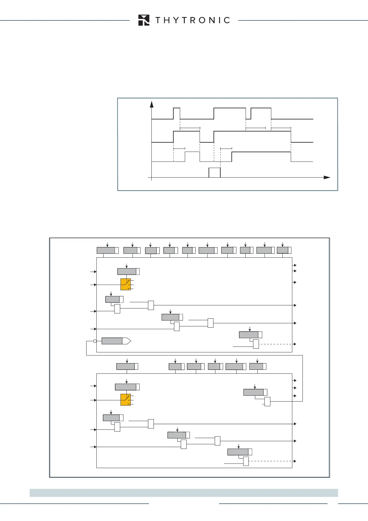
Timers-F46M.ai
I2> Start
I2> Trip
t
2
> t
2
>
RESET
INPUT
t
2
>
RES
t
2
>
RES
t
2
>
RES
t
I2> element timers - 46M
all-F46M.ai
I
2
BLK1I2>>
I2>> Element
BLK2OUT
Start I2>>
Start I2>>
Trip I2>>
&
I2> disbyI>>
&
I2>>BLK1
&
I2>>BLK2IN
t2
>>
def
I2CLP>>
def
I2>>
def
t2CLP>>
t2
>>
RES
I2>> Enable
I2> inhibition
Block1
BLK1I2>
CLPI2>
CLPI2>>
I
2
I2> Element
BLK2OUT
BLK2INI2>
BLK2INI>>
Start I2>
Trip I2>
&
I2>BLK1
Block2
&
I2>BLK2IN
I2>BLK2OUT
Start I2>
&
I2>>BLK2OUT
Start I2>>
&
Block1
Block2
t2>
def
I2CLP>
def
I2>
def
t2>
inv
I2CLP>
inv
I2>
inv
I2>Curve
t2CLP>
t2>
RES
I2> Enable
Start I2>
&
Start I2>>
&
Start I2>>
&
Start I2>
&
General logic diagram of the negative sequence overcurrent elements - 46M
I2CLP>Mode
Starting control set
Change setting
Element blocking
OFF
I2CLP>>Mode
Starting control set
Change setting
Element blocking
OFF
XMR-D EQUIPMENT MANUAL
Ed. 2.9 - 02/2021

Table of Contents

Related product manuals