EasyManua.ls Logo

Thytronic XMR-D

Thytronic XMR-D
384 pages
To Next Page IconTo Next Page
To Next Page IconTo Next Page
To Previous Page IconTo Previous Page
To Previous Page IconTo Previous Page
Loading...
142
FUNCTION CHARACTERISTICS
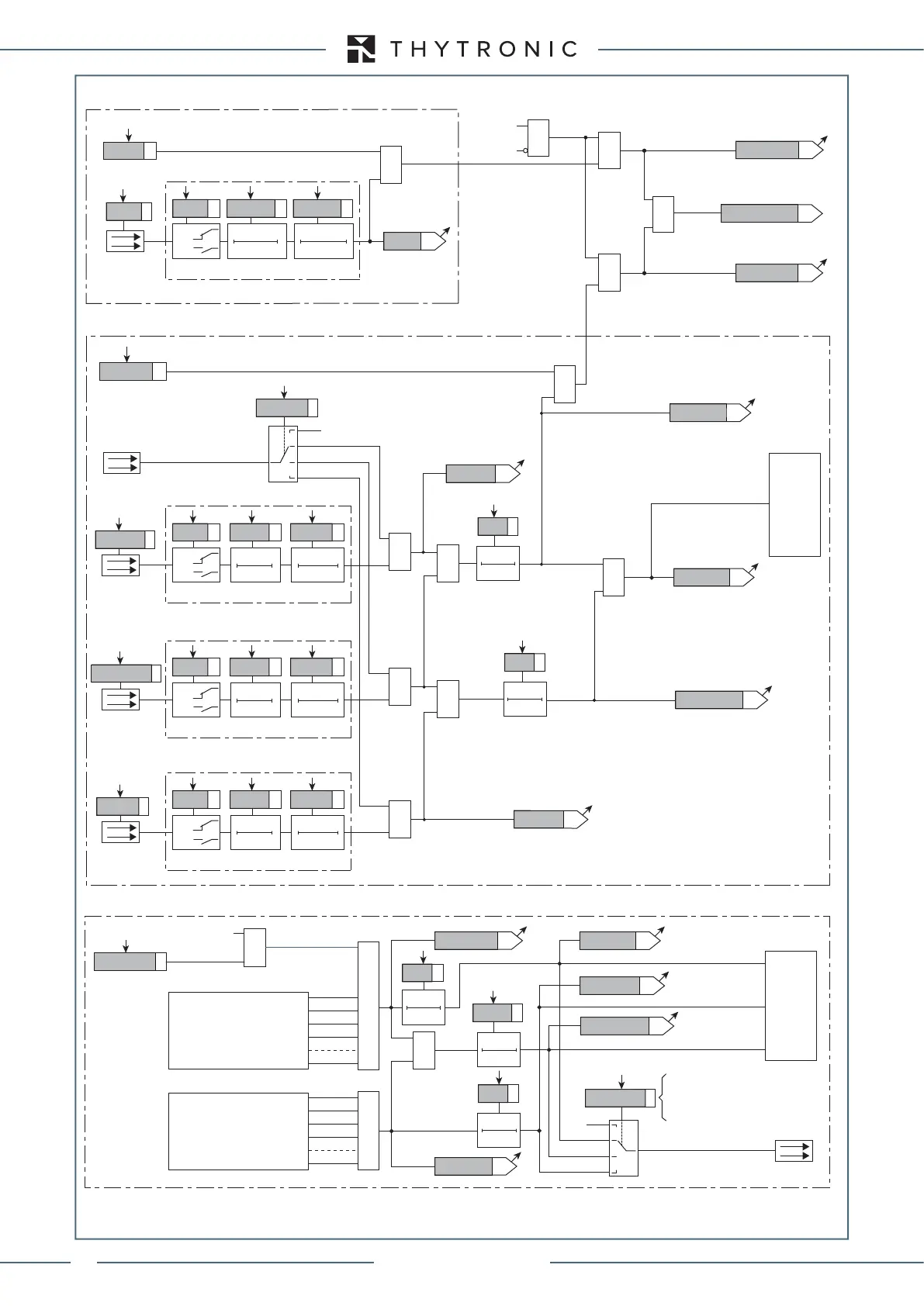
Negative sequence overcurrent (46M) - Logic diagram of the blocking signals concerning the first element (I2>)
Binary input INx
T 0
Logic
INx
t
ON
INx
t
ON
INx
t
OFF
T0
n.o.
n.c.
INx
t
OFF
Binary input INx
T 0
Logic
INx
t
ON
INx
t
ON
INx
t
OFF
T0
n.o.
n.c.
INx
t
OFF
Binary input INx
T 0
Logic
INx
t
ON
INx
t
ON
INx
t
OFF
T0
n.o.
n.c.
INx
t
OFF
Binary input INx
T 0
Logic
INx
t
ON
INx
t
ON
INx
t
OFF
T0
n.o.
n.c.
INx
t
OFF
Block2 IPh
Block2 IPh/IE
ModeBLIN1
T0
t
B-Iph
46MS1_BL-diagram.ai
1
1
1
1
t
B-Iph
t
B-IE
BLK1I2>
&
&
BLK2IN I2>
&
&
Enable (ONEnable)
I2>BLK1
Block2 input enable (ONEnable)
Pilot wire input
&
I2>BLK2IN
Block1
BLK2IN-Iph
Start I
2
>
Trip I
2
>
Iph Block2
IE Block2
BLK2IN-IE
tB timeout
Block2 input
tB-K
tB-L
Block1
FROM ANY PROTECTIONS
FROM PHASE PROTECTIONS
OFF
ON IPh
ON IPh/IE
ON IE
BLIN1
Block1
T0
t
B-IE
Block2 IE
1
Block1, Block2
TRIPPING MATRIX
(LED+RELAYS)
1
1
Pilot wire output
TRIPPING MATRIX
(LED+RELAYS)
ModeBLOUT1
A
B
C
D
BLOUT1
Block2 output
1
t
F-IPh
t
F-IPh/IE
t
F-IE
ST-Iph BLK2
ST-IE BLK2
&
Block2 output
(ONEnable)
I2>BLK2OUT
Start I2>
T0
t
F-IPh/IE
T0
t
F-IPh
T0
t
F-IE
BLK2OUT-Iph
BLK2OUT-Iph/IE
BLK2OUT-IE
A = OFF
B = ON IPh
C = ON IPh/IE
D = ON IE
BLK2OUT-IPh-K
BLK2OUT-IPh-L
BLK2OUT-IPh/IE-K
BLK2OUT-IPh/IE-L
BLK2OUT-IE-K
BLK2OUT-IE-L
FROM EARTH FAULT PROTECTIONS
I2> Block2 OUT
All other BLK2OUT outputs
of phase elements
(see BLK2OUT chapter)
1
All BLK2OUT outputs
of ground elements
(see BLK2OUT chapter)
1
XMR-D EQUIPMENT MANUAL
Ed. 2.9 - 02/2021

Table of Contents

Related product manuals