EasyManua.ls Logo

Thytronic XMR-D - Page 221

Thytronic XMR-D
384 pages
Print Icon
To Next Page IconTo Next Page
To Next Page IconTo Next Page
To Previous Page IconTo Previous Page
To Previous Page IconTo Previous Page
Loading...
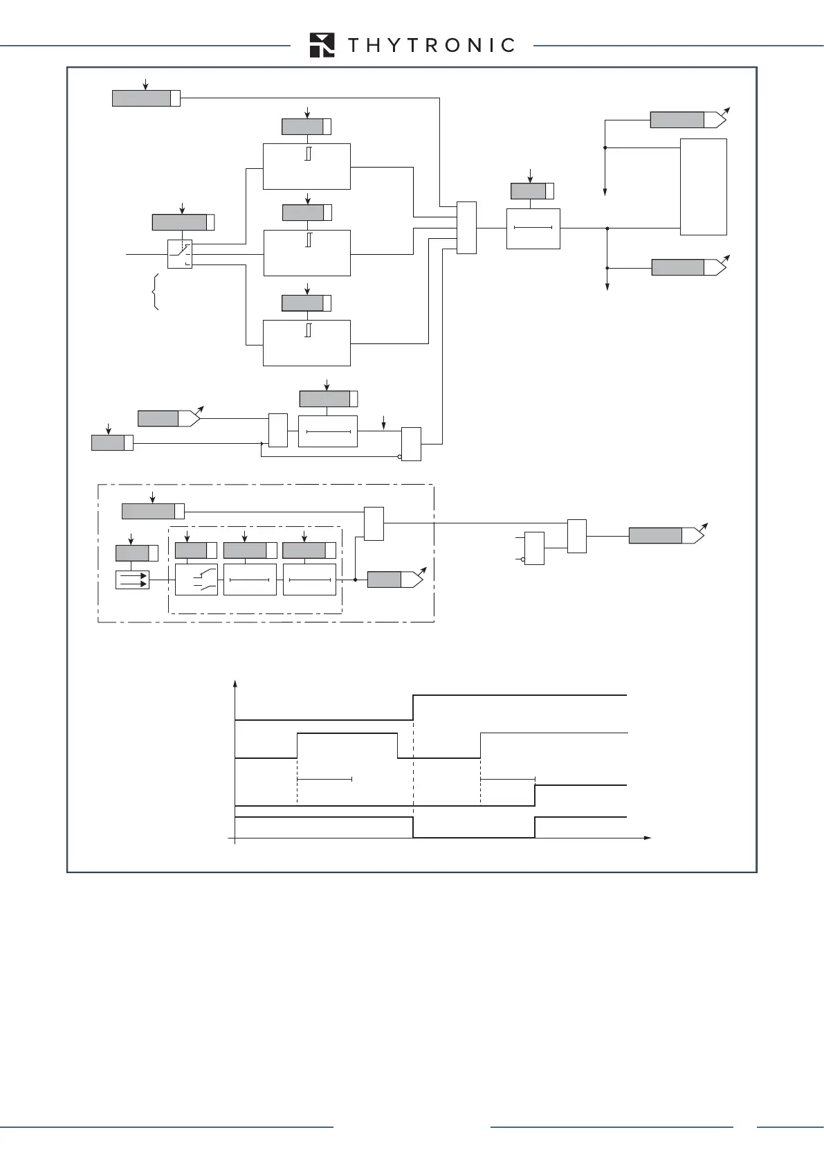
FUNCTION CHARACTERISTICS
221
55S1.ai
State = ON Enable 55 element
CPhi< Enable
t
CPhi1
<
0T
1
t
CPhi1
<
StartCPhi1<
Trip CPhi1<
CB-State
CPhi1<ST-K
CPhi1<TR-K
CPhi1<TR-L
CPhi1<ST-L
T 0
t
ARM-CPhi
<
t
ARM-CPhi
<
CPhi1<
DIR
TRIPPING MATRIX
(LED+RELAYS)
A
B
C
ON Enable CB acquisition
CB-55
t
ARM-CPhi<
CB State
CB-55
CB OPEN CB CLOSED
Start enable
CB OPEN
Output
t
ARM-CPhi<
Output
t
ARM-CPhi<
t
t
ARM-CPhi<
&
ϕ
CPhi1<
cosϕ < CPhi1<
(0 ≤ ϕ ≤ π)
(Q > 0)
(Q < 0)
(Q qualsiasi)
&
Trip CPhi1<
Start CPhi1<
Binary input INx
T 0
Logic
INx
t
ON
INx
t
ON
INx
t
OFF
T0
n.o.
n.c.
INx
t
OFF
BLK1CPhi1<
&
&
&
Enable (ONEnable)
CPhi1<BLK1
Block1
Block1
Block1
A = lag
B = lead
C = lag/lead
CPhi1<
cosϕ < CPhi1<
(-π ≤ ϕ ≤ π)
CPhi1<
cosϕ < CPhi1<
(-π ≤ ϕ ≤ 0)
Minimum power factor - 55 First element
XMR-D EQUIPMENT MANUAL
Ed. 2.9 - 02/2021

Table of Contents

Related product manuals