EasyManua.ls Logo

Thytronic XMR-D - Page 224

Thytronic XMR-D
384 pages
Print Icon
To Next Page IconTo Next Page
To Next Page IconTo Next Page
To Previous Page IconTo Previous Page
To Previous Page IconTo Previous Page
Loading...
224
FUNCTION CHARACTERISTICS
The first threshold trip (U>) may be inhibited by start of the second threshold (U>>) by setting ON
the U> Disabling by U>> start (U>disbyU>>) parameter available inside the Set \ Profile A (or B) \
Overvoltage-59 \ U>> Element \ Setpoints menu.
Breaker failure (BF)
Each thresholds (U>, U>>) can be associated to BF (H) and BF (L) protection by activating the relative
parameter in the matrices “Selection of function tripping for BF (H)” or “Selection of function trip-
ping for BF (L)” in relevant BF menus
[1]
:
Set \ Profile A (or B) \ Breaker failure - BF side H
Set \ Profile A (or B) \ Breaker failure - BF side L
Note 1 The common settings concerning the Breaker failure protection are adjustable inside the Breaker Failure - BF menu.
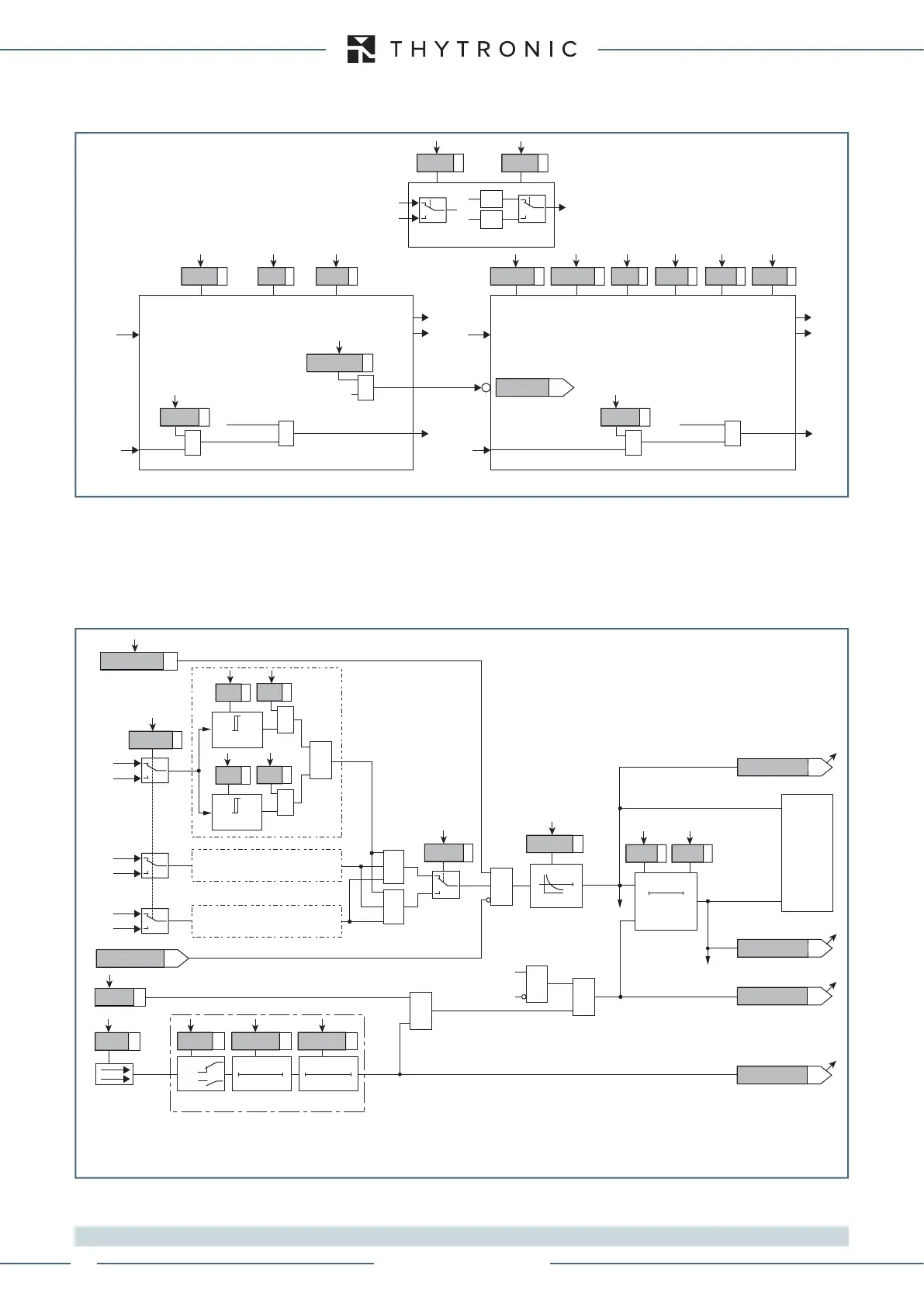
all-F59.ai
General logic diagram of the overvoltage elements - 59
U U
U> Element
U>> Element
Start U>>
Start U>>
Start U>
Trip U>
Trip U>>
&
U> disbyU>>
U> inhibition
t
U>
def
t
U>
inv
U>
def
t
U>>
def
U>>
def
U>
inv
U> Curve U> Enable State
Block1
BLK1U>
&
U>BLK1
Start U>
&
Block1
BLK1U>>
&
U>>BLK1
Start U>>
&
AND
U
12
,U
23
,U
31
U
U
L1
,U
L2
,U
L3
OR
Common configuration
Utype59
Logic59
Fun-F59_S1.ai
U> Curve
0T
RESET
t
U>
0T
TRIPPING MATRIX
(LED+RELAYS)
t
U>def
t
U>inv
Start U>
U>ST-K
Start U>
U>TR-K
U>ST-L
U>TR-L
Trip U>
Trip U>
BLK1U>
&
&
&
Enable (ONEnable)
Block1 input (ONBlock)
U>BLK1
Block1
Block1
Binary input INx
T 0
Logic
INx
t
ON
INx
t
ON
INx
t
OFF
T0
n.o.
n.c.
INx
t
OFF
U> Inhibition
(ON
Inhibit
)
&
Logic59
≥1
&
Utype59
U
L1
U
12
U
L2
U
23
U
L3
U
31
1
&
State
U>
inv
U
U>
def
U
U>
inv
U>
def
&
State
ONEnable U> overvoltage element
U> Enable
Logic diagram concerning the first threshold (U>) of the overvoltage element - 59
XMR-D EQUIPMENT MANUAL
Ed. 2.9 - 02/2021

Table of Contents

Related product manuals