EasyManua.ls Logo

Thytronic XMR-D - Page 237

Thytronic XMR-D
384 pages
Print Icon
To Next Page IconTo Next Page
To Next Page IconTo Next Page
To Previous Page IconTo Previous Page
To Previous Page IconTo Previous Page
Loading...
FUNCTION CHARACTERISTICS
237
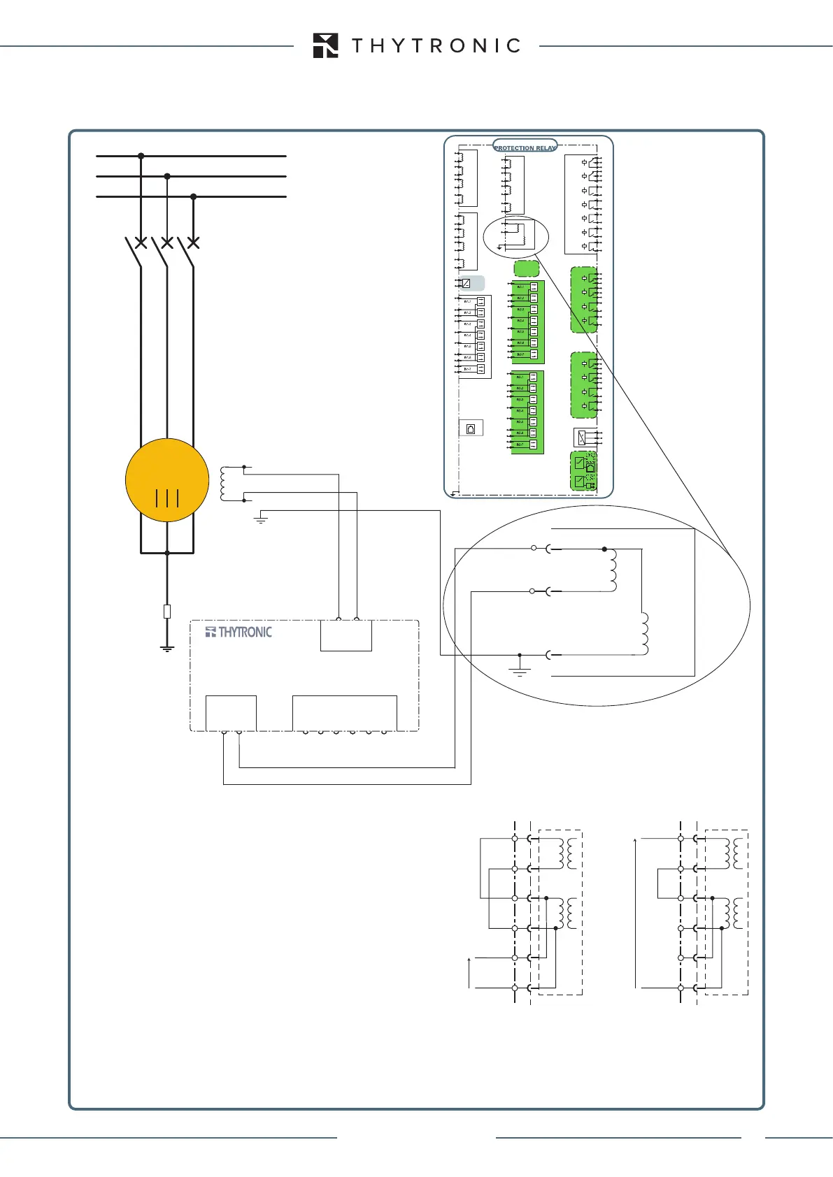
Wiring diagram of M-REF module related to function 64F in XMR-D relay.
Wiring have to be made according to the Uaux voltage.
L1
L2
L3
GS
L+
L-
TO ROTOR
L+
MB MA
L-
1 2
1 2 3 4 5 6
M-REF
MA-1
230V~
MA-2
MA-3
MA-4
MA-5
MA-6
MA-1
110V~
MA-2
MA-3
MA-4
MA-5
MA-6
U
AUX
64F = 230V~
U
AUX
64F = 110V~
Rotor Ground
Note [1]
2 redundant ports selectable with HW-SW switch command among:
• TX (RJ45) + FX (Fibre Optic)
• TX + TX
• FX + FX
U
L1
U
L2
U
L3
U
E
VOLTAGE INPUTS
7
8
5
6
3
4
1
2
1
I
L1
-L
I
L2
-L
I
L3
-L
I
E1
CURRENT INPUTS
2
3
4
5
6
7
8
Local Ethernet
RS485
2
3
B-
A+
X
U
AUX
1
C
B
A
IN1F
BINARY INPUTS
1
2
3
4
5
6
7
8
9
10
IN2G
BINARY INPUTS
1
2
3
4
5
6
7
8
9
10
OUTPUT RELAYS
E3
E4
E5
E6
E7
E8
K1
K2
E1
E2
K3
K4
K5
K6
K7
L1
L2
L3
L9
L10
OC1L
K1-1
L4
L5
L6
K1-2
L7
L8
K1-3
K1-4
XMR-D
OPTIONS
TX
[1]
TX
[1]
FX
[1]
FX
[1]
ETHERNET
1
R_TERM
D1
D2
D3
D4
D5
D6
E9
E10
M1
M2
M3
M9
M10
OC2M
K2-1
M4
M5
M6
K2-2
M7
M8
K2-3
K2-4
IN3H
BINARY INPUTS
1
2
3
4
5
6
7
8
9
10
1
I
L1
-H
I
L2
-H
I
L3
-H
I
E2
CURRENT INPUTS
2
3
4
5
6
7
8
Z
V
I
64F INPUTS
L-IN
COM-RES
PE
Y
1
2
3
V
I
64F INPUTS
L-IN
COM-RES
PE
Y
1
2
3
XMR-D EQUIPMENT MANUAL
Ed. 2.9 - 02/2021

Table of Contents

Related product manuals