EasyManua.ls Logo

Thytronic XMR-D

Thytronic XMR-D
384 pages
To Next Page IconTo Next Page
To Next Page IconTo Next Page
To Previous Page IconTo Previous Page
To Previous Page IconTo Previous Page
Loading...
248
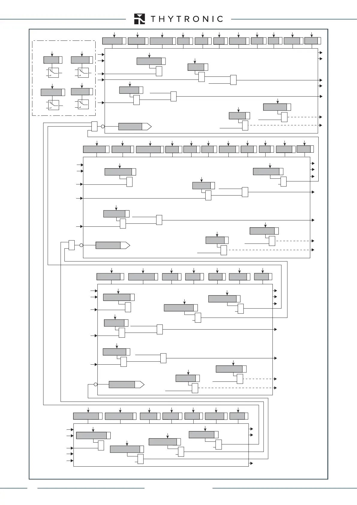
FUNCTION CHARACTERISTICS
all-F67.ai
General logic diagram of the phase directional overcurrent elements - 67
Start IPD>>
&
IPD> disbyIPD>>
t
PD>>
def
I
PDCLP>>def
I
PD>>def
t
PD
>>
inv
I
PDCLP>>inv
I
PD>>inv
IPD>>Curve
IPDCLP>>Mode
t
PDCLP
>>
t
PD>>RES
IPD>> Enable
CLPIPD>
CLPIPD>>
U
12
, U
23
, U
31
I
L1
, I
L2
, I
L3
U
12
, U
23
, U
31
I
L1
, I
L2
, I
L3
U
12
, U
23
, U
31
I
L1
, I
L2
, I
L3
U
12
, U
23
, U
31
I
L1
, I
L2
, I
L3
IPD> Element
IPD>> Element
Start IPD>
Trip IPD>
Start IPD>>
Trip IPD>>
Start I2ndh>
&
IPD>>2ndh-REST
Start I2ndh>
&
IPD>2ndh-REST
BLK2OUT
IPD>BLK2OUT
Start IPD>
&
BLK2OUT
IPD>>BLK2OUT
Start IPD>>
&
BLK4OUT
IPD>BLK4
Start IPD>
&
BLK4OUT
IPD>>BLK4
Start IPD>>
&
t
PD>
def
I
PDCLP>
def
I
PD> def
t
PD>
inv
I
PDCLP> inv
I
PD>
inv
IPD>Curve
IPDCLP>Mode
t
PDCLP>
t
PD>
RES
IPD> Enable
IPD> inhibition
IPD>> inhibition
IPD>>> inhibition
Block1
BLK1IPD>
&
IPD>BLK1
Start IPD>
&
&
IPD>>BLK2IN
BLK2INIPD>>
Block2
Start IPD>>
&
BLK2INIPD>
Block2
&
IPD>BLK2IN
Start IPD>
&
BLK1IPD>>
&
IPD>>BLK1
Block1
Start IPD>>
&
t
PD>>>
def
I
PDCLP>>>def
I
PD>>>def
IPDCLP>>>Mode
t
PDCLP
>>>
t
PD>>>RES
IPD>>> Enable
Start IPD>>>
&
IPD> disbyIPD>>>
Start IPD>>>
&
IPD>> disbyIPD>>>
CLPIPD>>>
CLPIPD>>>>,
IPD>>> Element
Start IPD>>>
Trip IPD>>>
Start I2ndh>
&
IPD>>>2ndh-REST
Start I2ndh>
&
IPD>>>>2ndh-REST
BLK2OUT
BLK2OUT, BLK4OUT
IPD>>>BLK2OUT
Start IPD>>>
&
BLK4OUT
IPD>>>BLK4
Start IPD>>>
&
&
IPD>>>BLK2IN
BLK2INIPD>>>>,
Block2
Start IPD>>>
&
BLK1IPD>>>
BLK1IPD>>>>,
&
IPD>>>BLK1
Block1
Block1
Block2
Start IPD>>>
&
t
PD>>>>def
I
PDCLP>>>>def
I
PD>>>>def
IPDCLP>>>>Mode
t
PDCLP
>>>>
t
PD>>>>RES
IPD>>>> Enable
Start IPD>>>
&
IPD> disIPD>>>>
Start IPD>>>>
&
IPD>> disIPD>>>>
IPD>>>> Element
Start IPD>>>>
Trip IPD>>>>
Start IPD>>>>
&
IPD>>> disIPD>>>>
Common configurations
Logic76
1/3
2/3
ON
OFF
74VText67
ON
OFF
74VTint67
I
I∙cos
Mode67
XMR-D EQUIPMENT MANUAL
Ed. 2.9 - 02/2021

Table of Contents

Related product manuals