EasyManua.ls Logo

Thytronic XMR-D

Thytronic XMR-D
384 pages
To Next Page IconTo Next Page
To Next Page IconTo Next Page
To Previous Page IconTo Previous Page
To Previous Page IconTo Previous Page
Loading...
256
FUNCTION CHARACTERISTICS
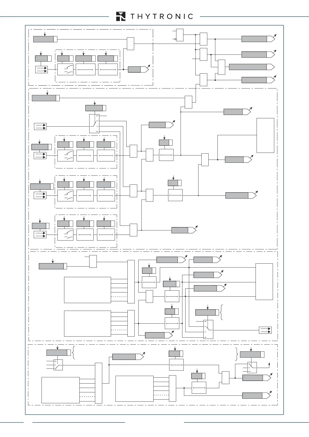
Phase directional overcurrent (67) - Logic diagram of the blocking signals concerning the third element (IPD>>>)
Pilot wire output
TRIPPING MATRIX
(LED+RELAYS)
ModeBLOUT1
A
B
C
D
BLOUT1
Block2 output
1
t
F-IPh
t
F-IPh/IE
t
F-IE
ST-Iph BLK2
ST-IE BLK2
T0
t
F-IPh/IE
T 0
t
F-IPh
T0
t
F-IE
BLK2OUT-Iph
BLK2OUT-Iph/IE
BLK2OUT-IE
A = OFF
B = ON IPh
C = ON IPh/IE
D = ON IE
BLK2OUT-IPh-K
BLK2OUT-IPh-L
BLK2OUT-IPh/IE-K
BLK2OUT-IPh/IE-L
BLK2OUT-IE-K
BLK2OUT-IE-L
Binary input INx
T 0
Logic
INx
t
ON
INx
t
ON
INx
t
OFF
T0
n.o.
n.c.
INx
t
OFF
Binary input INx
T 0
Logic
INx
t
ON
INx
t
ON
INx
t
OFF
T0
n.o.
n.c.
INx
t
OFF
Binary input INx
T 0
Logic
INx
t
ON
INx
t
ON
INx
t
OFF
T0
n.o.
n.c.
INx
t
OFF
Binary input INx
T 0
Logic
INx
t
ON
INx
t
ON
INx
t
OFF
T0
n.o.
n.c.
INx
t
OFF
Block2 IPh
Block2 IPh/IE
ModeBLIN1
T0
t
B-Iph
67S3_BL-diagram.ai
1
1
1
1
t
B-Iph
t
B-IE
BLK1IPD>>>
BLK4IN IPD>>>
&
&
&
BLK2IN IPD>>>
&
&
Enable (ONEnable)
IPD>>>BLK1
Block2 input enable (ONEnable)
Pilot wire input
&
IPD>>>BLK2IN
Block1
BLK2IN-Iph
Start I
PD
>>>
Trip I
PD
>>>
Iph Block2
IE Block2
BLK2IN-IE
tB timeout
Block2 input
tB-K
tB-L
Block1
FROM EARTH FAULT PROTECTIONS
FROM ANY PROTECTIONS
OFF
ON IPh
ON IPh/IE
ON IE
BLIN1
Block4
Block1
T0
t
B-IE
Block2 IE
IPD>>>BLK2OUT
1
Block1, Block2, Block4
TRIPPING MATRIX
(LED+RELAYS)
1
1
&
Block2 output
(ONEnable)
Start I
PD
>>>
I
PD
>>>Block2 OUT
All other BLK2OUT outputs
of phase elements
(see BLK2OUT chapter)
1
All BLK2OUT outputs
of ground elements
(see BLK2OUT chapter)
1
I
PD
>>> Block4 OUT
Start I
PD
>>>
IPD>>>BLK4
IPD>>>BLK4
t
FI-Iph
ST-IE BLK4
ST-Iph BLK4
1
t
FI-IE
Block4 OUT
T0
t
FI-Iph
T0
t
FI-IE
Block4
Block4
A = IN
B = OFF
C = OUT
B
C
“0”
“0”
A
Block4 enable
I
PD
>>> Block4 I/O
A = IN
B = OFF
C = OUT
C
B
A
“0”
“0”
All other BLK4 I/O
of phase elements
(see BLK4 chapter)
1
All BLK4 I/O
of ground elements
(see BLK2OUT chapter)
1
XMR-D EQUIPMENT MANUAL
Ed. 2.9 - 02/2021

Table of Contents

Related product manuals