EasyManua.ls Logo

Thytronic XMR-D - Page 265

Thytronic XMR-D
384 pages
Print Icon
To Next Page IconTo Next Page
To Next Page IconTo Next Page
To Previous Page IconTo Previous Page
To Previous Page IconTo Previous Page
Loading...
FUNCTION CHARACTERISTICS
265
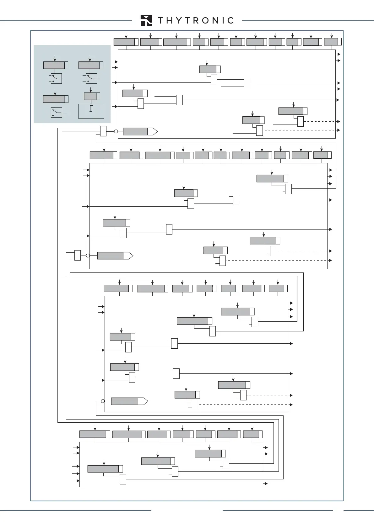
all-F67N.ai
General logic diagram of the ground directional overcurrent elements - 67N
Start IED>>
&
IED> disbyIED>>
t
ED>>
def
I
EDCLP>>def
I
ED>>def
t
ED
>>
inv
I
EDCLP>>inv
I
ED>>inv
IED>>Curve
IEDCLP>>Mode
t
ED
CLP>>
t
ED>>RES
IED>> Enable
CLPIED>
CLPIED>>
IED> Element
IED>> Element
Start IED>
Trip IED>
Start IED>>
Trip IED>>
BLK2OUT
IED>BLK2OUT
Start IED>
&
BLK2OUT
IED>>BLK2OUT
Start IED>>
&
BLK4OUT
IED>BLK4
Start IED>
&
BLK4OUT
IED>>BLK4
Start IED>>
&
t
ED>
def
I
EDCLP>
def
I
ED> def
t
ED>
inv
I
EDCLP> inv
I
ED>
inv
IED>Curve
IEDCLP>Mode
t
EDCLP>
t
ED>
RES
IED> Enable
IED> inhibition
IED>> inhibition
IED>>> inhibition
Block1
BLK1IED>
&
IED>BLK1
Start IED>
&
&
IED>>BLK2IN
BLK2INIED>>
Block2
Start IED>>
&
BLK2INIED>
Block2
&
IED>BLK2IN
Start IED>
&
BLK1IED>>
&
IED>>BLK1
Block1
Start IED>>
&
I
E2
t
ED>>>
def
I
EDCLP>>>def
I
ED>>>def
IEDCLP>>>Mode
t
ED
CLP>>>
t
ED>>>RES
IED>>> Enable
Start IED>>>
&
IED> disbyIED>>>
Start IED>>>
&
IED>> disbyIED>>>
CLPIED>>>
CLPIED>>>>,
IED>>> Element
Start IED>>>
Trip IED>>>
Start I2ndh>
BLK2OUT
BLK2OUT, BLK4OUT
IED>>>BLK2OUT
Start IED>>>
&
BLK4OUT
IED>>>BLK4
Start IED>>>
&
&
IED>>>BLK2IN
BLK2INIED>>>
BLK2INIED>>>>,
Block2
Start IED>>>
&
BLK1IED>>>
BLK1IED>>>>,
&
IED>>>BLK1
Block1
Block1
Block2
Start IED>>>
&
t
ED>>>>def
I
EDCLP>>>>def
I
ED>>>>def
IEDCLP>>>>Mode
t
ED
CLP>>>>
t
ED>>>>RES
IED>>>> Enable
Start IED>>>>
&
IED> disIED>>>>
Start IED>>>>
&
IED>> disIED>>>>
IED>>>> Element
Start IED>>>>
Trip IED>>>>
Start IED>>>>
&
IED>>> disIED>>>>
3V
o
I
E2
3V
o
I
E2
3V
o
I
E2
3V
o
I
E2
Common configurations
Insens-Zone
OFF
ON
U
E
U
EC
3Votype67N
3V
o
I
I∙cos
Mode67N
M∙threshold
M
XMR-D EQUIPMENT MANUAL
Ed. 2.9 - 02/2021

Table of Contents

Related product manuals