EasyManua.ls Logo

Thytronic XMR-D - Page 276

Thytronic XMR-D
384 pages
Print Icon
To Next Page IconTo Next Page
To Next Page IconTo Next Page
To Previous Page IconTo Previous Page
To Previous Page IconTo Previous Page
Loading...
276
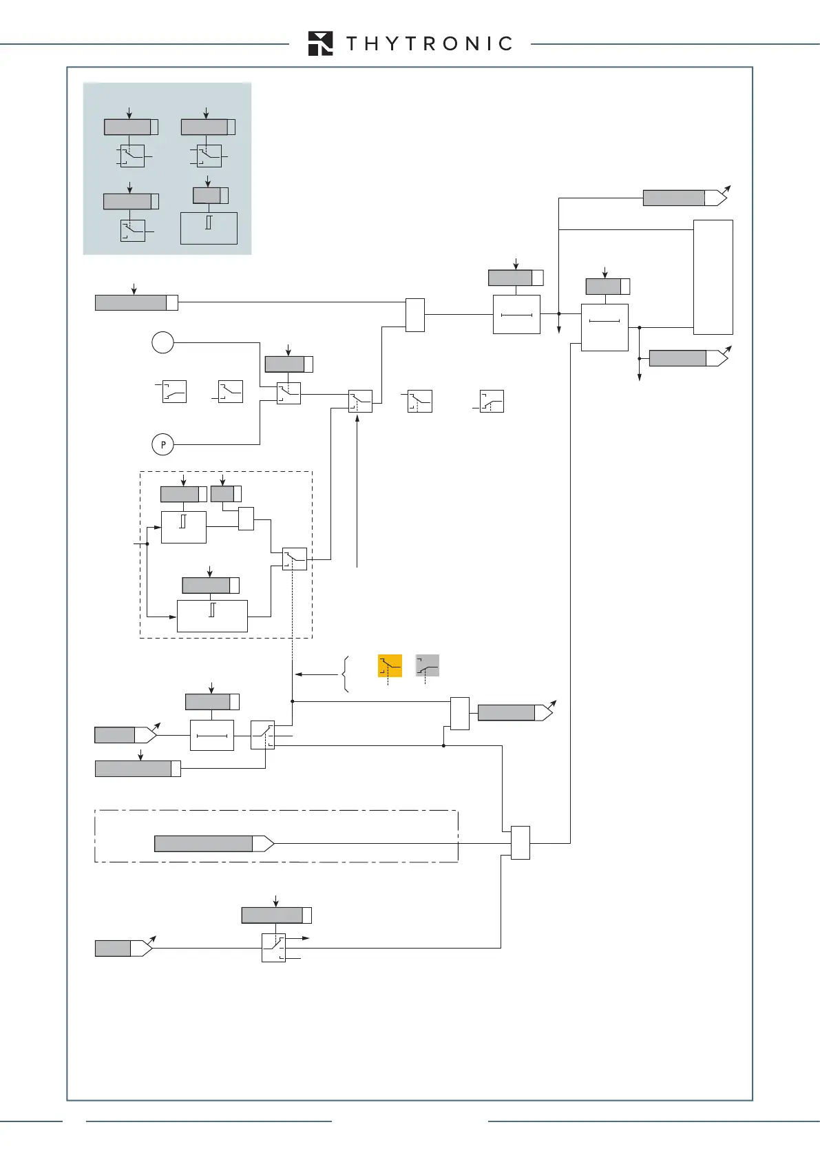
FUNCTION CHARACTERISTICS
Fun_67NS3-3.ai
ONEnable IED>>> directional earth fault
&
A
B
Non-directional
(from 74VT)
Non-directional
A = Directional
B = Non-directional
IED>>> Enable
1
CB-State
Block1, Block2, Block4
T 0
t
CLP>>>
IEDCLP>>>Mode
t
EDCLP>>
>
A
B
C
A =“1”A =“0 or OFF”
IED>>> overcurrent directional element (67N) block diagram (sheet 4)
A = ON - Change setting within CLP
B = OFF - CLP disabled
C = ON - Element blocking within CLP
1
CLP IED>>>
I
E2
I
EDCLP>>>def
I
EDCLP
>>>def
&
State
I
ED>>>def
I
ED>>>def
Block by 74VT (ONBlock)
Internal or external
OFF
74VT
74VTint/ext67N
t
ED>>>RES
T0
RESET
t
ED>>>def
0T
t
ED>>>RES
Start IED>>>
Trip IED>>>
TRIPPING MATRIX
(LED+RELAYS)
IED>>>TR-K
IE>>>TR-L
IED>>>ST-L
IED>>>ST-K
t
ED>>>def
A
B
(sheet 1)
D =“modulo”
Mode67N
C
D
D =“modulo” C =“proiezione”
C
D
M
(sheet 2)
C =“proiezione”
I
E2
Common configurations
Insens-Zone
OFF
ON
U
E
U
EC
3Votype67N
3V
o
I
I∙cos
Mode67N
M∙threshold
M
Ground directional overcurrent (67N) - Third element logic diagram (IED>>>) (sheet 3 of 4)
XMR-D EQUIPMENT MANUAL
Ed. 2.9 - 02/2021

Table of Contents

Related product manuals