EasyManua.ls Logo

Thytronic XMR-D - Page 300

Thytronic XMR-D
384 pages
Print Icon
To Next Page IconTo Next Page
To Next Page IconTo Next Page
To Previous Page IconTo Previous Page
To Previous Page IconTo Previous Page
Loading...
300
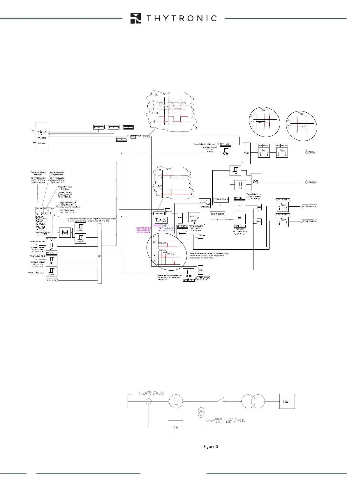
FUNCTION CHARACTERISTICS
δ angle oscillation frequency out of range 0.2 H8 Hz
78 Protection Functional
Diagram
78 Parameters calculation
example
WARNING
All regulations must be established according to accurate ElectroMagnetic Transient study (EMT).
All values presented in following calculation example are for education purpose ONLY and they
cannot be used for real application.
XMR-D EQUIPMENT MANUAL
Ed. 2.9 - 02/2021

Table of Contents

Related product manuals