EasyManua.ls Logo

Thytronic XMR-D - Page 309

Thytronic XMR-D
384 pages
Print Icon
To Next Page IconTo Next Page
To Next Page IconTo Next Page
To Previous Page IconTo Previous Page
To Previous Page IconTo Previous Page
Loading...
FUNCTION CHARACTERISTICS
309
Breaker failure (BF)
Each thresholds (df<, df<<,df<<<,df<<<<) can be associated to BF (H) and BF (L) protection by acti-
vating the relative parameter in the matrices “Selection of function tripping for BF (H)” or “Selection
of function tripping for BF (L)” in relevant BF menus
1
:
• Set \ Profile A (or B) \ Breaker failure - BF side H
• Set \ Profile A (or B) \ Breaker failure - BF side L
For every of the four thresholds the logic block can be set.
Logical block (Block1)
If the f<BLK1, f<<BLK1, f<<<BLK1 and/or f<<<<BLK1 enabling parameters are set to ON
and a binary input is designed for logical block (Block1), the protection is blocked off whenever the
given input is active.
The trip timer is held in reset condition, so the operate time counting starts when the input block
goes down.
2
The enabling parameters are available inside the Set \ Profile A (or B) \ Frequency rate
of change-81R\ df> Element (df>> Element, df>>> Element, df>>>> Element) \ Setpoints menus, while
the Block1 function must be assigned to the selected binary input inside the Set \ Board 1(2) inputs
\ Binary input IN1-1...(IN1-x) menus.
Note 1 The common settings concerning the Breaker failure protection are adjustable inside the Breaker Failure - BF menu.
Note 2 The exhaustive treatment of the logical block (Block 1) function may be found in the “Logic Block” paragraph inside CONTROL AND MONITOR-
ING section.
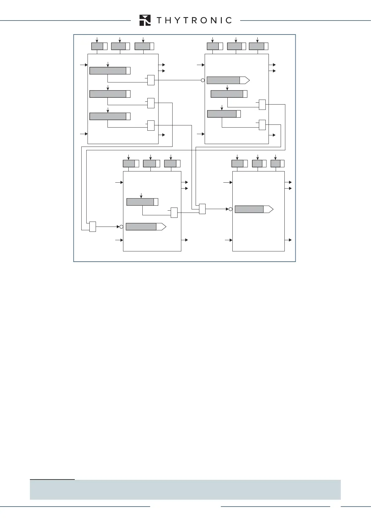
all-F81R.ai
Logic diagram concerning the frequency rate of change elements -
81R
4th Pickup Element
Block1
Block1
State
df
>>>>
t
df
>>>>
df
>>>
t
df
>>>
df
>>
t
df
>>
df
>
t
df
>
&
df
>>>>Start
df
>>>>Trip
df
>>>Start
df
>>>Trip
df
>>Start
df
>>Trip
df
> Start
df
>Trip
df
>>>>Start
df
>>>>Start
df
>>>Start
df
>>>Start
df
>>Start
df
>>>>Start
&
&
f
f
3rd Pickup Element
Block1
Block1
State
&
&
f
ON=inhibit
ON=inhibit
ON=inhibit
2nd Pickup Element
Block1
Block1
f
1st Pickup Element
Block1
Block1
State State
&
df>>> inhibition
df>> inhibition
df> inhibition
df>>>disbydf>>>>
df>>disbydf>>>> df>>disbydf>>>
df>disbydf>>>
df>disbydf>>
df>>disbydf>>>>
XMR-D EQUIPMENT MANUAL
Ed. 2.9 - 02/2021

Table of Contents

Related product manuals