EasyManua.ls Logo

Thytronic XMR-D - Page 323

Thytronic XMR-D
384 pages
To Next Page IconTo Next Page
To Next Page IconTo Next Page
To Previous Page IconTo Previous Page
To Previous Page IconTo Previous Page
Loading...
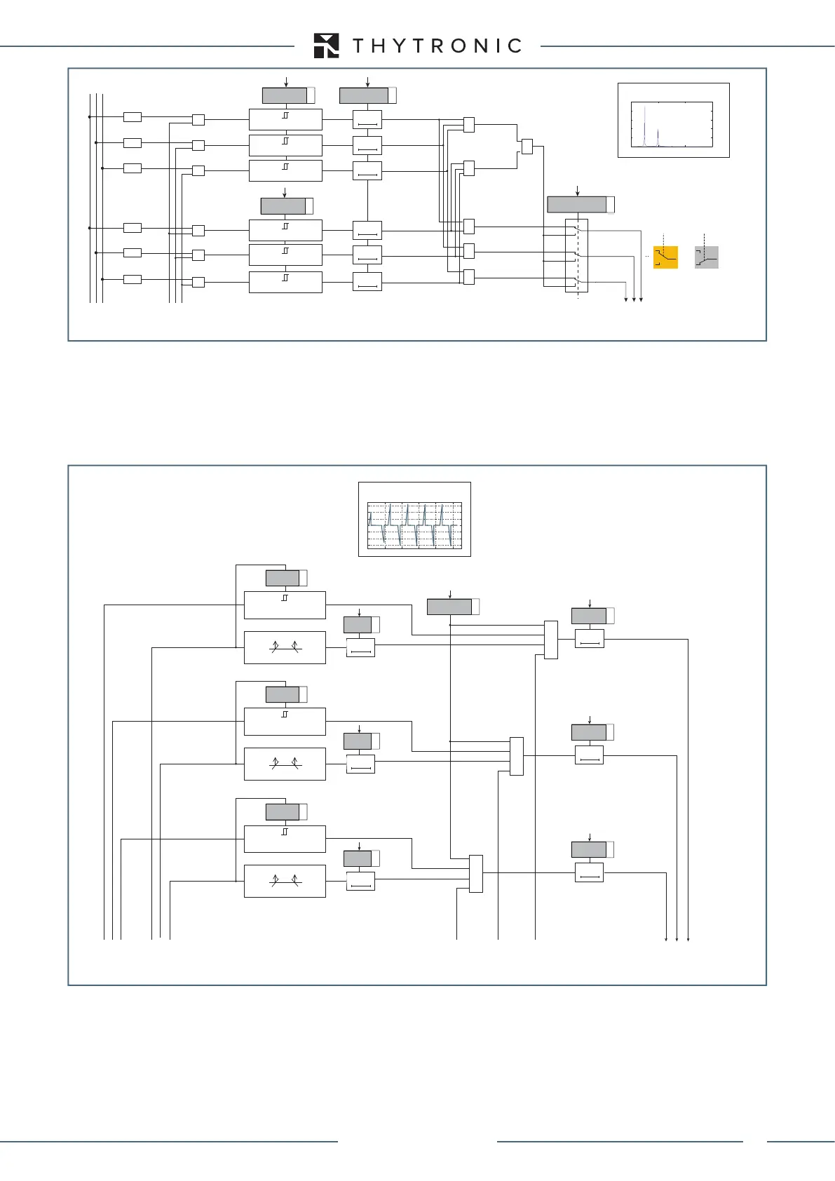
FUNCTION CHARACTERISTICS
323
Second and fifth harmonic restraint
87T harmonic-restraint
0
T
87 H-REST-L3
87 H-REST-L2
87 H-REST-L1
DFT5
DFT5
DFT5
DFT2
B
A
ST H-REST
ST 5th-REST-L1
ST 5th-REST
ST 2nd-REST
ST H-REST-L1
ST H-REST-L2
I
d5L1
/I
d1L1
5th-REST
>
I
d5L1
/I
d1L1
0
T
0
T
ST 5th-REST-L2
I
d5L2
/I
d1L2
5th-REST
>
I
d5L2
/I
d1L2
ST 5th-REST-L3
I
d5L3
/I
d1L3
5th-REST
>
I
d2L1
/I
d1L1
2nd-REST
>
I
d2L2
/I
d1L2
2nd-REST
>
I
d2L3
/I
d1L3
2nd-REST
>
I
d5L3
/I
d1L3
0
T
ST 2nd-REST-L1
I
d2L1
/I
d1L1
0
T
ST 2nd-REST-L2
I
d2L2
/I
d1L2
0
T
ST 2nd-REST-L3
I
d2L3
/I
d1L3
/
I
d5L1
I
d5L2
I
d5L3
I
d2L1
DFT2
I
d2L2
DFT2
I
d2L3
/
/
/
/
/
5th-REST>
CROSS H-REST
2nd-REST>
tHREST-RES
≥1
≥1
≥1
≥1
≥1
ST H-REST-L2
≥1
i
dL1...L3
I
dL1...L3
A =“ON”
A = OFF”
to biased dual slope percentage characteristic
Harmonic restraint
0
100
200 300
Saturation detector
I
dL1
< 1.6∙|
i
SL1
|
I
dL1
I
SL1
1.6∙|
i
SL1
|
i
dL1...L3
i
SL1...L3
from biased dual slope
percentage characteristic
to biased dual slope
percentage characteristic
11
zero crossing detector
0
0
T
1/4(fn)
0
T
t
SatDet-RES
&
I
dL2
< 1.6∙|
i
SL2
|
I
dL2
I
SL2
1.6∙|
i
SL2
|
11
zero crossing detector
0
0
T
1/4(fn)
0
T
t
SatDet-RES
&
I
dL3
< 1.6∙|
i
SL3
|
I
dL3
I
SL3
1.6∙|
i
SL3
|
11
zero crossing detector
0
0
T
1/4(fn)
0
T
t
SatDet-RES
SatDet=ON
&
Saturation detector
XMR-D EQUIPMENT MANUAL
Ed. 2.9 - 02/2021

Table of Contents

Related product manuals