EasyManua.ls Logo

Thytronic XMR-D - Page 330

Thytronic XMR-D
384 pages
Print Icon
To Next Page IconTo Next Page
To Next Page IconTo Next Page
To Previous Page IconTo Previous Page
To Previous Page IconTo Previous Page
Loading...
330
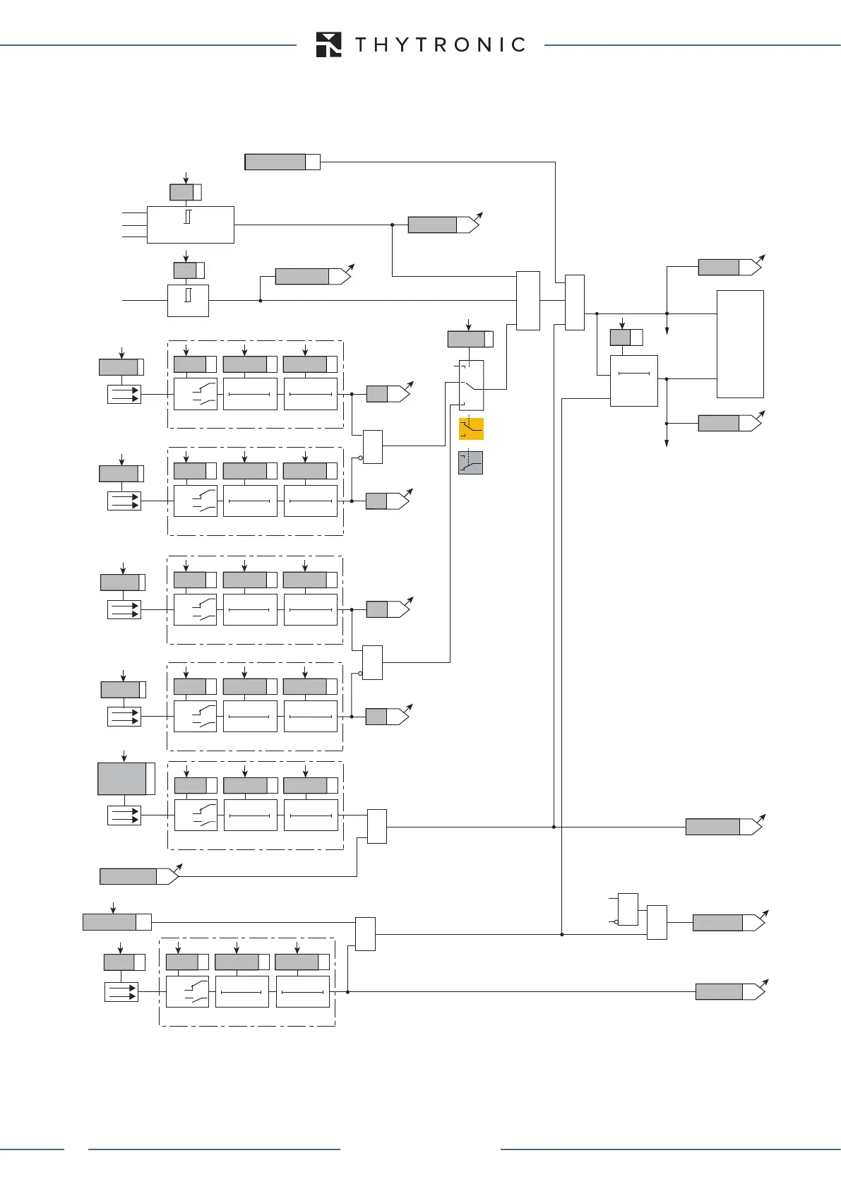
FUNCTION CHARACTERISTICS
TRIPPING MATRIX
(LED+RELAYS)
Start BF(H)
Start IBF(H)>
Trip BF(H)
Trip int-prot
&
&
&
&
Block1 input (ONBlock)
BLK1 BF(H)
Trip Int/Ext
Block1
Start BF(H)
ON
CB Side H
Closed
Start BF(H)
Trip BF(H)
Trip BF(H)
Trip ProtExt
Side H
52a(H)
&
Block1 enable (ONEnable)
BF(H)-BLK1
Block1
52a
I
BF(H)>
Max I
L1H
..I
L3H
I
BF(H)
>
I
L1H
I
L2H
I
L3H
I
EBF(H)>
I
ECH
EBF(H)>
I
ECH
1
RESET
t
BF(H)
0T
t
BF(H)
1
Binary input INx
T 0
Logic
INx
t
ON
INx
t
ON
INx
t
OFF
T0
n.o.
n.c.
INx
t
OFF
Binary input INx
T 0
Logic
INx
t
ON
INx
t
ON
INx
t
OFF
T0
n.o.
n.c.
INx
t
OFF
Binary input INx
T 0
Logic
INx
t
ON
INx
t
ON
INx
t
OFF
T0
n.o.
n.c.
INx
t
OFF
Binary input INx
T 0
Logic
INx
t
ON
INx
t
ON
INx
t
OFF
T0
n.o.
n.c.
INx
t
OFF
52b
Start IEBF(H)>
“0”
CB Input
CB Input OFF
CB Input ON
&
52a
Binary input INx
T 0
Logic
INx
t
ON
INx
t
ON
INx
t
OFF
T0
n.o.
n.c.
INx
t
OFF
Binary input INx
T 0
Logic
INx
t
ON
INx
t
ON
INx
t
OFF
T0
n.o.
n.c.
INx
t
OFF
52b
ON
CB Side L
Closed
BF(H) enable
52a and 52b
Side H
52a and 52b
Side L
52b(H)
52a(L)
52b(L)
Logic diagram BF Side H
XMR-D EQUIPMENT MANUAL
Ed. 2.9 - 02/2021

Table of Contents

Related product manuals