EasyManua.ls Logo

Thytronic XMR-D - Page 381

Thytronic XMR-D
384 pages
Print Icon
To Next Page IconTo Next Page
To Next Page IconTo Next Page
To Previous Page IconTo Previous Page
To Previous Page IconTo Previous Page
Loading...
APPENDIX
381
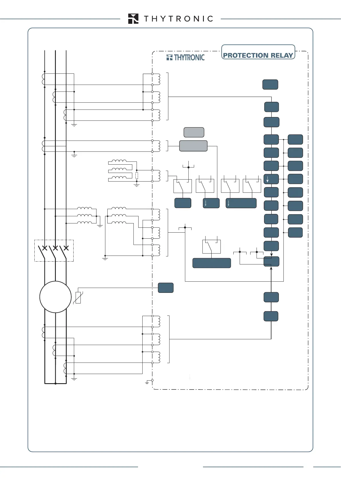
(*) Antiferrorisonance
L1 L2 L3
P1
S1
S2
P2
I
L1H
I
L2H
I
L3H
A2
A1
A3
A4
A5
A6
P1
S1
S2
P2
I
L1L
I
L2L
I
L3L
BF
74TCS
74CT
74CT
74VT
66
M
46
49
50/51
50/51
51LR
37
37P
32P
40
Z7
Z8
I
E2
P1
S1
S2
P2
U
L1
U
L2
U
L3
A N
B N
C N
n
a
n b
n c
B1
B2
B3
B4
B5
B6
B7
B8
dn da
dn
db
dn
dc
(*)
27
55
27V1
59V2
81O
81U
59
87M
I
ECL
I
ECH
26
85NHIZ
*
U
L1
, U
L2
, U
L3
I
L1L
, I
L2L
, I
L3L
I
L1H
, I
L2H
, I
L3H
I
ECH
I
ECL
50N/51N(Comp)
U
EC
59N
U
E
U
E
U
EC
U
EC
67N
U
E
U
EC
I
ECH
I
ECL
67N(Comp)
50N.2/51N.2
XMR-D
Note *: when 87NHIZ is enabled, the
50N/51N/67N functions can not be used with
residual current (IE) measured directly
Differential Protection - Motor
NOTE
Incoming currents must be connected to relay reference amperometric input terminals; outgoing currents must be connected to protection relay
amperometric output terminals.
Incoming currents in relay reference terminals are considered positive, while the outgoing ones are considered negative.
CONVENTION - CT’s P1 polarity is indicated towards protected component.
Z1
Z2
Z3
Z4
Z5
Z6
XMR-D EQUIPMENT MANUAL
Ed. 2.9 - 02/2021

Table of Contents

Related product manuals