EasyManua.ls Logo

Thytronic XMR-D - Page 383

Thytronic XMR-D
384 pages
Print Icon
To Next Page IconTo Next Page
To Next Page IconTo Next Page
To Previous Page IconTo Previous Page
To Previous Page IconTo Previous Page
Loading...
APPENDIX
383
XMR-D
L1 L2 L3
P1
S1
S2
P2
P1
S1
S2
P2
I
L1H
I
L2H
I
L3H
P1
S1
S2
P2
P1
S1
S2
P2
G
I
E2
P1
S1
S2
P2
U
L1
U
L2
U
L3
A N
B N
C N
n
a
n b
n c
B1
B2
B3
B4
B5
B6
U
L1
, U
L2
, U
L3
I
L1H
, I
L2H
, I
L3H
I
L1L
, I
L2L
, I
L3L
U
E
U
EC
U
E
U
EC
I
ECH
I
ECH
I
ECL
74CT
81U
50/51
81O
59
27V1
27
40
51V
46
49
47
37P
37
21
87T
59V2
74TCS
BF
26
*
64REF
U
EC
U
E
I
ECH
I
ECL
50N/51N(Comp)
50N.2/51N.2
87NHIZ
50N.1/51N.1
59N
67N
67N(Comp)
74VT
74CT
I
L1L
I
L2L
I
L3L
A2
A3
A4
A5
A6
A7
A8
I
E1
B9
B10
dn da
dn
db
dn
dc
(*)
(*) Antiferrorisonance
50/51
A1
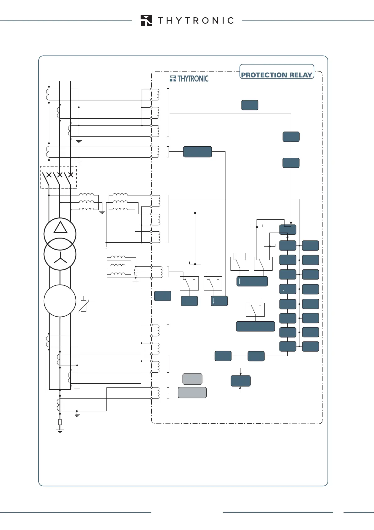
Note *: when 87NHIZ is enabled, the 50N/51N/67N functions can not be used with
residual current (IE) measured directly
Differential Protection - Transformer - Generator
NOTE
Incoming currents must be connected to relay reference amperometric input terminals; outgoing currents must be connected to protection relay
amperometric output terminals.
Incoming currents in relay reference terminals are considered positive, while the outgoing ones are considered negative.
CONVENTION - CT’s P1 polarity is indicated towards protected component.
XMR-D EQUIPMENT MANUAL
Ed. 2.9 - 02/2021

Table of Contents

Related product manuals