EasyManua.ls Logo

Thytronic XMR-D - Page 85

Thytronic XMR-D
384 pages
Print Icon
To Next Page IconTo Next Page
To Next Page IconTo Next Page
To Previous Page IconTo Previous Page
To Previous Page IconTo Previous Page
Loading...
FUNCTION CHARACTERISTICS
85
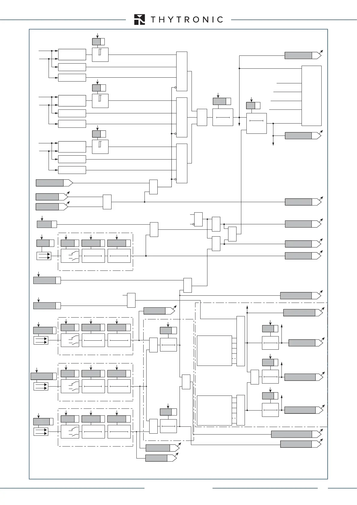
Underimpedance logic diagram (21) - First element
IPh Block2
IPh/IE Block2
T 0
t
B-Iph
Fun-21_S1.ai
I
L1L
U
12
Z
12
=U
12
/I
L1L
U
12
≥1%U
n
I
L1L
5%
I
nL
&
&
&
1
Z<
I
L2L
U
23
Z
23
=U
12
/I
L1L
U
23
≥1%U
n
I
L2L
5%
I
nL
t
Z<RES
T0
RESET
t
Z
<
0T
1
1
1
1
1
1
1
t
Z
<
t
B-Iph
t
F-Iph
t
F-all
t
F-IE
t
B-IE
t
Z<RES
Z< Start
Z< Trip
Iph Block2 Start
F21S1 Block3
IF Start
74VT Block
VT fault (74VT)
from Z<< element (ONInhibit)
Z< inhibition
Z< Block1
Z< Block2
&
&
&
&
Enable (ONEnable)
Block1 input (ONBlock)
Block1
Block2 input enable (ONEnable)
&
&
Block2 IN
Block2 output enable (ONEnable)
Block2 OUT
Block1
(=0 without fault)
=0 if 20f70 Hz
Z< Start
Z< Start
Z< Trip
Z< Trip
T 0
t
F-all
T 0
t
F-Iph
T 0
t
F-IE
Z< Block2 OUT
Z< Block2 OUT
Iph block2 output
Iph/IE block2 output
IE block2 output
Z< Start
IPh Block2 input
IPh Block2
IE Block2 input
Block2 IN
diagnostic
Block2 output
Block2 input
FROM EARTH FAULT PROTECTIONS
FROM ANY PROTECTIONS
FROM OVERCURRENT PROTECTIONS
Block1
T 0
t
B-IE
IE Block2
Z
12
≤ Z<
Z<
Z
23
≤ Z<
IPh/IE Block2
IE Block2
I
L3L
U
31
Z
31
=U
12
/I
L1L
U
31
≥1%U
n
I
L3L
5%
I
nL
Z<
Z
31
≤ Z<
TRIPPING MATRIX
(LED+RELAYS)
Iph block2 output
Iph block2 Start
Block2 IN diagnostic
Iph/IE block2 output
Binary input INx (x=1...8-16)
T 0
Logic
INx
t
ON
INx
t
ON
INx
t
OFF
T0
n.o.
n.c.
INx
t
OFF
Binary input INx (x=1...8-16)
T 0
Logic
INx
t
ON
INx
t
ON
INx
t
OFF
T0
n.o.
n.c.
INx
t
OFF
Binary input INx (x=1...8-16)
T 0
Logic
INx
t
ON
INx
t
ON
INx
t
OFF
T0
n.o.
n.c.
INx
t
OFF
Binary input INx (x=1...8-16)
T 0
Logic
INx
t
ON
INx
t
ON
INx
t
OFF
T0
n.o.
n.c.
INx
t
OFF
All other BLK2OUT
outputs
of phase elements
(BLK2OUT chapter)
1
All other BLK2OUT
outputs
of ground elements
(BLK2OUT chapter)
1
XMR-D EQUIPMENT MANUAL
Ed. 2.9 - 02/2021

Table of Contents

Related product manuals