EasyManua.ls Logo

Thytronic XMR-D - Page 88

Thytronic XMR-D
384 pages
Print Icon
To Next Page IconTo Next Page
To Next Page IconTo Next Page
To Previous Page IconTo Previous Page
To Previous Page IconTo Previous Page
Loading...
88
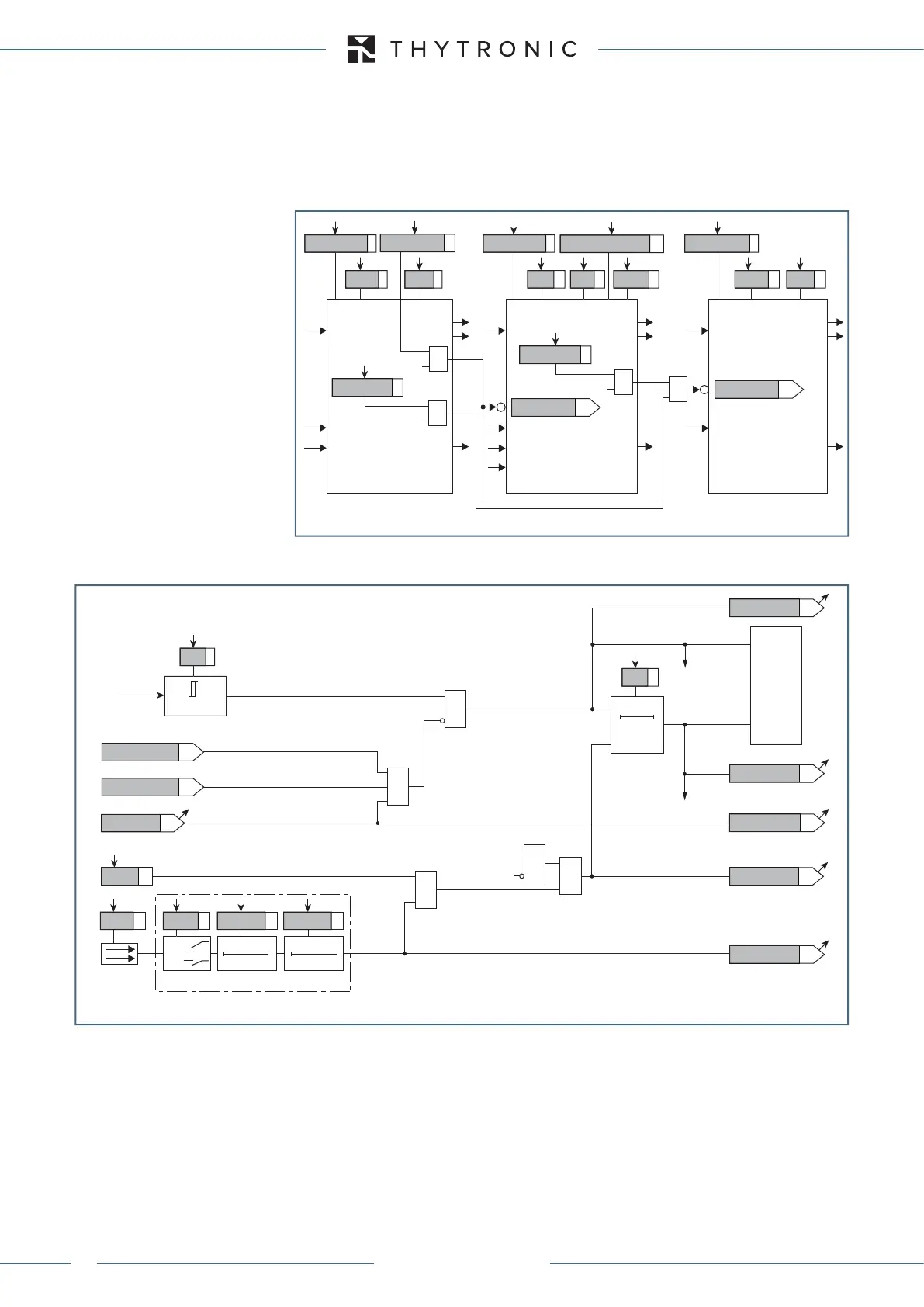
FUNCTION CHARACTERISTICS
Operation and settings
All elements can be enabled or disabled by setting ON or OFF the Enableand State parameters
inside the Set \ Profile A (or B) \ Overexcitation - 24 \ (U/f)AL Element ((U/f)> Element or (U/f)>> Ele-
ment ) \ Setpoints(Definite time-Inverse time) menus.
Tripping of alarm (U/f )AL and/or first element (U/f)> may be inhibited by the start of the second
element (U/f )>> by setting ON the (
U/f)ALdisablingby(U/f)>> and/or e (U/f)>disablingby
(U/f)>>parameter available inside the Set \ Profile A (or B) \ Overexcitation - 24 \ (U/f)>> Element \
Setpoints
menu.
The elements are enabled in the 20 Hz ... 60 frequency range.
all-F24.ai
General logic diagram of the overfluxing elements - 24
U/f U/f U/f
Block1
Block1
Block3
Block1 Block1
Block3
Reset t
U/f>RES
Block1 Block1
U/f >> element U/f > element U/f
AL
element
U/f>>
U/f>
inverse/definite-time
t
U/f>>
U/f
AL
t
U/fAL
t
U/f>
t
U/f>RES
2nd Pickup Element
1st Pickup Element
Alarm Pickup Element
U/f>> Start
U/f>> Start
U/f>> Start
U/f>> Trip
U/f> Start
U/f> Start
U/f> Trip
U/f
AL
Start
U/f
AL
Trip
U/f> inhibition
&
&
U/f
AL
Inhibition
&
U/f
AL
Inhibition
U/f
AL
Inhibition
U/f> inhibition
Fun-F24_S1.ai
U/f > (U/f)
AL
&
RESET
t
U/fAL
0T
TRIPPING MATRIX
(LED+RELAYS)
U/f
AL
t
U/fAL
U/f AL Start
U/f AL Start
U/f AL Trip
U/f AL Trip
1
(ON
Inhibit
)
(ON
Inhibit
)
F24SA Block3
IF Start
U/f> Block1
U/f
U/fAL Inhibition
U/f> Inhibition
=0 if 20f60 Hz
U/f AL Start
U/f AL Trip
&
&
&
Enable (ONEnable)
Block1 input (ONBlock)
Block1
Block1
Block1
Binary input INx
T 0
Logic
INx
t
ON
INx
t
ON
INx
t
OFF
T0
n.o.
n.c.
INx
t
OFF
Overfluxing protection (24) - Alarm element logic diagram
XMR-D EQUIPMENT MANUAL
Ed. 2.9 - 02/2021

Table of Contents

Related product manuals