EasyManua.ls Logo

Thytronic XMR-D - Page 90

Thytronic XMR-D
384 pages
Print Icon
To Next Page IconTo Next Page
To Next Page IconTo Next Page
To Previous Page IconTo Previous Page
To Previous Page IconTo Previous Page
Loading...
90
FUNCTION CHARACTERISTICS
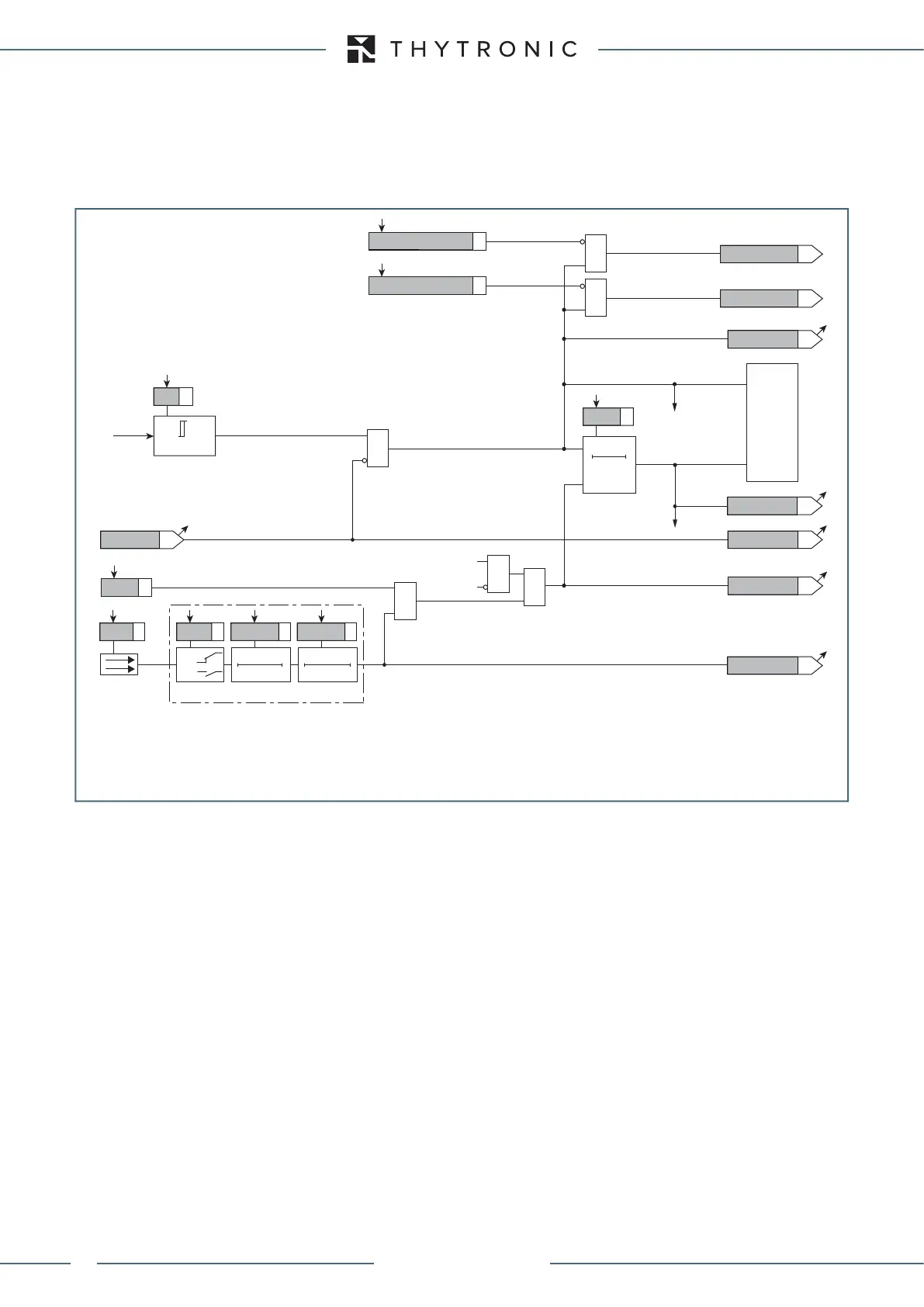
Breaker failure (BF)
Each thresholds (U/f>, U/f>>) can be associated to BF (H) and BF (L) protection by activating the
relative parameter in the matrices “Selection of function tripping for BF (H)” or “Selection of function
tripping for BF (L)” in relevant BF menus
2
:
• Set \ Profile A (or B) \ Breaker failure - BF side H
• Set \ Profile A (or B) \ Breaker failure - BF side L
Fun-F24_S3.ai
U/f > (U/f)>
&
RESET
t
U/f>>
0T
TRIPPING MATRIX
(LED+RELAYS)
U/f>>
U/f>> Trip
t
U/f>>
&
(ON
Inhibit
)
U/f> Inhibition
&
(ON
Inhibit
)
U/fAL Inhibition
U/f>> Start
Alarm inhibition
1st element inhibition
U/f
F24S2 Block3
IF Start
=0 if 20f70 Hz
U/f>> Block1
U/f>> Start
U/f>> Trip
U/f>> Start
U/f>> Trip
&
&
&
Enable (ONEnable)
Block1
Block1
Block1
Binary input INx (x=1...8-16)
T 0
Logic
INx
t
ON
INx
t
ON
INx
t
OFF
T0
n.o.
n.c.
INx
t
OFF
Overfluxing protection (24) - Second element logic diagram
XMR-D EQUIPMENT MANUAL
Ed. 2.9 - 02/2021

Table of Contents

Related product manuals