EasyManua.ls Logo

Timberk T-PAC07-P12E - Устранение Неисправностей

Timberk T-PAC07-P12E
Print Icon
To Next Page IconTo Next Page
To Next Page IconTo Next Page
To Previous Page IconTo Previous Page
To Previous Page IconTo Previous Page
Loading...
IM2023
27
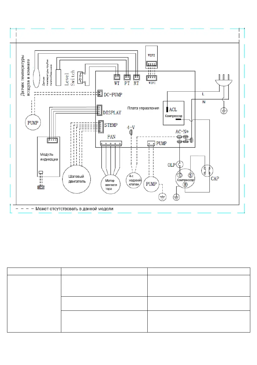
11. ПРИНЦИПИАЛЬНАЯ ЭЛЕКТРИЧЕКАЯ СХЕМА
12. УСТРАНЕНИЕ НЕИСПРАВНОСТЕЙ
В случае возникновения аварийных ситуаций обратитесь к способам устранения
неисправностей, указанных в таблице. В случае невозможности решения
проблем указанными способами обратитесь в сервисный центр.
Неисправность
Возможная причина
Кондиционер не
работает
Нет подключения к
электросети или нет
электричества.
Кондиционер переполнен
конденсатом.
Температура окружающей
среды слишком низкая или
слишком высокая.

Related product manuals