EasyManua.ls Logo

Timberk T-PAC07-P12E - WIRING DIAGRAMS; TROUBLESHOOTING

Timberk T-PAC07-P12E
Print Icon
To Next Page IconTo Next Page
To Next Page IconTo Next Page
To Previous Page IconTo Previous Page
To Previous Page IconTo Previous Page
Loading...
IM2023
53
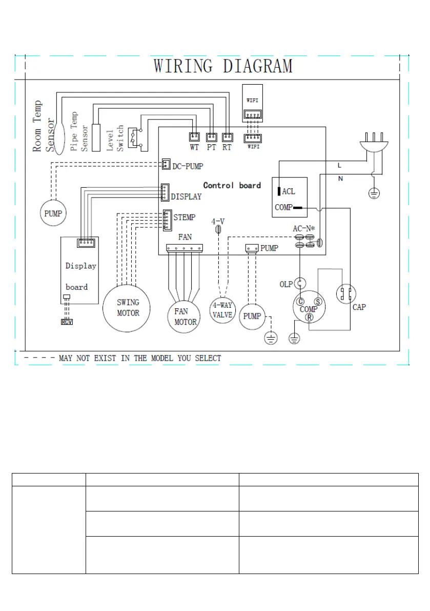
11. WIRING DIAGRAMS
12. TROUBLESHOOTING
In case of emergency, please, use the troubleshooting methods shown in table. If it is
impossible to solve problems with these methods, contact the authorized service
center.Failures and their possible reasons:
Problems
Reasons
Solutions
The air
conditioning
does not
work.
There is no electricity.
Turn it on after connecting it to a
socket with electricity.
The overflow indicator displays
"FL".
Discharge the water inside.
The ambient temperature is
too low or too high
Recommend to use the machine in
at the temperature of 7-35 (44-95
).

Related product manuals