EasyManua.ls Logo

Timberwolf TW230DHB - Electrical Circuit Diagram; Wiring Diagram for 230 DHB

Timberwolf TW230DHB
51 pages
Print Icon
To Next Page IconTo Next Page
To Next Page IconTo Next Page
To Previous Page IconTo Previous Page
To Previous Page IconTo Previous Page
Loading...
TIMBERWOLF
TW 230DHB
28
DOCUMENT No. ISSUE
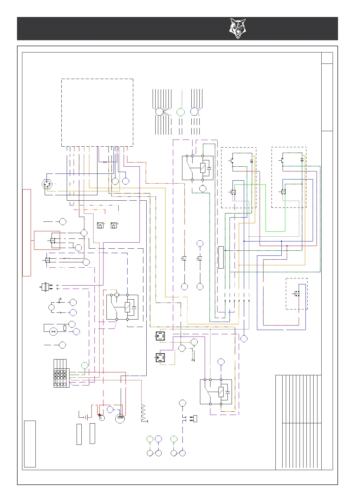
CIRCUIT DIAGRAM FOR: 230 DHB and 230 FTR (H-BOX)
1
230-CD
KEY SWITCH
ACC
OFF
RUN
START
SPLIT TO FUNNEL LOOM
HOUR
FUEL
FUEL
SOLENOID
ROTOR
SWITCH EMERGENCY
SWITCH
1-AC 3mm
41 1mm12 .5m m
p
t
1mm40
15 1mm
1.5mm
16
WATER TEMP
SWITCH
OIL PRESS
SWITCH
LED
HEATERS
ON LED
LED
LED
POWER ON
FUSE 1
IGP
FUSE 2
AUX
1mm
2mm
15
5
14
BLUE
SP#4
0.5
AUX POWER
CONN
SOLENOID
FWD
REVERSE
SOLENOID
ENGINE
GROUND
POINT
ENGINE SPD
SIGNAL
(INDUCTIVE)
.5mm14
.5mm
8
1mm40
1mm
3mm
27
48
18 2mm
1mm20
B
LINK LEAD
LINK LEAD
85
30
86
87
87a
START
RELAY
LATCH RELAY
FWD SOL
GROUND
SECURITY
ENGINE
40 1m m
39 1mm
40 1mm
8 0.5
50E 1mm
40
40 1mm
1mm
R
1mm33
7 1mm 28 1m m
PUMPMETER
CONFIGURATION T.B.A.
2
1
2
3
1 2
3
1
85
30
87a
86
87
B BLACK
BL BLUE
BR BROW N
R RED
G GREEN
Y YELLOW
P PURPLE
W W HITE
B/G BLACK WITH GREEN TRACER
BL/R BLUE W ITH RED TRACER
BL/G BLUE W ITH GREEN TRACER
KEY TO W IRING
O ORANGE
B/R BLACK W ITH RED TRACER
GREEN
SP#2
BLACK
SP#1
BL
G
BL/W BLUE W ITH WHITE TRACER
BL/W
B
P/W PURPLE W ITH WHITE TRACER
BR
P
B/BR
B/BR
B/BR BLACK WITH BROW N TRACER
W
O
B
B
BL
P/W
B/G
BL
BL/G
P/W
P/W
BL/G
B
P/W
P/W
BR
BR
G
R
R
BL/B BLUE W ITH BLACK TRACER
W/R WHITE WITH RED TRACER
W/R
B
BL
B B/W
P
BR/R
O
Y/B YELLOW WITH BLUETRACER
Y/BL
Y/R
BR
B
B
W/R
B
B/R
B/R
BL/W
P/W
P/W
P/W
BL/B
O/W ORANGE WITH WHITE TRACER
O/Y ORANGE W ITH YELLOW TRACER
B/R
35 1m m
SP
2
SP
2
SP
2
SP
1
SP
1
SP
1
SP
1
SP
6
SP
1
SP
1
SP
1
SP
1
SP
1
SP
1
SP
5
SP
4
SP
4
SP
4
SP
4
GLOW
PLUGS
PULL HOLD
2
1
ALTERNATOR
ROTOR
O/P
STARTER
BATTERY
STARTER
SOL TERM
ENG GND POINT
BATT 25mm
BATT 25mm
R
R
BL
R
MAIN TERM
STARTER
MOTOR
SP
4
C D
N.O./N.C.
A B
BR
G
N.O./N.C.
13 14
21 22
B/W
Y/BL
Y/R
230 ROAD MACHINES WOULD NOT HAVE THIS SWITCH.
CONNECT "ONLY" THE BLACK/WHITE WIRE TO ONE OF THE BLACK WIRES.
B
MAIN LOOM P0001337
COMPONENT LIST:
MAIN LOOM: P*1337, FUNNEL LOOM: P*1335
PART No. 1376
PART No. 1375
PART No. P0001335
B/W
M
BL
SP
4
SP
1
B
B
TACHO SIG / ALT
B
BL
BR/B
BR/R
Y/R
Y/BL
B/R
BR
O
SP
1
SP
4
GLOW PLUG LAMP
OUT 3
BAT
OUT 5
OUT 1
OUT 2
15
16
17
18
14
13
12
FUEL HOLD SOLENOID
BAT 12 V IGP
SOL GND SPEED CONTROLLED
EMERGENCY/ROTOR SWITCH
RESET REVERT TO RESET MODE
STT
RST
AX1
AX2
GND
EPC
8
9
10
11
7
5
6
GND 0v
GLOW PLUG I/P
IN-
EPA
IN+
EPB
1
3
2
4
SPEED SIG -
SPEED SIG +
OIL PRESSURE SW
WATER TEMP SW
CONTROLLER
H-BOX PCU
FROM SAFETY SWITCH
U/B
AX2
AX1
OUT 4
AUTO REVERSE PULSE OUTPUT
P
NO
CONNECTION
B W
U
N
1.2k Ohm
RESISTOR
AUTO REVERSE SENSOR
85
30
86
87
87a
SP
4
U
RELAY
REV SOL
P/W
W
B/O
B/O
F
D
E
C
B
A
SPLIT TO FUNNEL LOOM
FUNNEL ROLLER CONTROL
FUNNEL ROLLER CONTROL
W
U
O
P/W
U/G
SAFETY SW
N.O./N.C.
U
G/B
U/R
U/R
REV FWD
N.O./N.C.
13 14
21 22
N.O.
13
14
C D
A B
REV FWD
N.O./N.C.
13 14
21 22
N.O.
13
14
RED BAR
CIRCUIT DIAGRAM

Table of Contents

Related product manuals