EasyManua.ls Logo

Timeguard TRT036N - Wiring Connection Diagram; Mains Supply and Boiler Load Connections

Timeguard TRT036N
20 pages
Print Icon
To Next Page IconTo Next Page
To Next Page IconTo Next Page
To Previous Page IconTo Previous Page
To Previous Page IconTo Previous Page
Loading...
NC1 NC2
NO1 NO2
Heating
L
230V AC 50Hz
MAINS SUPPLY
Supply
Neutral
Supply
Live
N
Hot
Water
Switch Live from
NO2 (normally
open 2 contact)
to Hot Water
Switch Live from NO1
(normally open
1 contact) to Heating
5
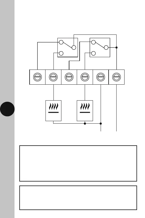
6. Connection Diagram
Connect the 230V 50Hz mains supply and load cables to the terminal block
which are marked as follows;
Note: Check boiler instructions before connecting.
230V 50Hz Mains Supply
Live Supply (Brown or Red) to L
Neutral Supply (Blue or Black) to N
A ‘Loop Terminal’ is provided should a 3 core cable
be used
Load (Boiler)
Switch Live, Central Heating (Brown or Red) to NO1
Switch Live, Hot Water (Brown or Red) to NO2

Related product manuals