EasyManua.ls Logo

Toa A-1803 - 15 Block Diagram

Toa A-1803
16 pages
Print Icon
To Next Page IconTo Next Page
To Next Page IconTo Next Page
To Previous Page IconTo Previous Page
To Previous Page IconTo Previous Page
Loading...
14
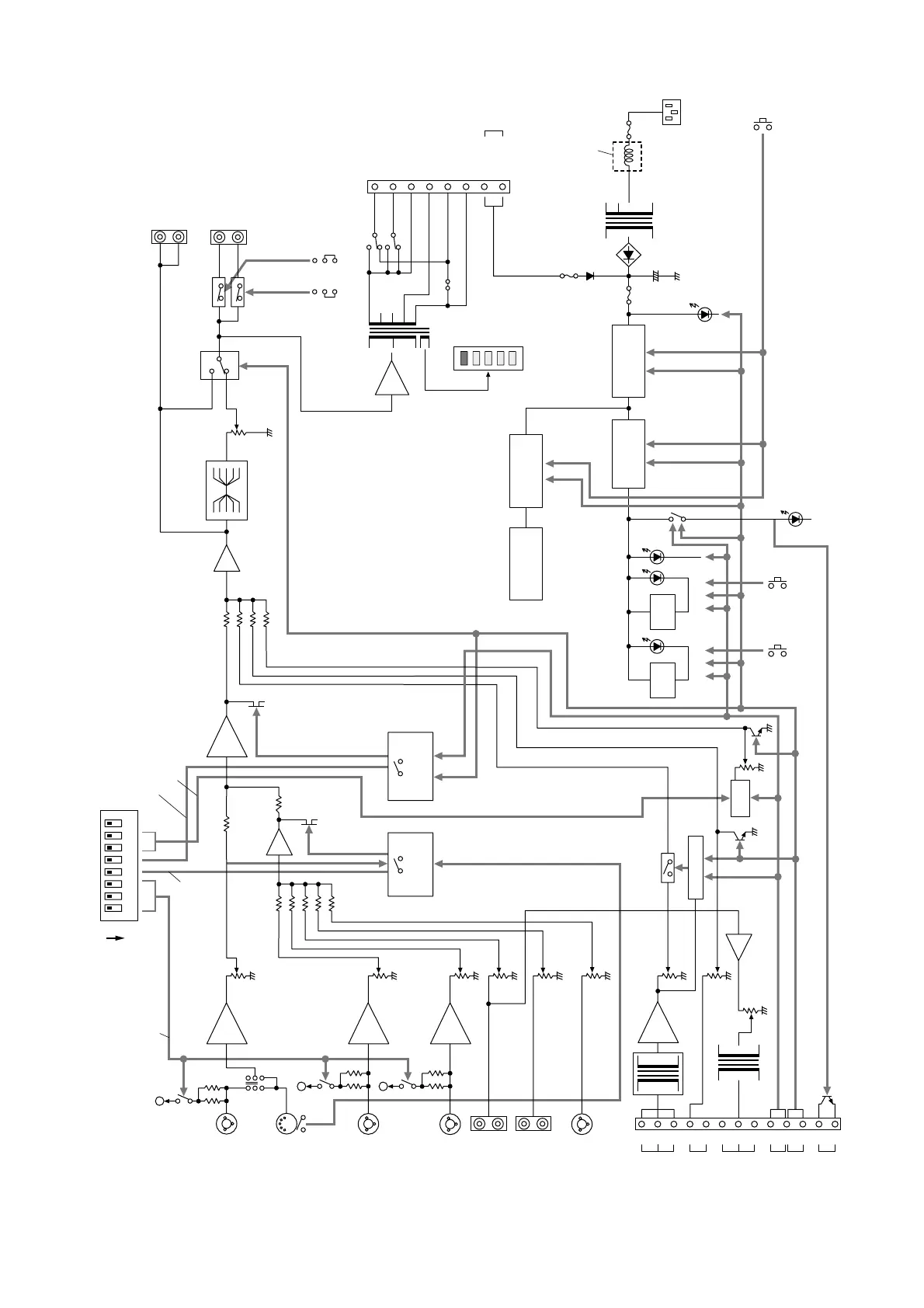
15. BLOCK DIAGRAM
+
+
+
87654321
MOH OUT
0 dB/600
EMERGENCY
0 dB/10 k
TEL PAGING
20 dB/10 k
MIC 1
60 dB/600
MIC 2
60 dB/600
MIC 3
60 dB/600
AUX 1 (MOH IN)
20 dB/10 k
AUX 2
20 dB/10 k
AUX 3
20 dB/10 k
MIC 1
SELECTOR
REMOTE OUT
CONTROL
+
+
+
H
C
H
C
G
H
Optional
C
G
(70 V)
240 V
230 V
(50 V)
PA
Relay
2
Relay
1
Mute control
Chime
Emergency
mode ON/OFF
ON
POWER
switch
Power for
control section
Mute
Mute
Power for
audio section
Power for
chime circuit
ZONE 2 ZONE 1
ZONE 1 (100 V)
ZONE 2 (100 V)
Zone 2 Zone 1
POWER
TEL
EMERGENCY
220 230 V AC
or 240 V AC,
50/60 Hz
PT
Fuse Fuse
Output
level meter
JP
OT
DIRECT (100 V)
4 16
+ 24 V
INPUT
C
C
REC OUT
0 dB/600
LINE OUT
0 dB/600
0 dB
1
2
ON
OFF
ON
OFF
20 dB
20 dB
20 dB
20 dB
0 dB
0 dB
0 dB
BASS/TREBLE
MASTER
volume
Interlocked with
Relay 1 (ZONE 1)
(Relay 1)
(Relay 2)
Interlocked with
Relay 2 (ZONE 2)
Phantom power ON/OFF
Phantom
power
Function switch (DIP swich)
Fuse
EB
EB
EB
EB
Mute control
(MIC 1)
Mute control
(TEL, EMER)
MIC 1 voice-activated mute ON/OFF
Chime tone selection
TEL voice-activated mute ON/OFF
TEL
EMERGENCY
A-1812 only

Related product manuals