EasyManua.ls Logo

Toa M-9000M2 - C-001 T Module Connections; Control Input Terminal; Control Output Terminal; Connecting the ZM-9003

Toa M-9000M2
160 pages
Print Icon
To Next Page IconTo Next Page
To Next Page IconTo Next Page
To Previous Page IconTo Previous Page
To Previous Page IconTo Previous Page
Loading...
112
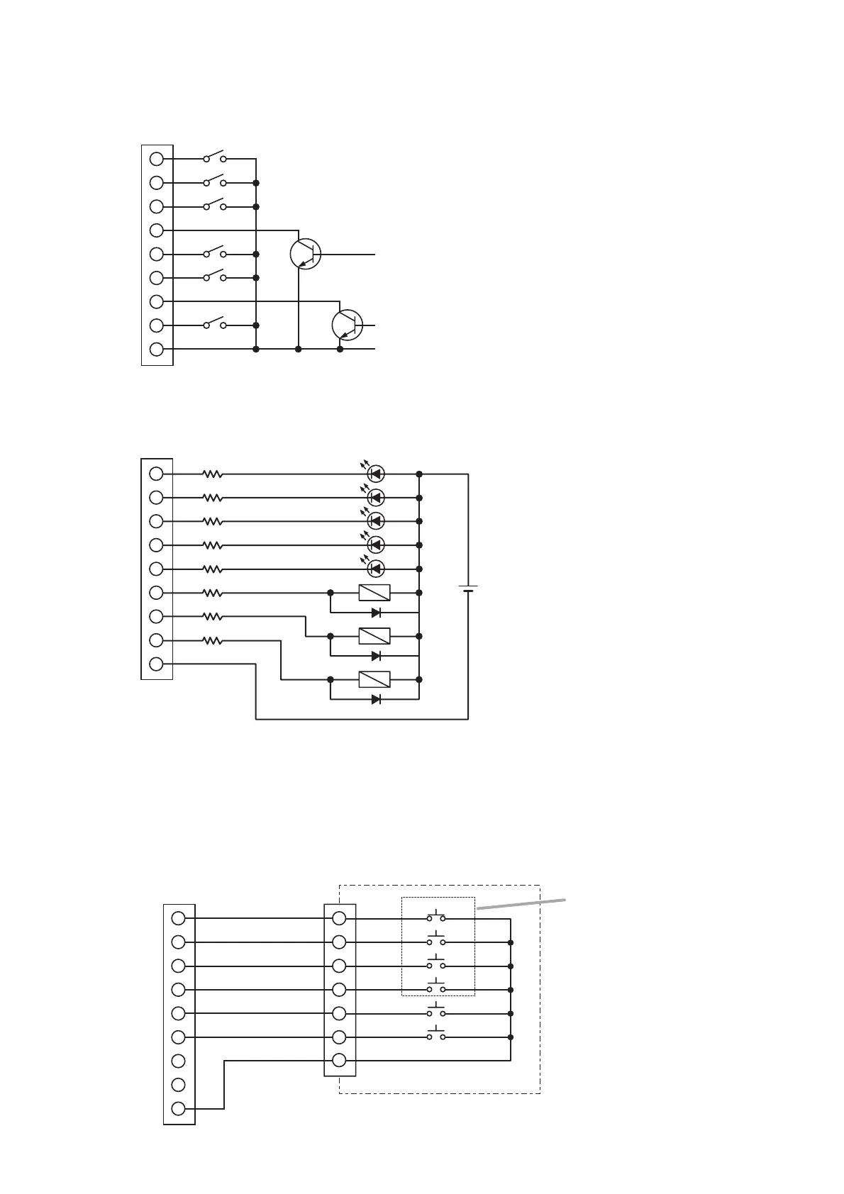
14.3. C-001T Module Connections
IN
1
2
3
4
5
6
7
8
E
Open collectors, etc.
Contact closures
(Open voltage: 3.3 V, Max. 1 mA)
14.3.1. Control input terminal
OUT
1
2
3
4
5
6
7
8
E
Applicable DC voltage
Max. 27 V DC
LEDs, Relays, etc. (Max. 50 mA)
14.3.2. Control output terminal
For operation by means of the control
inputs, refer to p. 109 "Operation by
control input."
IN
1
2
3
4
5
6
7
8
E
ZM-9003 (Control output terminal)
1
2
3
4
5
6
E
4 interlocking switches
1
2
3
4
5
6
14.3.3. Connecting the ZM-9003
Output terminal Nos. 1 – 4 of the ZM-9003 are internally connected to the interlocking switches and Nos. 5
and 6 to the momentary switches.
Connect these terminals to the Control input terminals of the main unit or C-001T depending on applications.

Table of Contents

Other manuals for Toa M-9000M2

Related product manuals