EasyManua.ls Logo

Toa M-9000M2 - Using as a Paging Amplifier; Paging Using the D-001 T, D-001 R, or 900 Series Module

Toa M-9000M2
160 pages
Print Icon
To Next Page IconTo Next Page
To Next Page IconTo Next Page
To Previous Page IconTo Previous Page
To Previous Page IconTo Previous Page
Loading...
33
8.2. Using as a Paging Amplifier
Allows input channels to have priority levels and the paging calls using these inputs to interrupt broadcasts
being made through mixing inputs.
To enable paging calls, paging settings must be performed in addition to the input/output settings. For the
paging output destination, group maximum 8 output channels to make up maximum 32 paging groups. Paging
calls are output to each zone by activating paging.
Two or more paging sources, each having one of 3 priority levels, can be set.
The higher-priority paging takes precedence over the lower-priority paging call currently being made.
Paging calls can be made not only from a conventional microphone but through PBX (extension). For the
paging setting, refer to p. 52, "Input Setting Flow Chart."
Note
Changing a scene or the setting data during paging causes the ongoing paging call to break.
So, do not make these changes during paging calls.
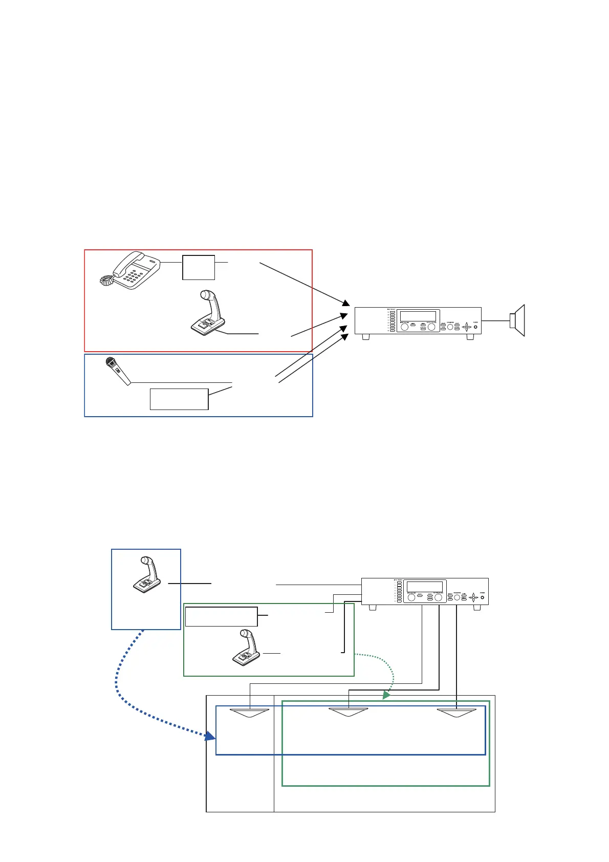
[Paging system outline]
9000M2 series
CD
Priority
level 3
Priority
level 2
Telephone paging
Paging microphone
Paging
No priority
level assigned
MIX
Microphone
PBX
8.2.1. Paging using the D-001T, D-001R, or 900 series module
When using the D-001T, D-001R, or 900 series module as paging sound source, set the Paging ON/OFF
setting (p. 34) for each input to ON. This will enable the priority level and paging group settings.
When using two or more paging sound sources, priority level can be set. For example, the following system
can be configured in a supermarket, comprising sales area and backroom area. In the sales area, BGM is
normally broadcast and announcement is made using a paging microphone. Also, it is so designed that
emergency broadcasts and paging calls can be made to the whole area using a different paging microphone.
Paging microphone
for emergency
broadcast and
all-call
BGM player
Input channel 1
Paging set to ON
Priority level 1
Input channel 2
Paging set to OFF
Input channel 3
Paging set to ON
Priority level 2
Paging
microphone
for sales area
Emergency
broadcast and
in-store
announcement
BGM broadcast and
in-store paging call
Backroom area
(Output channel 1)
Sales area
(Output channels 2 and 3)
9000M2 series

Table of Contents

Other manuals for Toa M-9000M2

Related product manuals