EasyManua.ls Logo

Toa RM-300MF - Schematic Diagrams; Cpu Pcb (1;2)

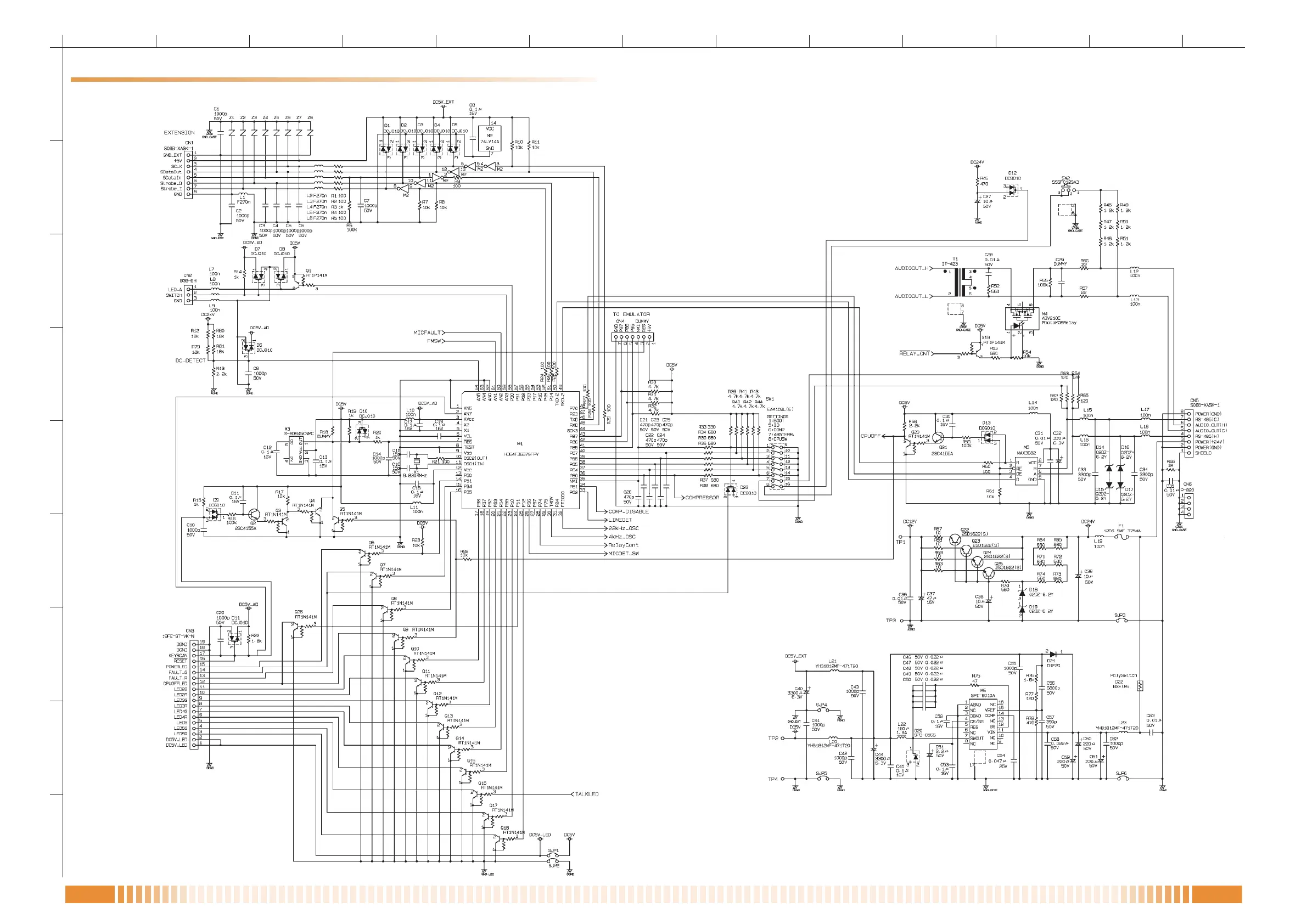
Toa RM-300MF
12 pages
Print Icon
To Next Page IconTo Next Page
To Next Page IconTo Next Page
To Previous Page IconTo Previous Page
To Previous Page IconTo Previous Page
Loading...
SCHEMATIC DIAGRAMS
1
A
B
C
D
E
F
G
H
23 654 789 11121310
I
6 6
RM-300MF
To EMG SW PCB
CN301
To SW PCB
CN201
To CONNECTOR PCB
CN501
RM-320F Connector
CPU ON/OFF Switch
DIP Switch
• CPU PCB (1/2)
SCHEMATIC DIAGRAMS
RESISTANCE VALUES IN OHMS. INDUCTANCE VALUES IN HENLY.
ALL RESISTORS 1/16W UNLESS OTHERWISE DESIGNATED.
CAPACITANCE VALUES IN FARADS, 50V UNLESS OTHERWISE DESIGNATED.
CIRCUITS ARE SUBJECT TO CHANGE WITHOUT NOTICE FOR FURTHER IMPROVEMENT.

Related product manuals