EasyManua.ls Logo

Toa TS-770 - 13 Block Diagrams; TS-770 Central Unit; TS-771 Chairman Unit

Toa TS-770
32 pages
Print Icon
To Next Page IconTo Next Page
To Next Page IconTo Next Page
To Previous Page IconTo Previous Page
To Previous Page IconTo Previous Page
Loading...
29
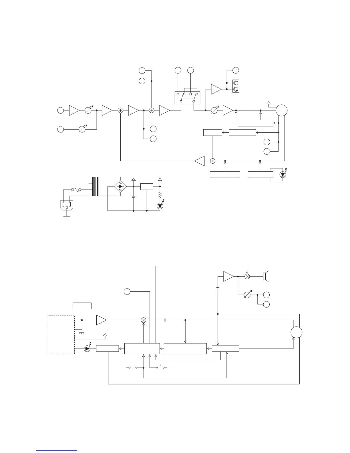
13. BLOCK DIAGRAMS
13.1. TS-770 Central Unit
LINE 1
LINE 2
REC OUT
EQUALIZER
EXT IN 1
MIC
AUX
EXT OUT 1
EXT OUT 2
EXT IN 2
EXT CTRL 2
EXT CTRL 1
IN
MIC
AUX
OUT
EQ switch
DIN
Fuse
REG
+24 V+35 V
+35 V
LINE
+
+
-
REC OUT
Number of speakers
Speech duration Test control
Priority control
Test/Microphone indicator
Power indicator
Chime
13.2. TS-771 Chairman Unit
REC/PHONE 1
REC/PHONE 2
CONTROL OUT
DIN
VR
Priority control
DC control
DC control
Priority key Talk key
Test control
Speech duration control
Microphone control
Speaker control
Bias
Microphone
LED control
+35 V
TS-773
or
TS-774

Table of Contents

Other manuals for Toa TS-770

Related product manuals