EasyManua.ls Logo

Toa TS-770 - Nomenclature and Functions

Toa TS-770
32 pages
Print Icon
To Next Page IconTo Next Page
To Next Page IconTo Next Page
To Previous Page IconTo Previous Page
To Previous Page IconTo Previous Page
Loading...
7
CENTRAL UNIT TS-770
1
2 3 4 5 6
7 8 9
10
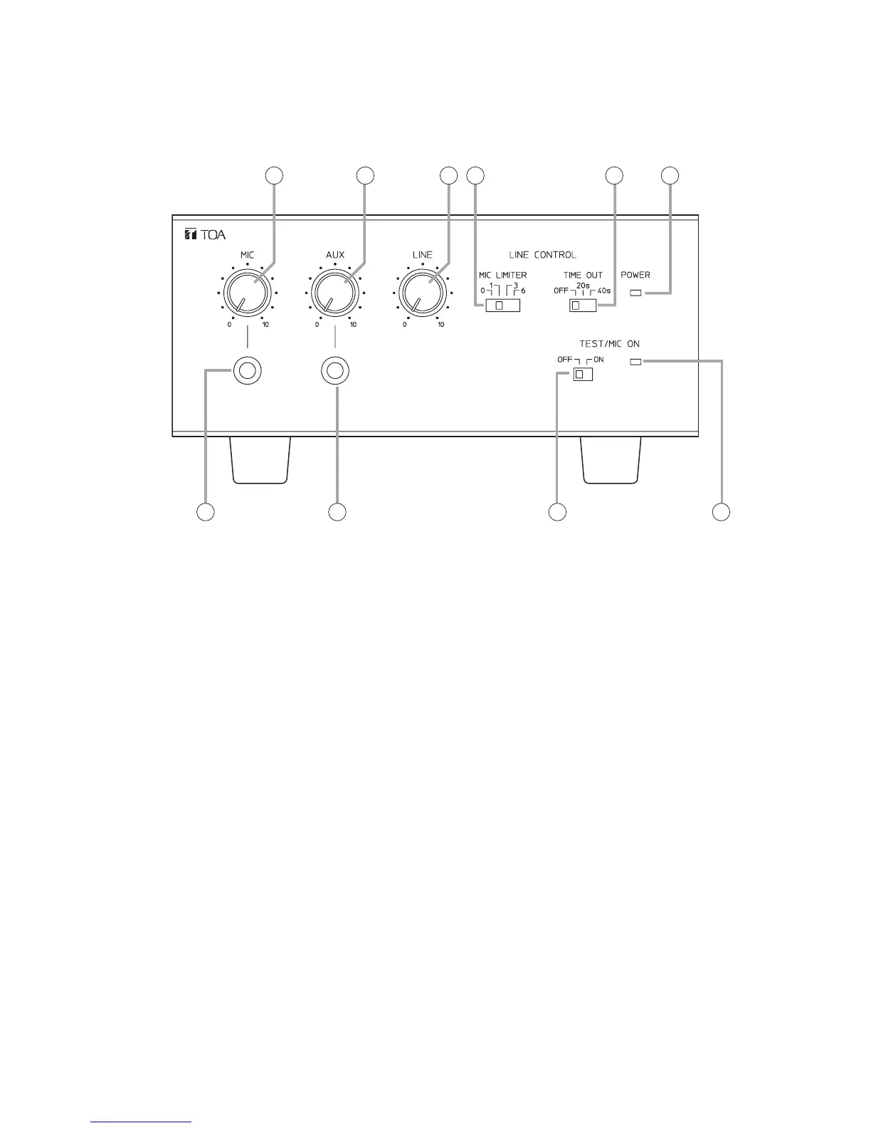
5. NOMENCLATURE AND FUNCTIONS
5.1. TS-770 Central Unit
[Front]
1. Power indicator [POWER]
Lights when the power switch (11) on the rear
panel is set to the ON position.
2. Microphone volume control [MIC]
Adjusts the volume of the microphone connected
to the microphone input jack (7).
3. AUX volume control [AUX]
Adjusts the volume of equipment connected to
AUX input jack (8).
4. Line volume control [LINE]
Adjusts the volume of the conference unit's built-in
speaker.
5. Speaker restriction switch [MIC LIMITER]
Sets the number of delegate units that can be
used simultaneously.
6. Automatic mic-off setting switch [TIME OUT]
It is possible to set the conference unit's
microphone to be automatically turned off after
speech completion.
7. Mic input jack [MIC]
Connects to a microphone.
(600 Ω, –60 dB*, unbalanced)
8. AUX input jack [AUX]
Connects to a CD or cassette deck.
(10 kΩ, –20 dB*, unbalanced)
9. Test/All Mic-On Switch [TEST/MIC ON]
Setting this switch to the ON position turns on
the microphones of all conference units. This
switch is intended for testing purposes during
installation, as well as for open conferences in
which speech can be made freely from any
conference unit.
10. Test/All Mic-On Indicator
Lights when the Test/All Mic-On switch is set to
the ON position.
* 0 dB = 1 V

Table of Contents

Other manuals for Toa TS-770

Related product manuals