EasyManua.ls Logo

Toa TS-770 - TS-772 Delegate Unit; TS-775 Remote Delegate Interface Unit

Toa TS-770
32 pages
Print Icon
To Next Page IconTo Next Page
To Next Page IconTo Next Page
To Previous Page IconTo Previous Page
To Previous Page IconTo Previous Page
Loading...
30
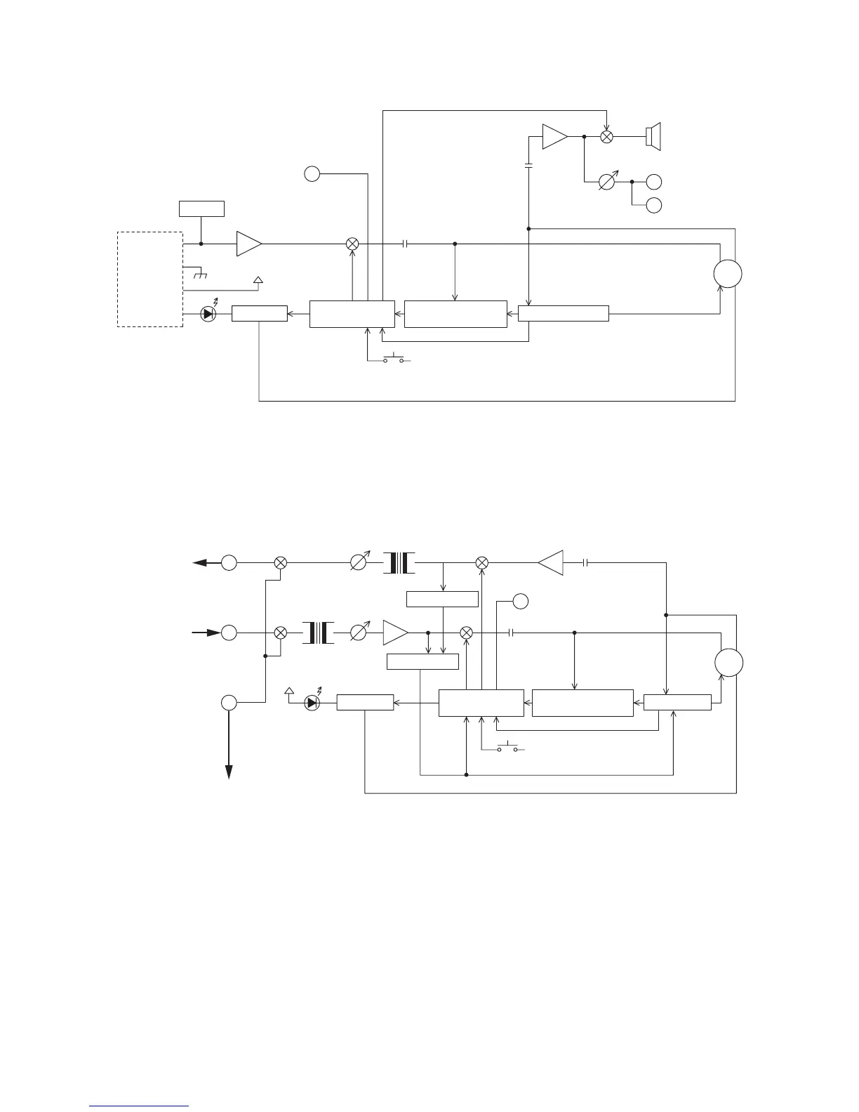
13.3. TS-772 Delegate Unit
REC/PHONE 1
REC/PHONE 2
CONTROL OUT
DIN
VR
Number of speakers
DC control
DC control
Talk key
Test control
Speech duration control
Microphone control
Speaker control
Bias
LED control
+35 V
Microphone
TS-773
or
TS-774
13.4. TS-775 Remote Delegate Interface Unit
DIN
Priority control
Signal detection
To PC's
microphone input
From PC's
headphone output
To telephone's handset modular connector
DC control
DC control
Test control
Speech duration control
Microphone control
Speaker control
LED control
Signal detection
OUTPUT VR
OUTPUT
INPUT VR
INPUT
MODULAR
CONTROL OUT
Talk key
+35 V

Table of Contents

Other manuals for Toa TS-770

Related product manuals